
# = Fast-moving Parts 5 01/01
* = Non-Illustrated Parts
FEF367CG Publication No.
5995345005
A = FEF367CG (FEF367CGSD)
B = FEF367CG (FEF367CGTD)
POS. NO PART NO DESCRIPTION
1 316080803 A B Panel-main back,galv steel ,short
3 316081034 A - Panel-bodyside,white ,RH
3 316081035 A - Panel-bodyside,white ,LH
3 316081036 - B Panel-bodyside,almond ,RH
3 316081037 - B Panel-bodyside,almond ,LH
5 316129200 A B Screw-leveling,plastic ,with stop
6 316067902 A B Rack-oven
7 316007002 A B Hinge-oven door,(2)
8 3203540 A B Panel-oven bottom
9 316081900 A B Pan-broiler
10 316082000 A B Insert-broiler pan
12 # 316027701 A B Switch-oven light
13 316026800 A B Rod-light switch /door
14 316116400 A B Socket-light/lamp,oven
15 5303013071 A B Light Bulb/Lamp
16 08011086 A B Lens-light/lamp, glass , oven
17 316087500 A B Retainer-lens
18 # 316036300 A B Latch-door
21 3014099 A B Spacer-bodyside, (8)
25 5304403169 A B Shield-heat,lower
28 316045000 A B Clip-wiring harness,retainer ,green ,main top
29 3051162 A B Glide-drawer,front
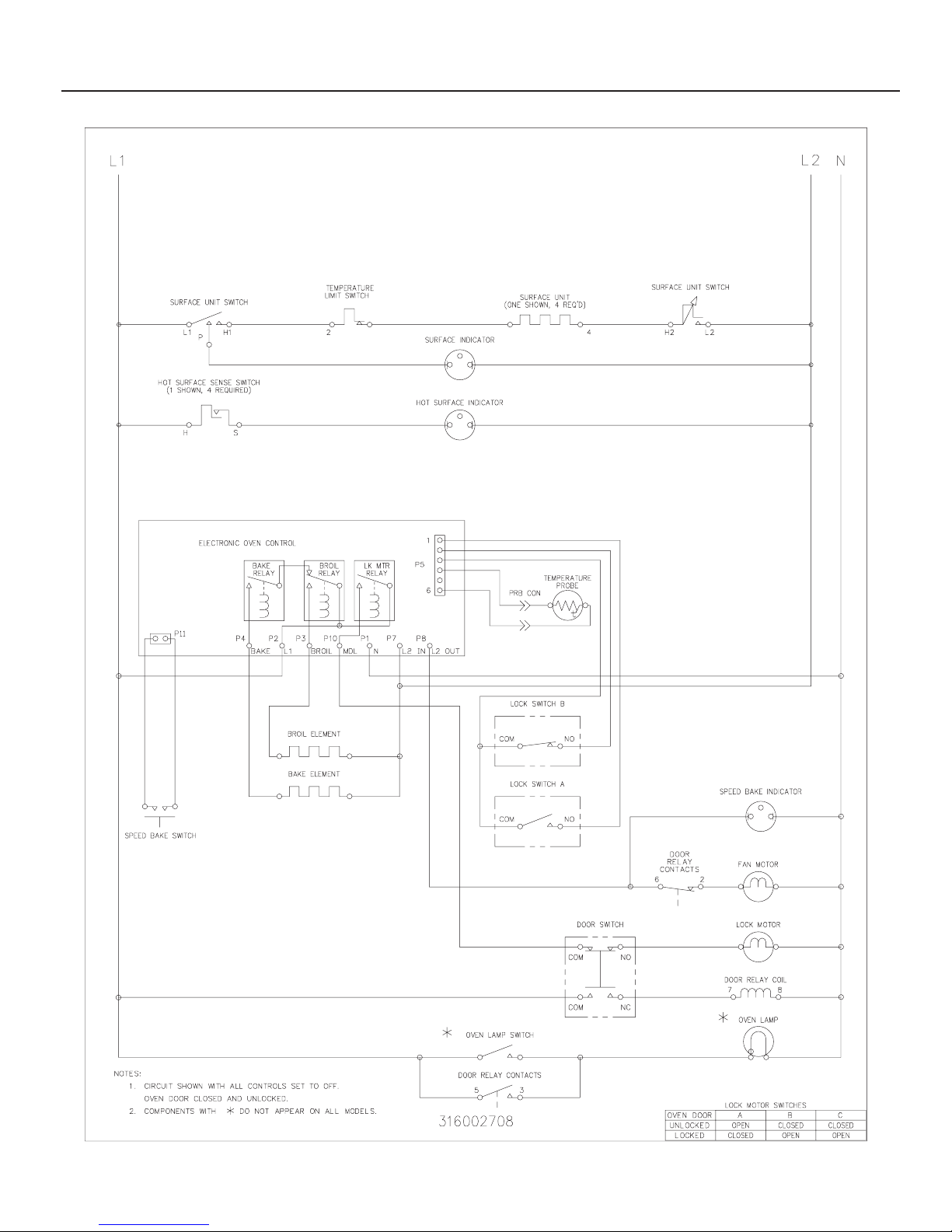
37 # 316134900 A B Probe-oven temp
41 3131570 A B Cover-hinge cutout
44 3131903 A B Bumper-door/drawer, rubber
45 316066100 A B Shield-wire,s/t vent
57 316081100 A B Cover-access
58 3200847 A B Insulation,oven bottom
58A 316047708 A B Insulation, 2" ,oven wrapper
58B 316054202 A B Insulation, 1" ,oven back
59 316073602 A B Tube-oven vent
59A 316023600 A B Tube-oven vent,upper
59B 316040100 A B Bracket-mounting,vent tube
62 # 5303935061 A B Terminal Block Kit
62* 316085600 A B Insulator
62* 5303308427 A B Nut,hex ,10-32
63 5301145190 A B Plate-ground strap
66 # 5303051140 A B Element-broil,2950 W
67 # 316075103 A B Element-bake,67
68 316075300 A B Support-element, broil
71 316015804 A B Shield-rear wall,galv steel
72 5303285692 A B Cover-rod end,lt switch rod
82 5303289913 A B Shield-insulation
87 316081200 A B Bracket-cable mtg
88 316026400 A B Rod-latch,auto
89 # 316028101 A B Motor-latch/lock
106 316026600 A B Bracket-motor mtg
107 316026701 A B Cover-fan
108# 316090500 A B Motor-fan
108* 316021111 A B Screw,8-18 x 1.500
109 316090600 A B Fan Blade
110 316090700 A B Washer,fan motor
111 316090800 A B Nut-fan retainer
112 316082700 A B Relay,oven door lock
170 5303935180 A B Anti-tip Kit,w/bracket,screw
170* 316107200 A B Bracket,anti-tip
170* 316112500 A B Template, Anti-tip bracket
170* 316116000 A B Screw,concrete tpg ,1.75 inch ,anti-tip brkt
* 3203550 A B Plug-button,oven bottom
* 316021105 A B Screw,hex head cup pt ,8-18 x 0.375,blck,back/bdysd
* 5308014215 A B Screw,6-20 x 0.312
BODY