FKM FKM7830D Manuel utilisateur


ContentsSafety Information1. Before Use2. Safe Use & CareAbout the Product1. Product Overview2. LCD Display Instructions3. Package ContentsOperation Instructions1. Non-contact Temperature Measurement2. Temperature Unit Setting3. Laser Setting4. Emissivity Setting5. High Temperature Alarm Setting6. The Upper Limit Temperature Value Setting of High Temperature Alarm7. Low Temperature Alarm Setting8. The Lower Limit Temperature Value Setting of Low Temperature AlarmDistance to Spot Ratio (D:S Ratio)Emissivity ListBattery ReplacementProduct SpecificationsDisclaimerProduct DisposalWarranty InformationContact Us---------------------------------------------------------------------------------------------------------------------------------------------------------------------------------------------------------------------------------------------------------------------------------------------------------------------------------------------------------------------------------------------------------------------------------------------------------------------------------------------------------------------------------------------------------------------------------------------------------------------------------------------------------------------------------------------------------------------------------------------------------------------------------------------------------------------------------------------------------------------------------------------------------------------------------------------------------------------------------------------------------------------------------------------------------------------------------------------------------------------------------------------------------------------------------------------------------------------------------------------------------------------------------------------------------------------------------------------------------------------------------------------------------------------------------------------------------------------------------------------------------------------------------------------------------------------------------------------------------------------------------------------------------------------------------------------------------------------------------------------------------------------------------------------------------------111223444555667789101112121313

Safety Information1. Before Use
When the ambient temperature of using the thermometer suddenly changes, please place the thermometer in the environment for 20 minutes to ensure that its tempera-ture is consistent with the ambient temperature, and then perform the measurement.Keep the thermometer clean and prevent dust from entering the lens cone.Do not aim the laser beam at any explosive gas.Do not place the thermometer near or on objects with extremely high or low tempera-tures.2. Safe Use & Care
Please read the user manual thoroughly and gain a full understanding of the require-ments, features and operation of your new instrument before use. And keep the manual handy for future reference.1.1Use a damp cloth and mild detergent to clean the instrument; do not use abrasive detergents or solvents.1.2Safety symbols:1.3Important information about dangerComply with FCC safety regulationsNotice:Do not aim the laser at human eyes or reflective surfaces.

About the Product1.Product Overview① Alarm Indicator② LCD Display③ Laser / DOWN Button④ MODE Button⑤ (℃ / ℉) / UP Button⑥ Laser Hole⑦ IR Sensor⑧ Measurement Trigger⑨ Battery Compartment
123456789

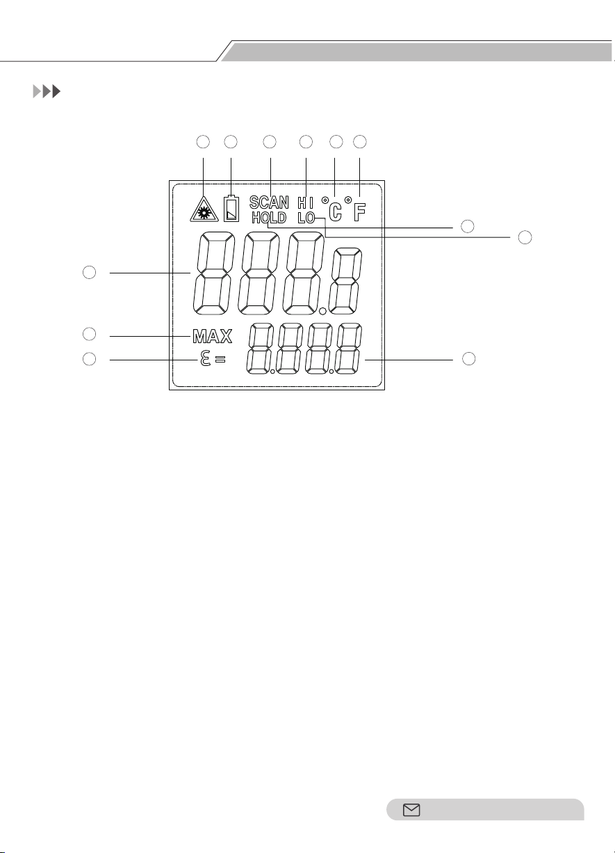
About the Product2.LCD Display Instruction111012123456798① Main Display: display the measured temperature value② Max Temperature Symbol③ Adjustable Emissivity Symbol④ Secondary Display: display the max temperature value⑤ Laser-on Symbol⑥ Low Battery Indicator⑦ Scan⑧ Data Hold⑨ High Temperature Alarm⑩ Low Temperature Alarm⑪ Celsius Unit Symbol⑫ Fahrenheit Unit Symbol

About the ProductOperation Instructions3.Package Contents1. Non-contact Temperature Measurement1× FKM7830D Infrared Thermometer1× User Manual1× 6F22 9V BatteryAim the thermometer at the object, pull the trigger and hold it down to perform contin-uous temperature measurement. You can move the thermometer on the surface of the scanned object. The measured temperature value will be displayed on the main display and the max value during the measurement will be displayed on the secondary display, as shown in the figure below.

Operation Instructions3. Laser SettingPress the button to turn the laser on or off, and the laser-on symbol will be displayed or extinguished accordingly. After the laser is turned on, the laser will light up when the trigger is pulled, and it will automatically turn off when the trigger is released.2. Temperature Unit SettingPress the °C/°F button to select the desired temperature unit.4. Emissivity SettingPress the MODE button once to enter the emissivity setting, and the below interface will be displayed. Press the °C/ °F button once to increase 0.01, press button once to decrease 0.01, and long press the °C/ °F button or button to increase or decrease quickly. The default value is 0.95, and the setting range is 0.1 to 1.0. Pull the trigger to quickly exit the setting state.

Operation Instructions5. High Temperatures Alarm SettingPress the MODE button one more time to enter the high temperature alarm setting, then the below interface will be displayed and the HI symbol will keep flashing on the display.Press the ℃/℉ button or button to turn the high temperature alarm on or off. Pull the trigger to quickly exit the setting state.6. The Upper Limit Temperature Value Setting of High Temperature AlarmAfter the high temperature alarm is turned on, press the MODE button again to enter the upper limit temperature value setting of the high temperature alarm, and the below inter-face will be displayed.Press the °C/ °F button once to increase 0.1, press button once to decrease 0.1, and long press the °C/ °F button or button to increase or decrease quickly. Pull the trigger to quickly exit the setting state.If the measured value is lower than the set upper limit value, the alarm indicator will be green and if the measured value is higher than the set upper limit value, the alarm indica-tor will be red.

Operation Instructions7. Low Temperatures Alarm SettingPress the MODE button one more time to enter the low temperature alarm setting, then the below interface will be displayed and the LO symbol will keep flashing on the display.Press the ℃/℉ button or button to turn the low temperature alarm on or off. Pull the trigger to quickly exit the setting state.8. The Lower Limit Temperature Value Setting of Low Temperature AlarmAfter the low temperature alarm is turned on, press the MODE button again to enter the lower limit temperature value setting of the low temperature alarm, and the below inter-face will be displayed.Press the °C/ °F button once to increase 0.1, press button once to decrease 0.1, and long press the °C/ °F button or button to increase or decrease quickly. Pull the trigger to quickly exit the setting state.If the measured value is higher than the set lower limit value, the alarm indicator will be green and if the measured value is lower than the set lower limit value, the alarm indica-tor will be yellow.
Table des matières


















