F i n i s a r
The Finisar 50G Interleaver efficiently demultiplexes (or multiplexes) 50G
spaced channels into two sets of 100G spaced channels, which is the best
solution to upgrade the existing 100G spacing system and cost saving to
the equipment manufacturer. This passively athermalized interleaver offers
exceptional performance in an ultra-compact form factor.
50GHz Interleaver
Features:
●Wide passband and
low dispersion
●Passively athermalized
●High isolation and
low insertion loss
●Fully qualified to
Telcordia 1209/1221
●Compact size
●RoHS compliance
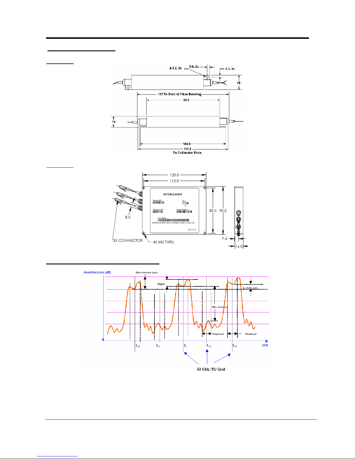
Specifications:
Parameter Unit Minimum Typical Maximum
Wavelength range nm 1530.33
1570.41 C band
L band 1562.23
1603.17
Channel spacing nm 50GHz
0.5 dB Passband relative to ITU grid* GHz ± 10
1 dB Passband relative to ITU grid* GHz ± 11
3 dB Passband relative to ITU grid* GHz ± 15
25dB Stopband relative to ITU grid* GHz ± 10
IL over passband* dB 1.8
IL uniformity within port* dB 0.5
IL uniformity all ports* dB 0.8
IL ripple over passband* dB 0.5
Isolation over stopband* dB 25
Polarization dependent loss* (PDL) dB 0.5
Polarization mode dispersion (PMD) ps 0.2
Dispersion over passband ps/nm -30 +30
Return loss dB 40
Directivity dB 50
Optical power handling mW 500
Connector type -SC/PC or LC/PC, others upon request
Pigtail length m 1.0±0.1, others upon request
Operating temperature range oC -5 +70
Dimensions (L x W x H) mm 113.5 x 18 x 14 or 120 x 90 x 16
*Over all operating temperatures
Finisar Shanghai Inc.
3-5Floors, Suite 72, 887 Zu-Chong-Zhi Rd., Zhangjiang Hi-Tech Park,
Pudong, Shanghai, China 201203
Main: +86-21-51317030 Fax: +86-21-51317022
Website: www.finisar.com
Finisar Corporation
1308 Moffett Park Drive, Sunnyvale, CA 94089-1133, USA
Main: (408) 548-1000 Fax: (408)543-0083
Sept. 08 Rev. D