
Kit5010ExpSécu_Elec-A
1
KIT 5010
Pour systèmes Fermatic manuels :
For manual Fermatic systems:
2120 / 2130 / 2150 - 2320 / 2420
3430 / 3530 / 7530
01/2016
R
Notice d’installation électrique / Mounting Electric part
NMkit5010ExpSécu_Elec-A
Cette notice comporte les instructions d'installation, d'utilisation et de maintenance.
Nous vous conseillons de la lire attentivement, et de la mettre à disposition de l'utilisateur.
This instructions manual includes the mounting, utilization and the maintenance instructions. We recommend to read this carefully and to place it at the user’s
disposal. The english version of our general conditions of sales and mounting instructions are not binding, and are only given for information purposes.
Only the french version can be used in case of legal action.
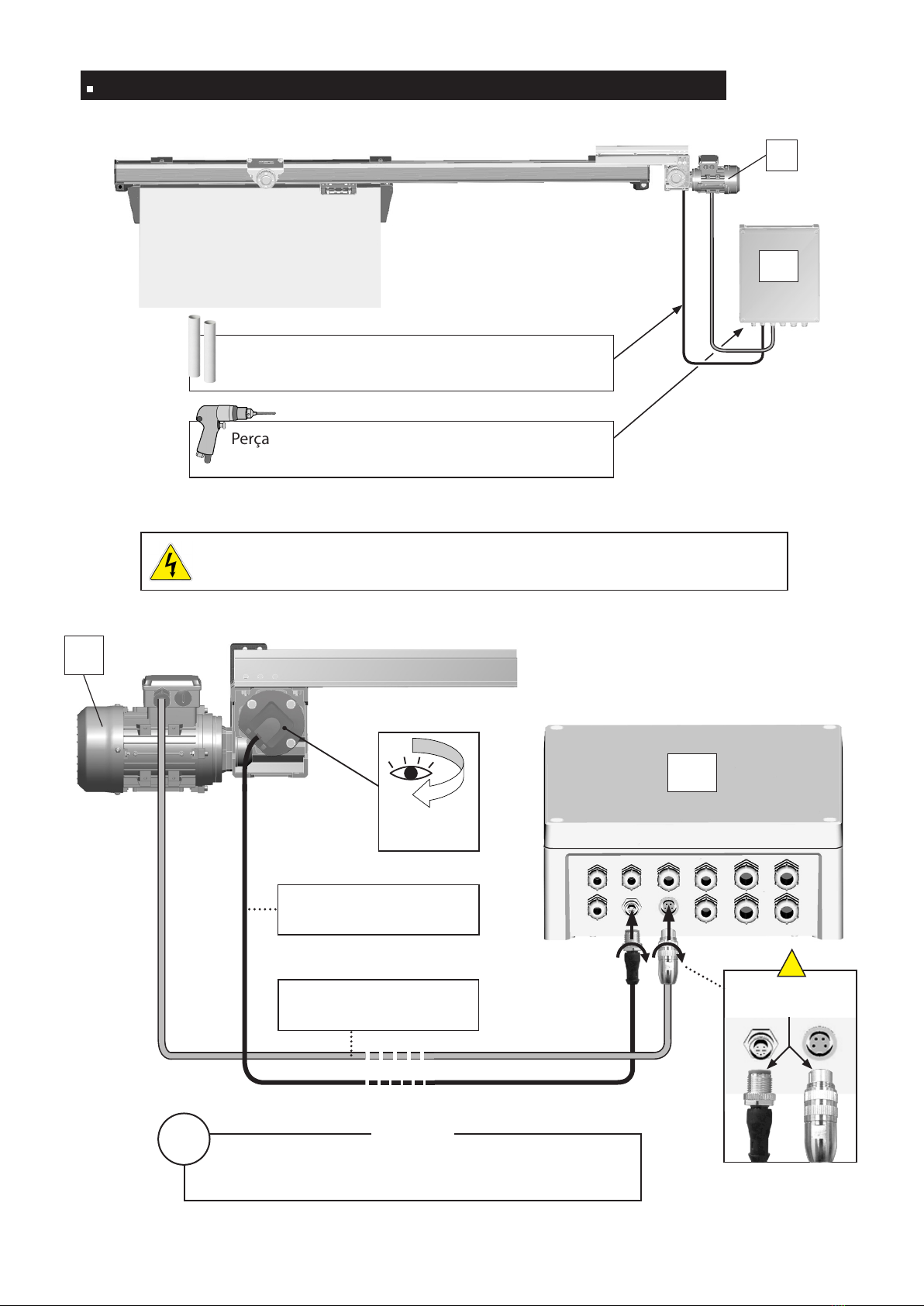
Alimentation : 220-240V AC
50/60 Hz monophasé
Puissance moteur : 370W
Power supply : 220-240V AC
50/60 Hz monophase
Motor power : 370W
i
i
i
p.2
p.2
p.3
p.3
p.7
p.9
p.10
p.10
p.12
p.17
p.19
p.19
p.19
p.19
p.20
p.20
p.20
p.20
p.21
p.21
p.21
p.22
1 - Informations générales / General informations............................................
2 - Caractéristiques du produit / Characteristics...............................................
3 - Précautions de montage / Mounting precautions........................................
4 - Cablage / Wiring...............................................................................................
5 - Sécurité horizontale / Horizontal safety device............................................
6 - Montage de la bordure passive / Passive edgemount security..................
7 - Paramétrage / Parameters.............................................................................
7.1 - Initialisation/1ère mise sous tension / Initialization/First power on............
7.2 - Utilisation de l’afcheur / Control keyboard using.....................................
7.3 - Codes information / Information codes......................................................
8 - Fonctions disponibles / Available functions...................................................
8.1 - Fonction verrouillage / Lock function.........................................................
8.2 - Commande d’arrêt / Stop command..........................................................
8.3 - Détection incendie / Fire detection............................................................
9 - Utilisation / Using..............................................................................................
9.1 - Utilisation prévue / Normal using...............................................................
9.2 - Risques consécutifs à des actions... / Risks following intentional acts..................
9.3 - Etiquettes d’identication / Identication stickers......................................
9.4 - Nettoyage / Cleaning.................................................................................
10 - Maintenance......................................................................................................
11 - Mise au rebut / Scrapping................................................................................
12 - Fonctionnement anormal / Malfunctioning...................................................