
ES
970073EIPb V04_21
I
NTRODUCCIÓN
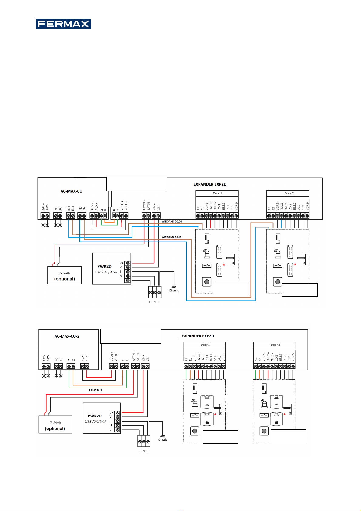
AC-MAX CU es un módulo electrónico que realiza la función de Unidad de Control que se incluye en los kits
del sistema AC-MAX.
C
ONFIGURACIÓN
Para utilizar la AC-MAX_CU en el sistema de control de accesos es necesario realizar dos pasos de
configuración:
•Configuración de bajo nivel y de alto nivel mediante el software.
La configuración de bajo nivel permite adaptar el módulo electrónico AC-MAX en cuanto a dirección IP,
entradas, salidas y otros parámetros que afectan a las propiedades del software AC-MAX y a la lógica del
sistema. La configuración de bajo nivel se realiza cuando la Unidad de Control se pone en modo de
servicio.
Nota: Se recomienda realizar una configuración de bajo nivel antes de conectar la Unidad de Control a la
red informática.
La configuración de alto nivel permite configurar las reglas de control de acceso, la automatización de
edificios y otros elementos de la lógica del sistema AC-MAX. La configuración de alto nivel se realiza
después de la configuración de bajo nivel cuando la Unidad de Control se encuentra en modo de
funcionamiento normal. La configuración de alto nivel requiere también la instalación del servicio de
comunicación incluido en el instalable de AC-MAX LT o con el software AC-MAX CS si vamos a trabajar
con AC-MAX ST.
D
IRECCIÓN
IP
La comunicación entre la Unidad de Control y el ordenador se realiza exclusivamente a través de una red
Ethernet IP. En el firmware 1.7.2 y posteriores se permite cambiar estos parámetros en bajo nivel a traves
de los softwares v2.0.
La dirección IP por defecto de la Unidad de Control es
192.168.0.213
, y se puede cambiar con el software AC-MAX LT/ST desde la configuración de bajo nivel.
C
LAVE DE COMUNICACIÓN
La comunicación entre la Unidad de Control AC-MAX y el ordenador se encripta mediante una
clave de
comunicación
. El nuevo dispositivo viene de fábrica con la
clave predeterminada 1234
, que
se puede cambiar desde AC-MAX LT/ST seleccionando con botón derecho en el controlador->Establecer
clave de comunicación. Cuando la clave de comunicación se desconoce o se pierde, se puede borrar
durante el procedimiento de restablecimiento de la memoria, que restaura la clave de comunicación
predeterminada (vacía) y otros ajustes predeterminados del Controlador AC-MAX_CU.
Al registrar la Unidad de Control en la base de datos AC-MAX, es necesario introducir su dirección IP y, a
continuación, la clave de comunicación (Unidad de Control->Comandos -> Establecer clave de
comunicación).
Nota: La clave de comunicación está formada únicamente por dígitos HEX (0-9, A, B, C, D, E, F) y, en caso
de pérdida, no se puede restaurar ni desde el circuito de la Unidad de Control ni desde la copia de
seguridad del fichero de configuración guardado en el disco. Se recomienda hacer una copia de seguridad
de la clave de comunicación en un lugar seguro.