
SECTION 1 –INSTALLATION
UNLESS OTHERWISE STATED, PARTS WHICH HAVE BEEN PROTECTED BY THE MANUFACTURER ARE
NOT TO BE ADJUSTED BY THE INSTALLER
1.1 MODEL NUMBER, NETT WEIGHTS and DIMENSIONS
1.2 SITING
Installation should be made in accordance with local and/or national regulations applying at the time
and a competent installer must be employed. There should be a clearance of 200mm from any wall
or object liable to damage from overheating and 75mm clearance should be left from any wall to
allow removal of the side panels for maintenance.
In the event of a requirement to position this appliance in close proximity to a wall, partition, kitchen
furniture or decorative finish, etc. it is recommended that these be constructed of a non-
combustible material. If this is not possible then these surfaces require to be clad in a non-
combustible, heat insulating material. Close attention must be paid to fire prevention regulations.
The grill should be installed level and in a well lit position with adequate ventilation. Bench mounting
legs are available for installing the grill on a working surface. When these are used, it is essential that
they be secured to the surface, using fixings provided.
Mounting
The grill can be mounted upon:
A specially designed eye level floor stand.
Legs: 230mm or 336mm high.
A wall bracket.
Note
The appliance must NOT be mounted directly on to a combustible surface.
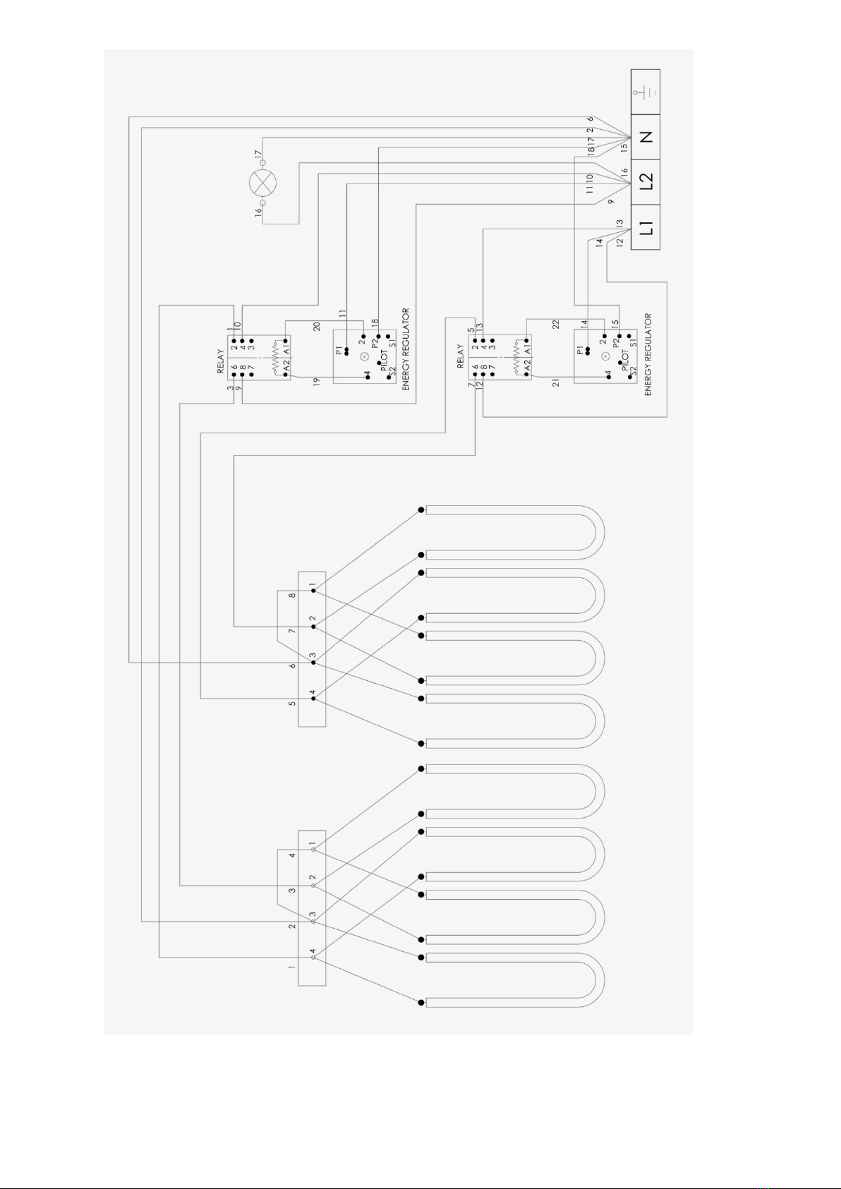
1.3 WIRING THE APPLIANCE
Warning
THIS APPLIANCE MUST BE EARTHED
A cable entry suitable for 20mm conduit is situated in the unit rear at the RH side. To gain access to
the terminals, the top facia and the vertical switch panel must be removed. The facia is secured on
the underside and the vertical switch panel secured by one fixing at the bottom.
Additional access can be obtained if required by removing top panel, according to procedure
described under heading 'Maintenance of Elements'.
Mains connection must be made via a suitably rated isolating switch with a contact separation of at
least 3mm on all poles. The use of heat resistant cable is recommended. Wiring should be in
accordance with current IEE Wiring Regulations.
Particular attention must be paid to providing adequate and effective earthing using the earth
terminal provided. When connecting the E2522 model to a single phase supply, link terminals L1 and
L2 to form the 'line' terminal.
This appliance is also provided with a terminal for connection of an external equipotential
conductor. This terminal is in effective electrical contact with all fixed exposed metal parts of
the appliance, and shall allow the connection ofa conductor having a normal cross-sectional
area of up to 10mm². it is located on the rear panel and is identified by the following symbol
and must only be used for bonding purposes.
1.4 ELECTRICAL LOADINGS
The electrical loading is stated on unit data plate.