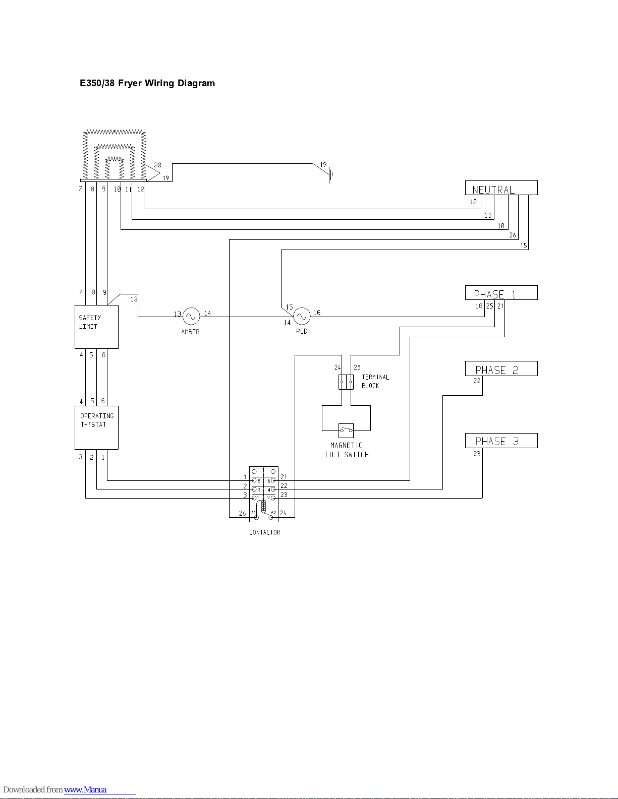
SECTION 3 - SERVICING
BEFORE ATTEMPTING ANY MAINTENANCE,
ISOLATE THE APPLIANCE AT THE MAIN SWITCH
AND TAKE STEPS TO ENSURE THAT IT IS NOT
INADVERTENTLY SWITCHED ON.
3.1 CONTROL PANEL - TO REMOVE
a) Drain pan by inserting drain pipe over a s itable
receptacle then p ll o t drain lever and move it to
the right.
b) Remove knob at drain valve lever end sing a 6mm
spanner on lever and a 10mm spanner on knob.
c) Remove two screws in pper flange of facia panel
i.e. below front hob.
d) Move panel slightly forward at top ntil clear of hob
then lift panel slightly pward th s releasing lower
fixing and to remove panel.
3.2 CONTROL THERMOSTAT
and INDICATOR LAMPS
If these prove fa lty they are not normally repairable
and m st be replaced sing the following proced res:
3.2.1 Control Th rmostat
In order to replace control thermostat, it will be
necessary to remove nit from stand or table location.
Adopt the following proced re :
a) Drain pan(s).
b) Remove control panel as detailed in Section 3.1.
c) Note positions and remove wires.
d) Using a 'st bby' pozi screwdriver, remove
thermostat from control panel.
e) Disconnect s pply connections and remove fryer
from location to enable it to be t rned on its side
later.
f) Remove element as detailed in Section 3.3.
g) Remove cover plate from element hinge block
thro gh which thermostat capillary t be passes.
Manoe vre t be and phial thro gh moving hinge
t be.
h) From front, remove two fixings which sec re base
plate and remove plate.
j) T rn nit on to its side. Feed capillary t be and
phial thro gh hole in base of hinge block and
remove thermostat.
k) Replace in reverse order. Take care that capillary
t be is well clear of element terminals.
m) Replace elements (see Section 3.3). Also replace
base and control panels.
n) Fill pan with oil and heat it p.
Carry o t installation tests.
Not
When replacing a cotrol thermostat, fit existing
ins lating sleeving over capillary t bing. Ens re that
no portion of t bing is exposed to possible contact
with live parts. Coil excess t be by wrapping it aro nd
a s itable mandrel of approximately 25mm diameter.
3.2.2 Indicator Lamps
Remove control panel as detailed in Section 3.1.
P ll off lamp connections and ndo n t that sec res it
at rear. Remove lamp and replace in reverse order.
3.3 ELEMENT
To replace heating element proceed as follows:
a) Drain pan.
b) Remove basket s pport bar from element and f lly
raise element.
c) Remove 10 pozidriv screws in nderside of
element terminal box.
d) Remove element terminal box bottom cover plate.
This can be effected by prising p lower edge with
a screwdriver.
e) Lower element and remove element g ard (4
screws). Also ndo clips that sec re thermostat
phial to element assembly.
f) Remove p sh-on element connections, first noting
their locations.
g) Remove two hex-headed screws which sec re
element assembly to terminal box. Remove
element, taking care not to kink or otherwise
damage thermostat capillary t be.
Replace element in reverse order ens ring that oil
resistant gasket is fitted nder element mo nting
plate.
Note that thermostat phial is fitted in third hairpin of
element from left, clamps being applied to centres
of three element sheaths.
3.4 SAFETY THERMOSTAT
3.4.1 To R s t
In the event of a control thermostat fail re that res lts
in overheating of oil, safety thermostat will interr pt
and switch off all power to elements.
To re-establish circ it, it will be necessary to reset
safety thermostat.
First allow fryer to cool, then remove control panel as
detailed in Section 3.1.
On single pan fryer (E350/38), safety thermostat is
reset by depressing t b lar rod sit ated immediately
below drain valve.
In the case of the do ble pan fryer (E350/39), two
safety thermostats are located at rear of nit between
two pans.
Reach in and depress red reset b tton (left and right
thermostats appropriate to left and right pans).