
Frame Manual
500DA2Q-3G 3G/HD/SD-SDI Dual Reclocking Distribution Amplifier
TABLE OF CONTENTS
1. OVERVIEW.......................................................................................................................................... 1
2. INSTALLATION................................................................................................................................... 3
3. SPECIFICATIONS............................................................................................................................... 4
3.1. SERIAL VIDEO INPUT............................................................................................................... 4
3.2. SERIAL VIDEO OUTPUTS......................................................................................................... 4
3.3. ELECTRICAL ............................................................................................................................. 4
3.4. PHYSICAL.................................................................................................................................. 4
4. STATUS LEDS.................................................................................................................................... 5
4.1. INPUT 1 INDICATORS............................................................................................................... 5
4.2. INPUT 2 INDICATORS............................................................................................................... 6
5. LOCATION OF LEDS AND JUMPERS .............................................................................................. 7
5.1. SELECTING WHETHER LOCAL FAULTS WILL BE MONITORED
BY THE GLOBAL FRAME STATUS.......................................................................................... 7
5.2. SELECTING NON-RECLOCK MODE........................................................................................ 8
6. VISTALINK®REMOTE MONITORING/CONTROL............................................................................. 9
6.1. WHAT IS VISTALINK®?............................................................................................................. 9
6.2. MONITOR SETTINGS TAB...................................................................................................... 10
6.2.1. Lock Status ......................................................................................................................... 10
6.2.2. Bypass Select ..................................................................................................................... 10
6.2.3. Input Video Rate ................................................................................................................. 11
6.3. FAULT TRAPS TAB................................................................................................................. 11
6.3.1. Module OK Trap Status....................................................................................................... 11
Figures
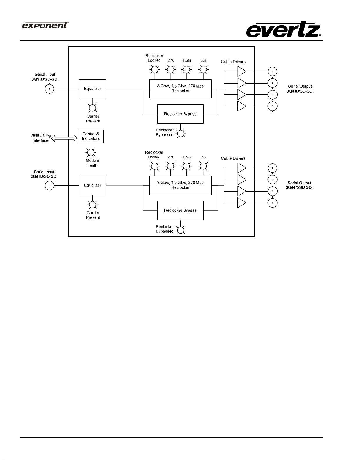
Figure 1-1: 500DA2Q-3G Block Diagram..............................................................................................................2
Figure 2-1: 500DA2Q-3G Rear Panel Overlay......................................................................................................3
Figure 5-1: LED and Jumper Locations ................................................................................................................7
Figure 5-1: VistaLINK®500DA-3G Monitor Status Tab.......................................................................................10
Figure 5-1: VistaLINK®500DA-3G Fault Traps Tab............................................................................................11
Revision 2.0