
1
Betriebsanleitung
Sicherheitsschalter STPA…
Gültigkeit
Diese Betriebsanleitung gilt für alle STPA… Diese
Betriebsanleitung bildet zusammen mit dem Do‑
kument Sicherheitsinformation und Wartung sowie
einem ggf. beiliegenden Datenblatt die vollständige
Benutzerinformation für Ihr Gerät.
Ergänzende Dokumente
Die Gesamtdokumentation für dieses Gerät besteht
aus folgenden Dokumenten:
Dokumenttitel
(Dokumentnummer) Inhalt
Sicherheitsinformation
(2525460)
Grundlegende Sicherheitsinforma‑
tionen
Betriebsanleitung
(2087009) (dieses Dokument)
www
Konformitätserklärung Konformitätserklärung
www
Ggf. Ergänzungen zur
Betriebsanleitung
Ggf. zugehörige Ergänzungen zur
Betriebsanleitung oder Datenblätter
berücksichtigen.
www
Wichtig!
Lesen Sie immer alle Dokumente durch, um einen
vollständigen Überblick für die sichere Installati‑
on, Inbetriebnahme und Bedienung des Geräts
zu bekommen. Die Dokumente können unter
www.euchner.de heruntergeladen werden. Geben
Sie hierzu die Dok. Nr. oder die Bestellnummer des
Geräts in die Suche ein.
Bestimmungsgemäßer Gebrauch
Sicherheitsschalter der Baureihe STP sind Verrie‑
gelungseinrichtungen mit Zuhaltung (Bauart2). Der
Betätiger besitzt eine geringe Codierungsstufe. In
Verbindung mit einer beweglichen trennenden Schutz‑
einrichtung und der Maschinensteuerung verhindert
dieses Sicherheitsbauteil, dass die Schutzeinrichtung
geöffnet werden kann, solange eine gefährliche
Maschinenfunktion ausgeführt wird.
Das bedeutet:
fEinschaltbefehle, die eine gefährliche Maschinen‑
funktion hervorrufen, dürfen erst dann wirksam
werden, wenn die Schutzeinrichtung geschlossen
und zugehalten ist.
fDie Zuhaltung darf erst dann entsperrt werden,
wenn die gefährliche Maschinenfunktion beendet ist.
fDas Schließen und Zuhalten einer Schutzeinrichtung
darf kein selbstständiges Anlaufen einer gefährli‑
chen Maschinenfunktion hervorrufen. Hierzu muss
ein separater Startbefehl erfolgen. Ausnahmen hier‑
zu siehe ENISO12100 oder relevante C‑Normen.
Geräte dieser Baureihe eignen sich auch für den
Prozessschutz.
Vor dem Einsatz des Geräts ist eine Risikobeurteilung
an der Maschine durchzuführen z.B. nach folgenden
Normen:
fENISO13849‑1
fENISO12100
fIEC62061
Zum bestimmungsgemäßen Gebrauch gehört das
Einhalten der einschlägigen Anforderungen für den
Einbau und Betrieb, insbesondere nach folgenden
Normen:
fENISO13849‑1
fENISO14119
fEN60204‑1
Wichtig!
fDer Anwender trägt die Verantwortung für die
korrekte Einbindung des Geräts in ein sicheres
Gesamtsystem. Dazu muss das Gesamtsystem
z.B. nach ENISO13849‑2 validiert werden.
fWird zur Bestimmung des Perfomance Le‑
vels (PL) das vereinfachte Verfahren nach
ENISO13849‑1:2015, Abschnitt 6.3 benutzt,
reduziert sich möglicherweise der PL, wenn
mehrere Geräte hintereinander geschaltet werden.
fEine logische Reihenschaltung sicherer Kontakte
ist unter Umständen bis zu PLd möglich. Nähere
Informationen hierzu gibt ISOTR24119.
fLiegt dem Produkt ein Datenblatt bei, gelten die
Angaben des Datenblatts, falls diese von der
Betriebsanleitung abweichen.
Sicherheitshinweise
WARNUNG
Lebensgefahr durch unsachgemäßen Einbau oder
Umgehen (Manipulation). Sicherheitsbauteile erfüllen
eine Personenschutzfunktion.
fSicherheitsbauteile dürfen nicht überbrückt,
weggedreht, entfernt oder auf andere Weise
unwirksam gemacht werden. Beachten Sie
hierzu insbesondere die Maßnahmen zur Ver‑
ringerung der Umgehungsmöglichkeiten nach
ENISO14119:2013, Abschn. 7.
fDer Schaltvorgang darf nur durch speziell dafür
vorgesehene Betätiger ausgelöst werden.
fStellen Sie sicher, dass kein Umgehen durch Er‑
satzbetätiger stattndet. Beschränken Sie hierzu
den Zugang zu Betätigern und z.B. Schlüsseln
für Entriegelungen.
fMontage, elektrischer Anschluss und Inbetriebnah‑
me ausschließlich durch autorisiertes Fachperso‑
nal, welches über spezielle Kenntnisse im Umgang
mit Sicherheitsbauteilen verfügt.
VORSICHT
Gefahr durch hohe Gehäusetemperatur bei Umge‑
bungstemperaturen größer 40°C.
fSchalter gegen Berühren durch Personen oder
brennbarem Material schützen.
Funktion
Der Sicherheitsschalter ermöglicht das Zuhalten von
beweglichen trennenden Schutzeinrichtungen.
Im Schalterkopf bendet sich eine drehbare Schalt‑
walze, die durch den Zuhaltebolzen blockiert/
freigegeben wird.
Beim Einführen/Herausziehen des Betätigers und
beim Aktivieren/Entsperren der Zuhaltung wird der
Zuhaltebolzen bewegt. Dabei werden die Schaltkon‑
takte betätigt.
Bei blockierter Schaltwalze (Zuhaltung aktiv) kann
der Betätiger nicht aus dem Schalterkopf gezogen
werden. Konstruktionsbedingt kann die Zuhaltung
nur aktiviert werden, wenn die Schutzeinrichtung
geschlossen ist (Fehlschließsicherung).
Die Konstruktion des Sicherheitsschalters ist so
ausgeführt, dass Fehlerausschlüsse auf interne
Fehler gemäß ENISO13849‑2:2013, Tabelle A4,
angenommen werden können.
Zuhaltungsüberwachung
Alle Ausführungen verfügen über mindestens einen
sicheren Kontakt für die Überwachung der Zuhaltung.
Beim Entsperren der Zuhaltung, werden die Kontakte
geöffnet.
Türmeldekontakt
Die Ausführung STPA3 verfügt zusätzlich über mindes‑
tens einen Türmeldekontakt. Je nach Schaltelement
können die Türmeldekontakte zwangsöffnend (Kon‑
takte ) oder nicht zwangsöffnend sein.
Beim Öffnen der Schutzeinrichtung werden die Tür‑
meldekontakte betätigt.
Ausführung STPA3
(Zuhaltung durch Federkraft betätigt und durch Ener‑
gie EIN entsperrt)
fZuhaltung aktivieren: Schutzeinrichtung schließen,
keine Spannung am Magnet
fZuhaltung entsperren: Spannung an Magnet anlegen
Die durch Federkraft betätigte Zuhaltung arbeitet
nach dem Ruhestromprinzip. Bei Unterbrechung
der Spannung am Magnet bleibt die Zuhaltung aktiv
und die Schutzeinrichtung kann nicht unmittelbar
geöffnet werden.
Ist die Schutzeinrichtung bei Unterbrechung der
Spannungsversorgung geöffnet und wird dann
geschlossen, wird die Zuhaltung aktiviert. Das kann
dazu führen, dass Personen unbeabsichtigt einge‑
schlossen werden.
Schaltzustände
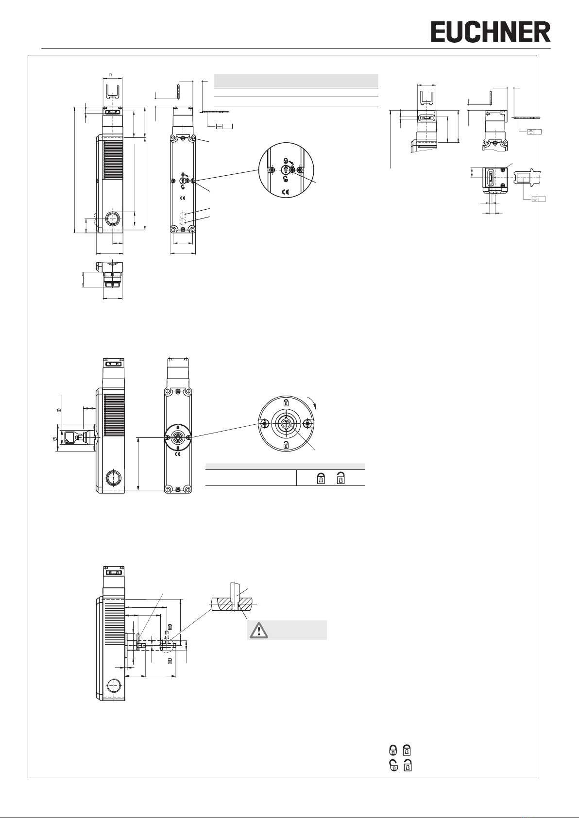
Die detaillierten Schaltzustände für Ihren Schalter
nden Sie in Bild 3. Dort sind alle verfügbaren Schal‑
telemente beschrieben.
Schutzeinrichtung geöffnet
STPA3:
Die Sicherheitskontakte und sind geöffnet.
Schutzeinrichtung geschlossen und nicht
zugehalten
STPA3:
Die Sicherheitskontakte sind geschlossen. Die
Sicherheitskontakte sind geöffnet.
Schutzeinrichtung geschlossen und
zugehalten
STPA3:
Die Sicherheitskontakte und sind geschlossen.
Auswahl des Betätigers
HINWEIS
Schäden am Gerät durch ungeeigneten Betätiger.
Achten Sie darauf den richtigen Betätiger auszu‑
wählen (siehe Tabelle in Bild 2).
Achten Sie dabei auch auf den Türradius und die
Befestigungsmöglichkeiten (siehe Bild 4).
Es gibt folgende Ausführungen:
fBetätiger S für Sicherheitsschalter ohne Ein‑
führtrichter.
fBetätiger L für Sicherheitsschalter mit Einführtrichter.
Manuelles Entsperren
In einigen Situationen ist es erforderlich, die Zuhaltung
manuell zu entsperren (z.B. bei Störungen oder im
Notfall). Nach dem Entsperren sollte eine Funktions‑
prüfung durchgeführt werden.
Weitere Informationen finden Sie in der Norm
ENISO14119:2013, Abschn. 5.7.5.1. Das Gerät
kann folgende Entsperrfunktionen besitzen:
Hilfsentriegelung
Bei Funktionsstörungen kann mit der Hilfsentriegelung
die Zuhaltung, unabhängig vom Zustand des Magnets,
entsperrt werden.
Beim Betätigen der Hilfsentriegelung werden die
Kontakte geöffnet. Mit diesen Kontakten muss
ein Stoppbefehl erzeugt werden.
Hilfsentriegelung betätigen
1. Sicherungsschraube herausdrehen.
2. Hilfsentriegelung mit Schraubendreher in Pfeil‑
richtung auf drehen.
¨ Die Zuhaltung ist entsperrt
Wichtig!
fBeim manuellen Entsperren darf der Betätiger
nicht unter Zugspannung stehen.
fZur Sicherung gegen Manipulation muss die Hilfs‑
entriegelung vor Inbetriebnahme des Schalters
versiegelt werden (z.B. durch Sicherungslack).
fDie Sicherungsschraube muss nach der Montage
und nach jedem Gebrauch der Hilfsentriegelung
wieder eingeschraubt und versiegelt werden
(z.B. durch Sicherungslack). Anzugsdrehmoment
0,5Nm.