1
CONTENTS
CONTENTS....................................................................................................................................... 1
SAFETY PRECAUTIONS..................................................................................................................... 2
ELECTRICAL SAFETY..................................................................................................................... 3
GENERAL SAFETY......................................................................................................................... 4
1 SPECIFICATIONS ........................................................................................................................... 5
2 EXPLODED VIEW AND PARTS LIST................................................................................................ 7
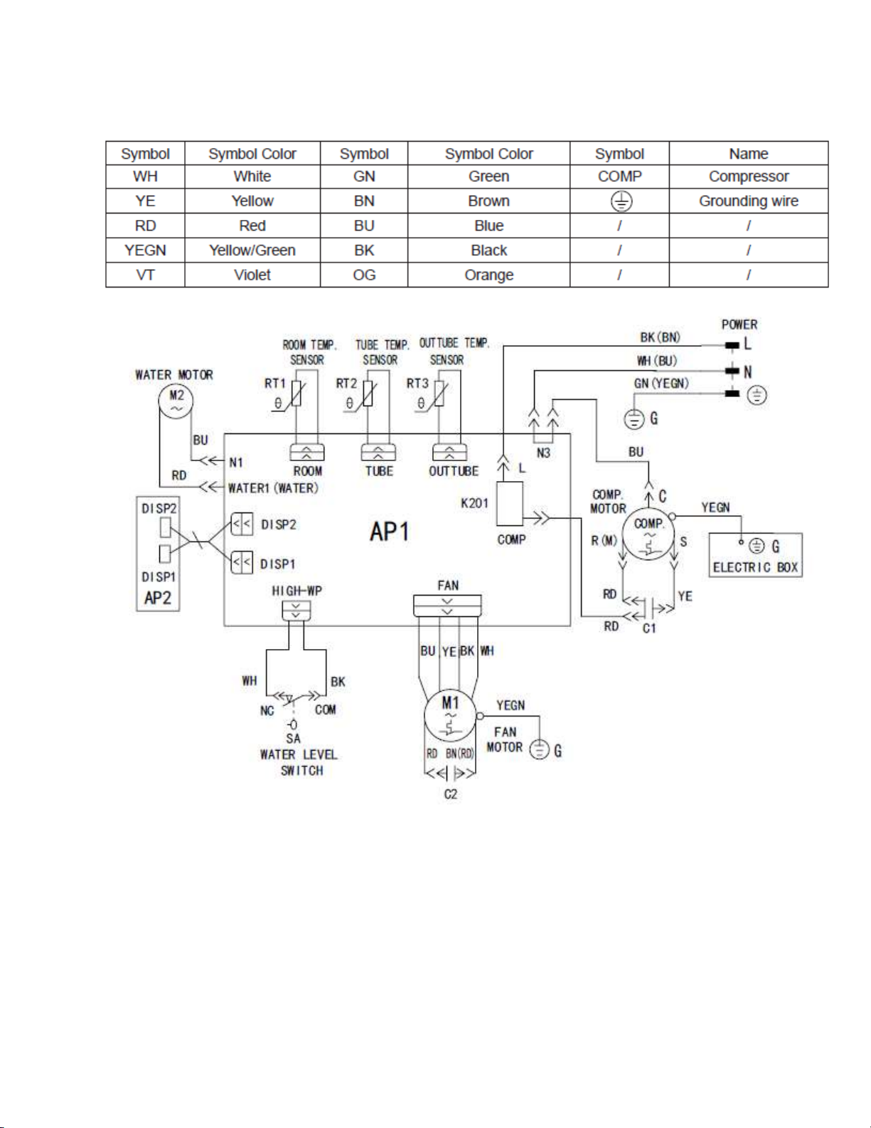
3 WIRING DIAGRAM........................................................................................................................ 9
4 PCB DIAGRAM ............................................................................................................................ 10
5 REFRIGERANT SYSTEM DIAGRAM .............................................................................................. 10
6 MODES AND OPERATING CONDITIONS ..................................................................................... 11
6.1 TEMPERATURE PARAMETERS INDOOR............................................................................... 11
6.2 COOLING MODE.................................................................................................................. 11
6.3 DRY MODE........................................................................................................................... 11
6.4 FAN MODE .......................................................................................................................... 11
6.5 AUTO MODE........................................................................................................................ 12
6.6 TIMER MODE....................................................................................................................... 12
6.7 SLEEP MODE........................................................................................................................ 12
6.8 FREEZE PREVENTION MODE ............................................................................................... 12
6.9 COMPRESSOR PROTECTION MODE .................................................................................... 12
6.10 OVERFLOW PREVENTION MODE ...................................................................................... 12
7 TROUBLESHOOTING................................................................................................................... 13
7.1 TROUBLESHOOTING GUIDE ................................................................................................ 13
7.2 ERROR CODES ..................................................................................................................... 14
8 UNIT DISASSEMBLY ................................................................................................................ 17