
Design notes| history | theory: as also in some camps of thought ac heated tubes ‘sound better’
and is speculated to prolongs tube life.
a dc heated board will be available in the near future.
but by keeping the design AC , readily available power transformers
can be used , eliminating the need for custom jobs.
the design allows the use of a 6.3v 2amp DC power supply.
if wanted simply route the 6.3 dc into the pcb heater pads.
in heavy experimentation with fully regulated high voltage
power supplies and dc regulated heaters ,
this design and early prototypes kept shining though
with almost equivalent specs.
the hv power supply remains a full wave dual diode type
as found on the original unit , but the addition of fred diodes
and use of cde tc series or atom capacitors is a very effective
upgrade.
Although this design does not replace the ver2 opto pcb
it does explore many new concepts and ideas in tube circuity design.
the design layout was made by hand over the course of a year.
the goals were to revolve the circuit around the shortest Connections
Possible ,
often designers rely on component placement first ,
circuit second , with the advent of more advanced pcb design programs and
auto routing Capabilities , it seems that designers are more
Interested in simply connecting a circuit then taking the time to balance
the form and Functionality of it .
there is no ‘rats nest ‘ in this design , it is elegant as it is
functional.
i chose the design based on a flower type interconnection to the
vacuum tubes insuring a greater separation to protect against
interference from adjacent tracks.
great care has been taken in the design of both the amplifier
section and the reduction circuit.
the use of a ground plane has also helped in creating a more
compact design , yet continuing to maintain the original grounding
concept of the original unit :
separation of the audio,reduction,high voltage and input transformer
ground.
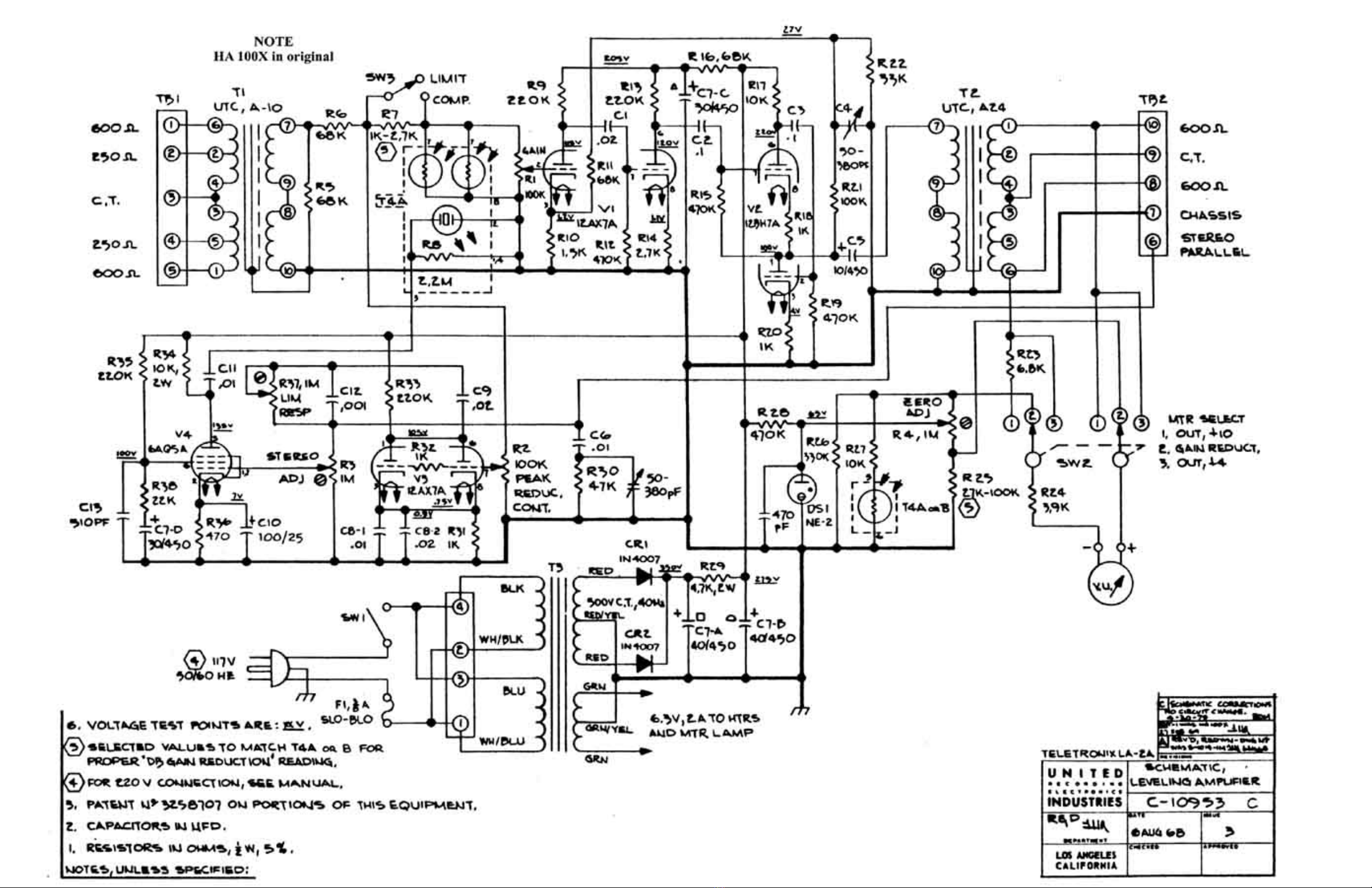
thank you for your interest in the new drip opto ver3.
the ver3 is a whole new design and layout based on the
classic ‘la’ compressor/limiter circuit.
this design is true to the schematic of the 1960s compressor
but many new features have been added to the design ,
Including a dc referenced heater circuit , and the use of
Sprague atom or cde tc series filtering capacitors.
the pcb is compatible with most equivalent audio transformers ,
but the use of sowter transformers is recommended for a seamless
build.
a lot of time,testing and prototyping has gone into this board
Assuring you the highest in quality and performance.
under many circumstances, the pcb can stand side by side with most commer-
cial and vintage units and give equal results.
the opto3 pcb uses ac powered heater filaments , but much effort
has gone into routing the heater traces away from critical
Components.
in many tests the ac heater circuit on the opto3 are as quiet as dc
rectified circuits.