
PORTABLE POWER PRODUCT WARRANTY
2
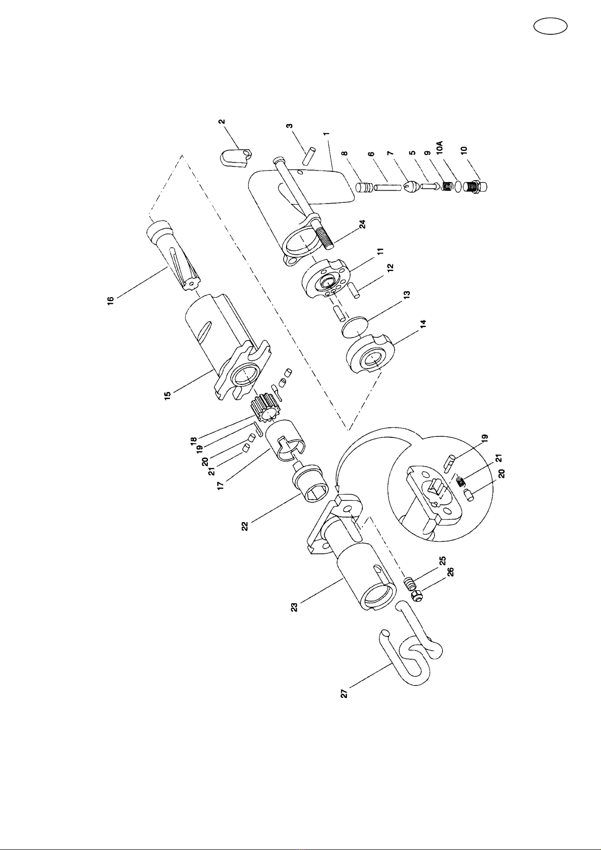
WARRANTY TOOLS
DOOSAN BENELUX SA warrants to its authorized dealers, who
in turn warrant to the end-user/owner that each new tools will be
free from proven defects in material and workmanship for twelve
(12) months from the date of delivery to the end-user/owner.
Service schedules must be adhered to, documented and genuine
parts/lubricants must be used where applicable. The warranty
does not cover oils and lubricants and latch front head assembly,
springs, seals, dampeners.
During the warranty period, the authorized Doosan Infracore
dealer shall repair or replace, at DOOSAN BENELUX SA option,
without charge for parts and labor of mechanics, any part of the
product which fails because of defects in material or
workmanship. The end user/owner shall provide the authorized
Doosan Infracore dealer with prompt written notice of the defect
and allow reasonable time for replacement or repair. DOOSAN
BENELUX SA may, at its option, request failed parts to be
returned to the factory. Transportation of the product to the
authorized Doosan Infracore dealer for warranty work is the
responsibility of the end user/ owner.
The warranty does not apply to trade accessories not
manufactured by DOOSAN BENELUX SA. The owner shall rely
solely on the warranty, if any, of the respective manufacturers
thereof. The warranty does not cover replacement of scheduled
service items such as oil, filters, tune-up parts, and other high
wear items. The warranty does not cover damages resulting from
abuse, accidents, alterations, air flow obstructions, or failure to
maintain or use the product according to the instructions
applicable to it.
DOOSAN BENELUX SA EXCLUDES OTHER CONDITIONS,
WARRANTIES OR REPRESENTATIONS OF ALL KINDS,
EXPRESSED OR IMPLIED, STATUTORY OR OTHERWISE
(EXCEPT THAT OF TITLE) INCLUDING ALL IMPLIED
WARRANTIES AND CONDITIONS RELATING TO
MERCHANTABILITY, SATISFACTORY QUALITY AND FITNESS
FOR A PARTICULAR PURPOSE.
CORRECTIONS BY DOOSAN BENELUX SA OF
NONCONFORMITIES WHETHER PATENT OR LATENT, IN THE
MANNER AND FOR THE TIME PERIOD PROVIDED ABOVE,
SHALL CONSTITUTE FULFILMENT OF ALL LIABILITIES OF
DOOSAN TRADING LTD FOR SUCH NONCONFORMITIES,
WHETHER BASED ON CONTRACT, WARRANTY, TORT,
NEGLIGENCE, INDEMNITY, STRICT LIABILITY OR
OTHERWISE WITH RESPECT TO OR ARISING OUT OF SUCH
PRODUCT.
THE REMEDIES OF THE END-USER/OWNER SET FORTH
UNDER THE PROVISIONS OF THE WARRANTY OUTLINED
ABOVE ARE EXCLUSIVE AND THE TOTAL LIABILITY OF
DOOSAN BENELUX SA INCLUDING ANY HOLDING,
SUBSIDIARY, ASSOCIATED OR AFFILIATED COMPANY OR
DISTRIBUTOR WITH RESPECT TO THIS SALE OR THE
PRODUCT AND SERVICE FURNISHED HEREUNDER IN
CONNECTION WITH THE PERFORMANCE OR BREACH
THEREOF, OR FROM DELIVERY, INSTALLATION, REPAIR OR
TECHNICAL DIRECTION COVERED BY OR FURNISHED
UNDER THIS SALE, WHETHER BASED ON CONTRACT,
WARRANTY, TORT, NEGLIGENCE, INDEMNITY, STRICT
LIABILITY OR OTHERWISE SHALL NOT EXCEED THE
PURCHASE PRICE OF THE PRODUCT UPON WHICH SUCH
LIABILITY IS BASED.
DOOSAN BENELUX SA INCLUDING ANY HOLDING,
SUBSIDIARY, ASSOCIATED OR AFFILIATED COMPANY AND
DISTRIBUTOR SHALL IN NO EVENT BE LIABLE TO THE END
USER/OWNER, ANY SUCCESSORS IN INTEREST OR ANY
BENEFICIARY OR ASSIGNEE RELATING TO THIS SALE FOR
ANY CONSEQUENTIAL, INCIDENTAL, INDIRECT, SPECIAL OR
PUNITIVE DAMAGES ARISING OUT OF THIS SALE OR BY
ANY BREACH THEREOF, OR ANY DEFECT IN, OR FAILURE
OF, OR MALFUNCTION OF THE PRODUCT UNDER THIS
SALE, WHETHER BASED UPON LOSS OF USE, LOST
PROFITS OR REVENUE, INTEREST, LOST GOODWILL, WORK
STOPPAGE, IMPAIRMENT OF OTHER GOODS, LOSS BY
REASON OF SHUTDOWN OR NON-OPERATION, INCREASED
EXPENSES OF OPERATION OR CLAIMS OF USER OR
CUSTOMERS OF THE USER FOR SERVICE INTERRUPTION
WHETHER OR NOT SUCH LOSS OR DAMAGE IS BASED ON
CONTRACT, WARRANTY, TORT, NEGLIGENCE, INDEMNITY,
STRICT LIABILITY OR OTHERWISE