
8W-15 GROUND DISTRIBUTION
Component Page
Amplifier-Radio ......................8W-15-14
Assembly-Exhaust Gas Recirculation Valve ....8W-15-3
Assembly-Natural Vacuum Leak Detection ....8W-15-9
Battery .............................8W-15-2
Cluster ............................8W-15-13
Clutch-A/C Compressor ..................8W-15-3
Control-A/C-Heater ....................8W-15-10
Data Link Connector ...................8W-15-13
Fan Module-Condenser Cooling ............8W-15-4
G100 .............................8W-15-2, 3
G102 ...............................8W-15-9
G110...............................8W-15-2
G111...............................8W-15-2
G112...............................8W-15-4
G113.............................8W-15-5, 6
G114 ...........................8W-15-7, 8, 9
G201 ..............................8W-15-14
G207 ...........................8W-15-10, 11
G208 ...........................8W-15-12, 13
G210 ..............................8W-15-14
G304 ..............................8W-15-15
G305 ..............................8W-15-14
G306 ...................8W-15-16, 17, 18, 19, 20
Generator ...........................8W-15-3
Glass-Liftgate-Heated ..................8W-15-15
Heater-Cushion Pad-Driver ..............8W-15-18
Heater-Cushion Pad-Passenger ............8W-15-18
Horn-No. 1 ...........................8W-15-5
Horn-No. 2 ...........................8W-15-4
Junction Block ........................8W-15-9
Lamp-Center Bezel ....................8W-15-10
Lamp-Dome-Front .....................8W-15-17
Lamp-Dome-Rear .....................8W-15-17
Lamp-Fog-Left Front ....................8W-15-5
Lamp-Fog-Right Front ..................8W-15-4
Lamp-Headlamp-Left ...................8W-15-5
Lamp-Headlamp-Right ..................8W-15-4
Lamp-High Mounted Stop ...............8W-15-15
Lamp-License Plate ....................8W-15-15
Lamp-Liftgate .......................8W-15-15
Lamp-Park/Turn-Left Front ...............8W-15-5
Lamp-Park/Turn-Right Front ..............8W-15-4
Lamp-Reading-Front ...................8W-15-17
Lamp-Side Marker-Left Front .............8W-15-5
Lamp-Side Marker-Right Front ............8W-15-4
Lamp-Tail/Stop/Turn-Left ................8W-15-15
Lamp-Tail/Stop/Turn-Right ...............8W-15-19
Lamp-Vanity-Left .....................8W-15-17
Lamp-Vanity-Right ....................8W-15-17
Latch-Door-Left Front ..................8W-15-16
Latch-Door-Left Rear ...................8W-15-15
Latch-Door-Right Front .................8W-15-19
Latch-Door-Right Rear ..................8W-15-20
Media System-Monitor/Dvd ..............8W-15-17
Mirror-Inside Rearview .................8W-15-17
Mirror-Outside Rearview-Driver ...........8W-15-16
Mirror-Outside Rearview-Passenger ........8W-15-19
Module-Antilock Brakes .................8W-15-8
Module-Brake Provision .................8W-15-9
Component Page
Module-Electronic Overhead ..............8W-15-17
Module-Front Control .................8W-15-7, 8
Module-Fuel Pump .....................8W-15-9
Module-Hands Free ....................8W-15-11
Module-Heated Seat ...................8W-15-18
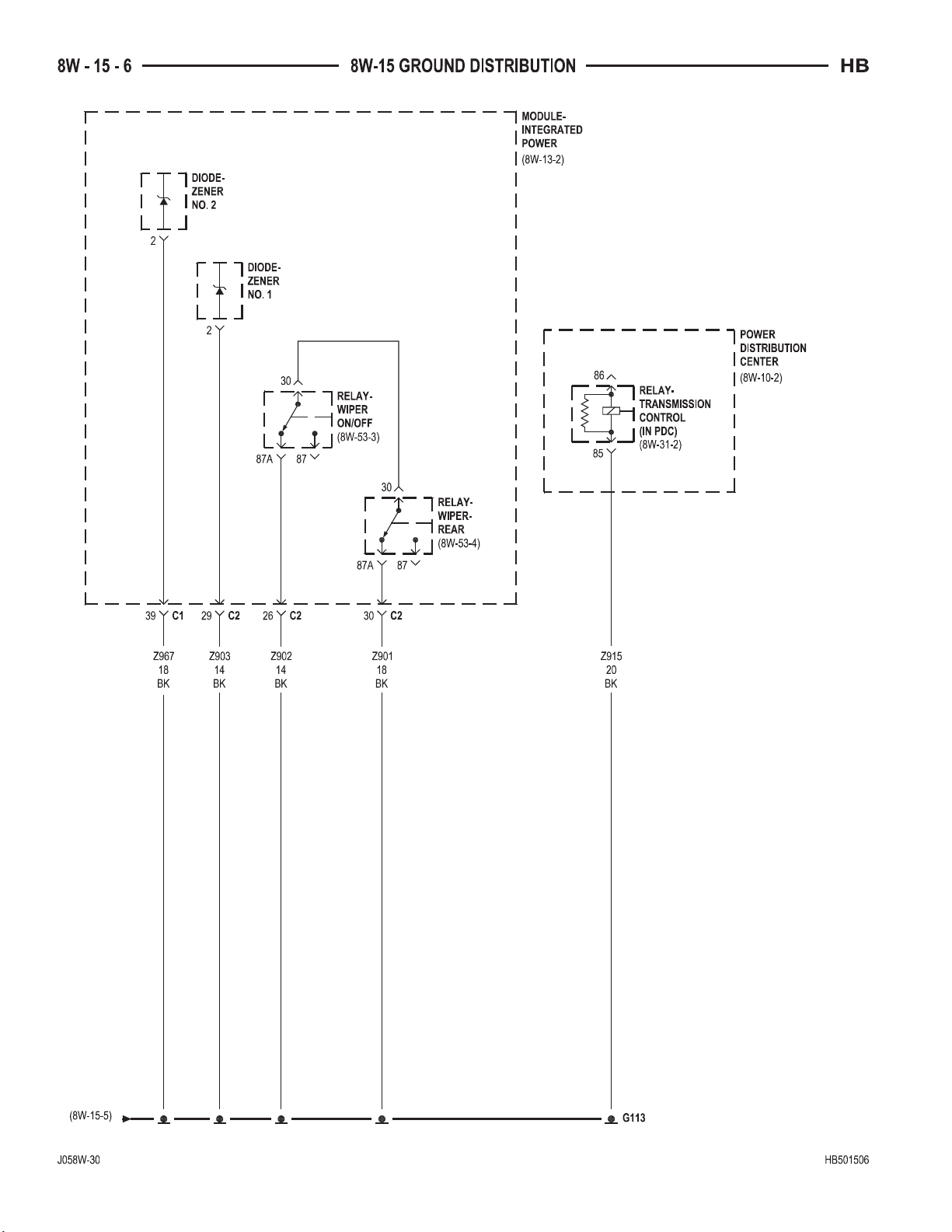
Module-Integrated Power .............8W-15-6, 7, 8
Module-Memory Mirror-Driver ............8W-15-16
Module-Memory Mirror-Passenger .........8W-15-19
Module-Occupant Classification ...........8W-15-20
Module-Occupant Restraint Controller .......8W-15-14
Module-Power-Blower Motor-Front .........8W-15-10
Module-Powertrain Control ...............8W-15-2
Module-Seat Memory ...................8W-15-19
Module-Sentry Key Remote Entry ..........8W-15-12
Motor-Rear Window Wiper ...............8W-15-15
Motor-Sunroof .......................8W-15-17
Motor-Windshield Wiper .................8W-15-5
Power Distribution Center ................8W-15-6
Power Outlet-Console ..................8W-15-20
Power Outlet-Instrument Panel ...........8W-15-11
Power Outlet-Rear ....................8W-15-15
Pump-Auxiliary Coolant .................8W-15-4
Radio ..............................8W-15-14
Receiver-Satellite .....................8W-15-15
Relay-Blower Motor-Rear .................8W-15-9
Relay-Transmission Control ...............8W-15-6
Relay-Wiper On/Off .....................8W-15-6
Relay-Wiper-Rear ......................8W-15-6
Sensor-Brake Fluid Level ................8W-15-8
Sensor-Infrared .......................8W-15-17
Sensor-Oxygen-Left Front ................8W-15-3
Sensor-Oxygen-Left Rear .................8W-15-3
Sensor-Oxygen-Right Front ...............8W-15-3
Sensor-Oxygen-Right Rear ................8W-15-3
Servo-Speed Control ....................8W-15-4
Solenoid-Brake Transmission Shift Interlock . . 8W-15-12
Switch And Lamp-Glove Box .............8W-15-10
Switch-Adjustable Pedals ................8W-15-12
Switch-Headlamp .....................8W-15-12
Switch-Heated Seat-Driver ...............8W-15-11
Switch-Heated Seat-Passenger ............8W-15-11
Switch-Hood Ajar ......................8W-15-9
Switch-Ignition .......................8W-15-13
Switch-Liftgate Ajar ...................8W-15-15
Switch-Mirror ........................8W-15-16
Switch-Power Steering Pressure ............8W-15-3
Switch-Seat Belt-Driver .................8W-15-20
Switch-Seat-Driver ....................8W-15-18
Switch-Seat-Passenger ..................8W-15-20
Switch-Stop Lamp .....................8W-15-12
Switch-Sunroof .......................8W-15-17
Switch-Tow/Haul Overdrive ..............8W-15-13
Switch-Traction Control .................8W-15-12
Switch-Transfer Case Selector ............8W-15-13
Switch-Window/Door Lock-Driver ..........8W-15-16
Switch-Window/Door Lock-Passenger ........8W-15-19
Wiring-Trailer Tow 4-Way ...............8W-15-14
Wiring-Trailer Tow 7-Way ...............8W-15-14
HB 8W-15 GROUND DISTRIBUTION 8W - 15 - 1