
8W-47 AUDIO SYSTEM
Component Page
Accessory Relay .....................8W-47-2
Amplifier ....................8W-47-2, 6, 7, 8
Antenna ...........................8W-47-2
Body Control Module ...............8W-47-2, 9
CD Changer .................8W-47-10, 11, 12
Clockspring ........................8W-47-9
Data Link Connector .................8W-47-6
DVD Screen .......................8W-47-14
DVD/CD Changer .............8W-47-13, 14, 15
Front Cigar Lighter ..................8W-47-2
Front Control Module .................8W-47-2
Fuse 5 ............................8W-47-2
Fuse 14 .........................8W-47-2, 13
Fuse 20............................8W-47-6
G200 .............................8W-47-13
G202 ..............................8W-47-2
Component Page
G302 ..............................8W-47-6
Hands Free Module ..............8W-47-12, 15
Integrated Power Module .........8W-47-2, 6, 13
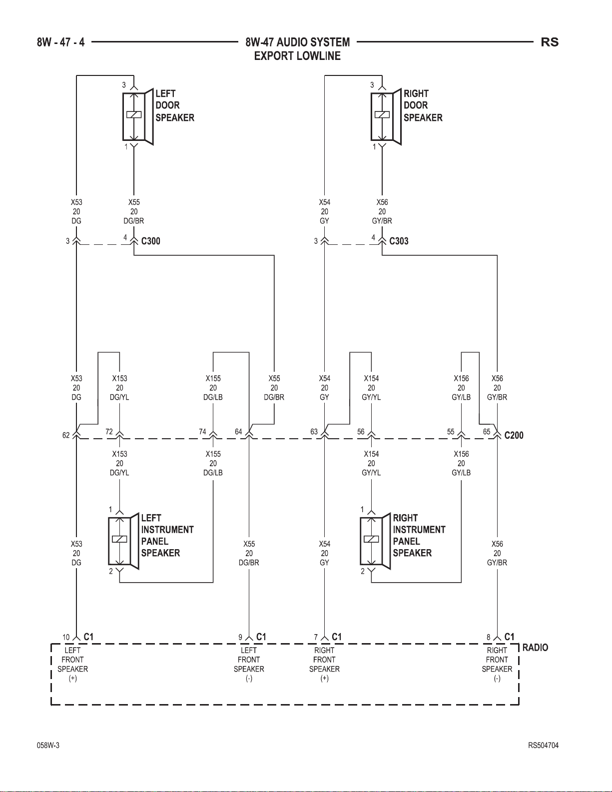
Left Door Speaker ..............8W-47-3, 4, 7, 8
Left Instrument Panel Speaker . . . 8W-47-3, 4, 7, 8
Left Rear Pillar Speaker.............8W-47-7, 8
Left Rear Speaker ...............8W-47-5, 7, 8
Left Remote Radio Switch .............8W-47-9
Overhead Console ....................8W-47-6
Radio .......8W-47-2, 3, 4, 5, 6, 10, 11, 12, 13, 15
Right Door Speaker ............8W-47-3, 4, 7, 8
Right Instrument Panel Speaker . . 8W-47-3, 4, 7, 8
Right Rear Pillar Speaker ...........8W-47-7, 8
Right Rear Speaker ..............8W-47-5, 7, 8
Right Remote Radio Switch ............8W-47-9
Right Sliding Door Control Module ......8W-47-6
RS 8W-47 AUDIO SYSTEM 8W-47-1