
8W-12 JUNCTION BLOCK
Component Page
Amplifier-Radio .......................8W-12-8
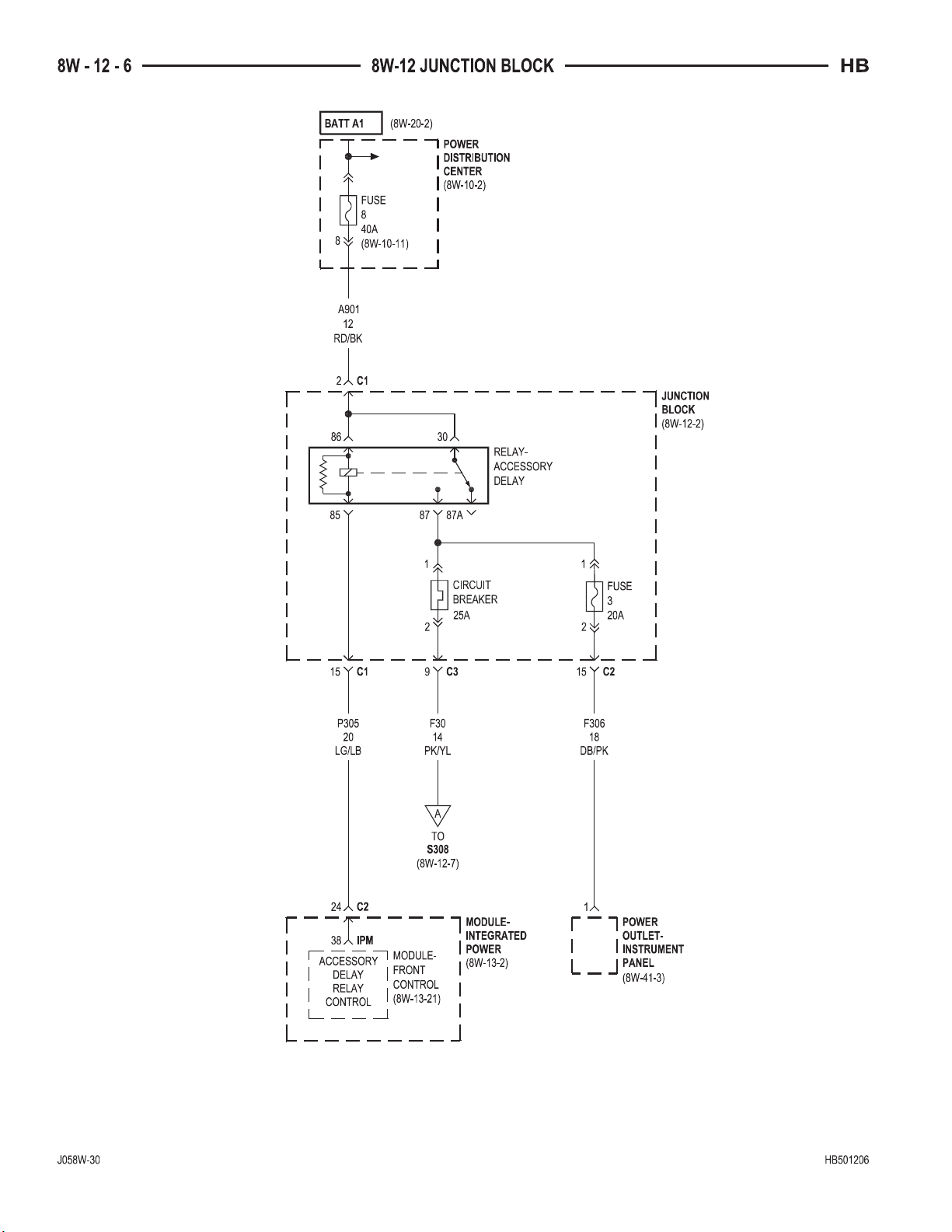
Circuit Breaker ......................8W-12-6, 7
Clockspring .........................8W-12-21
Cluster ......................8W-12-8, 11, 13, 15
Control-A/C-Heater ...............8W-12-10, 14, 22
Control-A/C-Heater-Rear ................8W-12-14
Data Link Connector ................8W-12-10, 17
Fuse 1 .............................8W-12-11
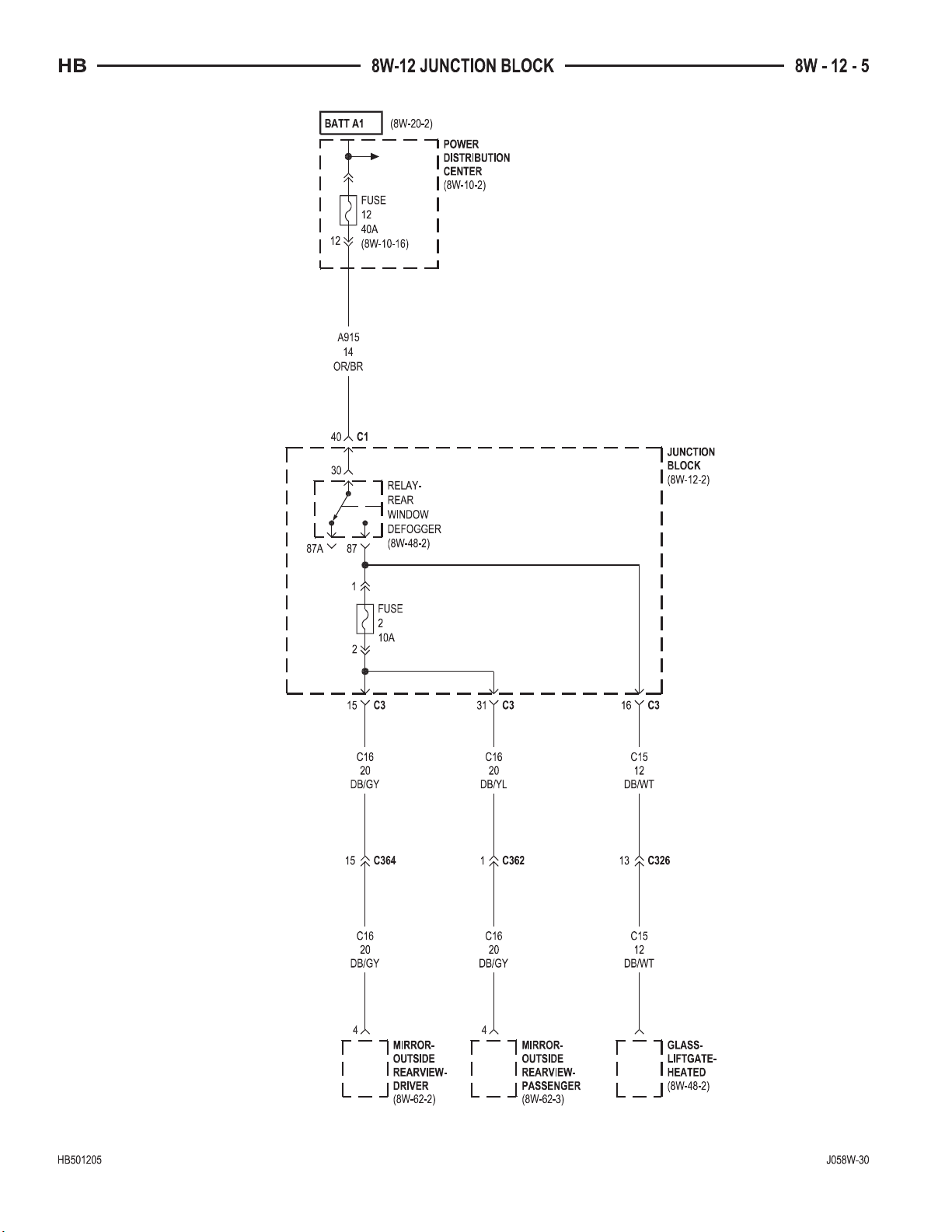
Fuse 2 ..............................8W-12-5
Fuse 3 ..............................8W-12-6
Fuse 4 .............................8W-12-15
Fuse 5 .............................8W-12-19
Fuse 6 .............................8W-12-11
Fuse 7 ..............................8W-12-8
Fuse 8 .........................8W-12-6, 8, 16
Fuse 9 ..............................8W-12-8
Fuse 10 ..........................8W-12-8, 16
Fuse 11 .............................8W-12-9
Fuse 12 ...........................8W-12-5, 9
Fuse 13 .........................8W-12-10, 20
Fuse 14 .........................8W-12-10, 16
Fuse 15 .............................8W-12-8
Fuse 16 ............................8W-12-12
Fuse 17 ............................8W-12-16
Fuse 18 ............................8W-12-12
Fuse 19 ............................8W-12-13
Fuse 24 ............................8W-12-14
Fuse 25 .........................8W-12-14, 20
Fuse 26 ............................8W-12-14
Fuse 27 ..........................8W-12-9, 11
Fuse 28 ............................8W-12-10
Fuse 33 .............................8W-12-8
Fuse 34 ............................8W-12-15
Fuse 35 ............................8W-12-15
G114..............................8W-12-14
Glass-Liftgate-Heated ...................8W-12-5
Junction Block . 8W-12-2, 5, 6, 8, 9, 10, 11, 12, 13, 14, 15,
16, 17, 18, 19, 20, 21, 22, 23
Lamp-High Mounted Stop ...............8W-12-18
Lamp-License Plate ....................8W-12-16
Lamp-Passenger Airbag On/Off Indicator .....8W-12-12
Lamp-Tail/Stop/Turn-Left ..........8W-12-16, 18, 22
Lamp-Tail/Stop/Turn-Right .........8W-12-16, 18, 22
Media System-Monitor/Dvd ...............8W-12-9
Mirror-Inside Rearview ..............8W-12-13, 22
Mirror-Outside Rearview-Driver ............8W-12-5
Mirror-Outside Rearview-Passenger .........8W-12-5
Module-Antilock Brakes .................8W-12-14
Module-Brake Provision .................8W-12-18
Module-Electronic Overhead ..............8W-12-10
Module-Front Control . 8W-12-6, 12, 14, 15, 16, 17, 18, 22
Component Page
Module-Hands Free ....................8W-12-10
Module-Heated Seat ...................8W-12-19
Module-Integrated Power . 8W-12-6, 9, 10, 12, 14, 15, 16,
22
Module-Memory Mirror-Driver .............8W-12-8
Module-Memory Mirror-Passenger ..........8W-12-8
Module-Occupant Classification ....8W-12-8, 12, 17, 18
Module-Occupant Restraint Controller . 8W-12-12, 14, 17,
18
Module-Power-Blower Motor-Front .........8W-12-12
Module-Powertrain Control . 8W-12-12, 15, 17, 20, 21, 23
Module-Seat Memory ...................8W-12-19
Module-Sentry Key Remote Entry .......8W-12-10, 12
Motor-Blower-Rear ....................8W-12-20
Motor-Rear Window Wiper ...............8W-12-16
Motor-Sunroof ......................8W-12-7, 15
Power Distribution Center . . 8W-12-5, 6, 8, 11, 15, 19, 20
Power Outlet-Console ..................8W-12-15
Power Outlet-Instrument Panel ............8W-12-6
Power Outlet-Rear ....................8W-12-15
Pump-Auxiliary Coolant ................8W-12-22
Radio ..............................8W-12-9
Receiver-Satellite ......................8W-12-9
Relay-A/C Clutch .....................8W-12-12
Relay-Accessory Delay ...................8W-12-6
Relay-Adjustable Pedals ................8W-12-16
Relay-Blower Motor-Front ...............8W-12-12
Relay-Blower Motor-Rear .............8W-12-14, 20
Relay-Fuel Pump .....................8W-12-12
Relay-Park Lamp .....................8W-12-16
Relay-Rear Window Defogger ...........8W-12-5, 14
Relay-Wiper-Rear .....................8W-12-16
Sensor-Accelerator Pedal Position ..........8W-12-23
Sensor-Infrared .......................8W-12-13
Servo-Speed Control ...................8W-12-20
Switch-Adjustable Pedals ................8W-12-16
Switch-Heated Seat-Driver ...............8W-12-13
Switch-Heated Seat-Passenger ............8W-12-13
Switch-Ignition ....................8W-12-11, 15
Switch-Mirror .......................8W-12-7, 8
Switch-Seat-Driver ....................8W-12-19
Switch-Seat-Passenger ..................8W-12-19
Switch-Speed Control-Left ...............8W-12-21
Switch-Speed Control-Right ..............8W-12-21
Switch-Stop Lamp ..................8W-12-18, 20
Switch-Tow/Haul Overdrive ..............8W-12-23
Switch-Transfer Case Selector ............8W-12-13
Switch-Window/Door Lock-Driver ...........8W-12-7
Switch-Window/Door Lock-Passenger ........8W-12-7
HB 8W-12 JUNCTION BLOCK 8W - 12 - 1