
ΣΗΜΑΝΤΙΚΕΣ ΣΗΜΕΙΩΣΕΙΣ ΑΣΦΑΛΕΙΑΣ:
ΠΑΡΑΚΑΛΟΥΜΕ ΔΩΣΤΕ ΠΡΟΣΟΧΗ ΣΤΑ ΑΚΟΛΟΥΘΑ ΠΡΟΛΗΠΤΙΚΑ ΜΕΤΡΑ, ΠΡΙΝ
ΣΥΝΑΡΜΟΛΟΓΗΣΕΤΕ Ή ΧΡΗΣΙΜΟΠΟΙΗΣΕΤΕ ΤΟ ΜΗΧΑΝΗΜΑ.
► Αυτό το όργανο έχει ελεγχεί μέχρι μέγιστο βάρος χρήστη 130kg/290 lbs.
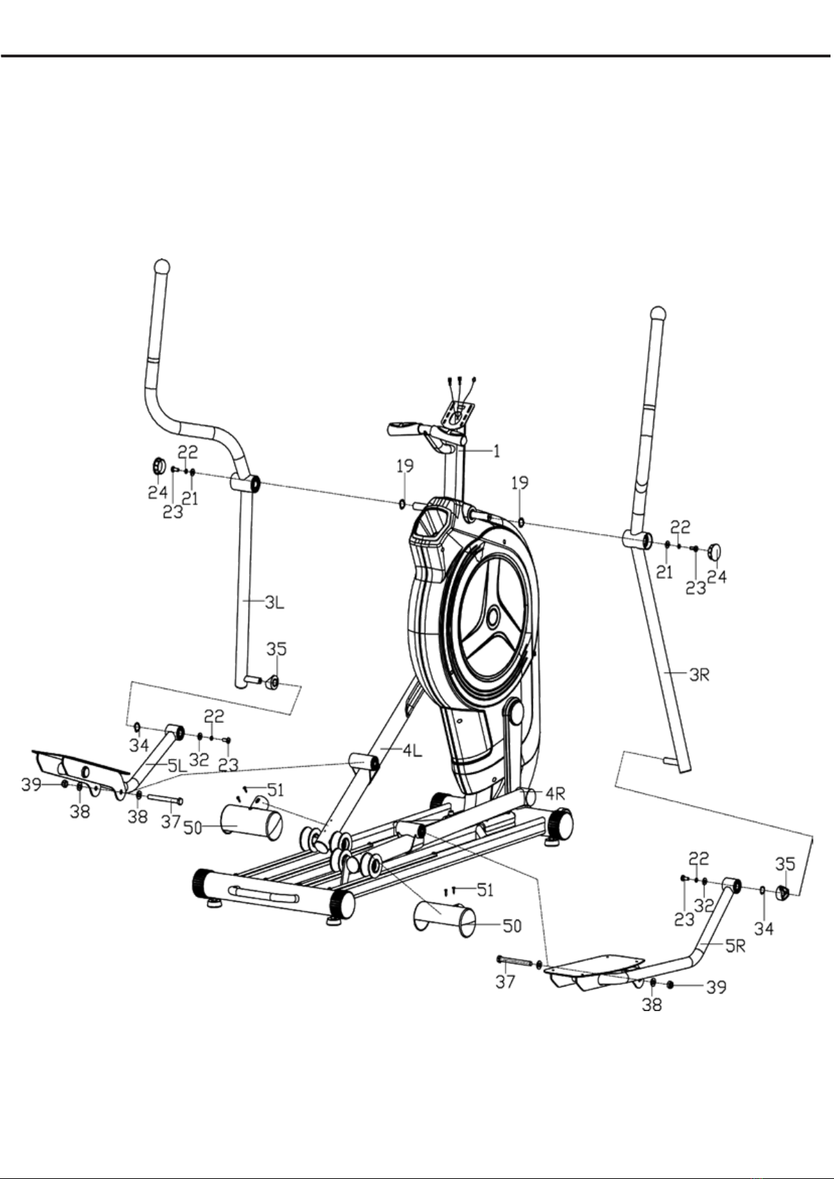
Ακολουθήστε προσεκτικά τα διάφορα βήματα των οδηγιών συναρμολόγησης.
Χρησιμοποιήστε μόνο τα αυθεντικά μέρη που σας παραδόθηκαν.
Πριν ξεκινήσετε την συναρμολόγηση, βεβαιωθείτε ότι η παράδοση είναι ολοκληρωμένη,
χρησιμοποιώντας την περιλαμβανόμενη λίστα μερών.
Για την συναρμολόγηση, χρησιμοποιήστε μόνο τα κατάλληλα εργαλεία και ζητήστε βοήθεια στην
συναρμολόγηση, εάν χρειαστεί.
Τοποθετείστε το όργανο επάνω σε μια ισορροπημένη και αντιολισθητική επιφάνεια. Λόγω πιθανής
διάβρωσης, δεν συνίσταται η χρήση του διαδρόμου σε σημεία με υγρασία.
Αυτό το μηχάνημα προορίζεται για εσωτερική χρήση, εντός οικίας. Είναι κατάλληλο για οικιακή
χρήση, σε οικίες όπου η πρόσβαση στον εξοπλισμό εποπτεύεται από τον ιδιοκτήτη (το άτομο που
φέρει νομική ευθύνη).
Προτού ξεκινήσετε την άσκηση, αφαιρέστε όλα τα αντικείμενα σε ακτίνα 2 μέτρων από το μηχάνημα.
Η ελεύθερη/κενή περιοχή γύρω από το μηχάνημα, δεν θα πρέπει να είναι μικρότερη από 0.6 μέτρα
προς κάθε κατεύθυνση από όπου υπάρχει πρόσβαση στο μηχάνημα. Η ελεύθερη/κενή περιοχή θα
πρέπει επίσης να περιλαμβάνει τον χώρο επείγοντος κατεβάσματος.
Ελέγξτε πριν την πρώτη χρήση και κάθε 2 μήνες, ότι όλα συνδετικά στοιχεία είναι σωστά
συνδεδεμένα και σε καλή κατάσταση.
Κατά την άσκηση, φοράτε πάντα κατάλληλο αθλητικό ρουχισμό και υποδήματα.
Αντικαταστήστε άμεσα τα ελαττωματικά μέρη και/ή κρατήστε τον εξοπλισμό εκτός χρήσης έως ότου
επισκευαστεί.
Για επισκευές, χρησιμοποιήστε μόνο αυθεντικά ανταλλακτικά.
Σε περίπτωση επισκευής, παρακαλούμε απευθυνθείτε στον προμηθευτήσας για συμβουλές.
Αποφύγετε την χρήση πολύ ισχυρών απορρυπαντικών κατά τη διάρκεια του καθαρίσματος.
Βεβαιωθείτε ότι η άσκηση ξεκινά έπειτα από σωστή συναρμολόγηση και έλεγχο.
Για όλα τα ρυθμιζόμενα μέρη, ενημερωθείτε για τα μέγιστα επίπεδα που μπορούν να ρυθμιστούν
/σφιχθούν.
Αυτός ο εξοπλισμός προορίζεται για ενήλικες. Βεβαιωθείτε ότι τα παιδιά χρησιμοποιούν τον
εξοπλισμό αποκλειστικά υπό την επίβλεψη κάποιου ενήλικα.
Το όργανο αυτό μπορεί να χρησιμοποιηθεί μόνο από ένα άτομο τη φορά.
Άτομα με αναπηρία δεν θα πρέπει να χρησιμοποιούν το όργανο αυτό, χωρίς την επίβλεψη
ειδικευμένων προσώπως ή γιατρών.
Βεβαιωθείτε ότι οι παρόντες είναι ενήμεροι για πιθανούς κινδύνους, π.χ. κινούμενα μέρη κατά τη
διάρκεια της χρήσης.
ΠΡΟΣΟΧΗ: λανθασμένη/υπερβολική άσκηση μπορεί να προκαλέσει τραυματισμούς και
προβλήματα υγείας.
Παρακαλούμε ακολουθείστε τις συμβουλές σωστής άσκηςη, όπως περιγράφονται λεπτομερώς στις
οδηγίες άσκησης.
Διαβάστε όλες τις οδηγίες πριν από την χρήση.
►
►
►
►
►
►
►
►
►
►
►
►
►
►
►
►
►
►
►
►
►
►
►
ΠΡΟΣΟΧΗ! Συμβουλευτείτε το γιατρό σας προτού ξεκινήσετε οποιοδήποτε πρόγραμμα άσκησης. Μπορεί
να σας συμβουλέψει στο ποιο είδος άσκησης είναι κατάλληλο.
ΠΡΟΣΟΧΗ! Αυτό το όργανο δεν είναι κατάλληλο για θεραπευτικούς ή ιατρικούς σκοπούς.
ΠΡΟΣΟΧΗ! Η υπερβολική άσκηση μπορεί να οδηγήσει σε τραυματισμούς ή θάνατο. Εάν παρουσιάσετε
ζαλάδα, ναυτία, πόνους στο στήθος, ή οποιαδήποτε άλλα ασυνήθη συμπτώματα ΣΤΑΜΑΤΗΣΤΕ ΑΜΕΣΩΣ
ΤΗΝ ΑΣΚΗΣΗ ΚΑΙ ΣΥΜΒΟΥΛΕΥΤΕΙΤΕ ΓΙΑΤΡΟ ΔΙΧΩΣ ΚΑΘΥΣΤΕΡΗΣΗ.
ΠΡΟΣΟΧΗ! Ακατάλληλη χρήση του οργάνου, όπως υπό την επιρροή ναρκωτικών ή αλκοόλ, άσκηση
αντίθετη στις οδηγίες, ή υπερβολική χρήση, μπορεί να οδηγήσει σε σοβαρούς τραυματισμούς ή θάνατο.
ΠΡΟΣΟΧΗ! Λανθασμένη/υπερβολική άσκηση μπορεί να προκαλέσει τραυματισμούς και προβλήματα υγείας.