
I-1022 Page 8 of 8
Rev. B-36992 6/17/11
Troubleshooting (Some models may not include all items listed below)
Symptom Probable Cause Remedy
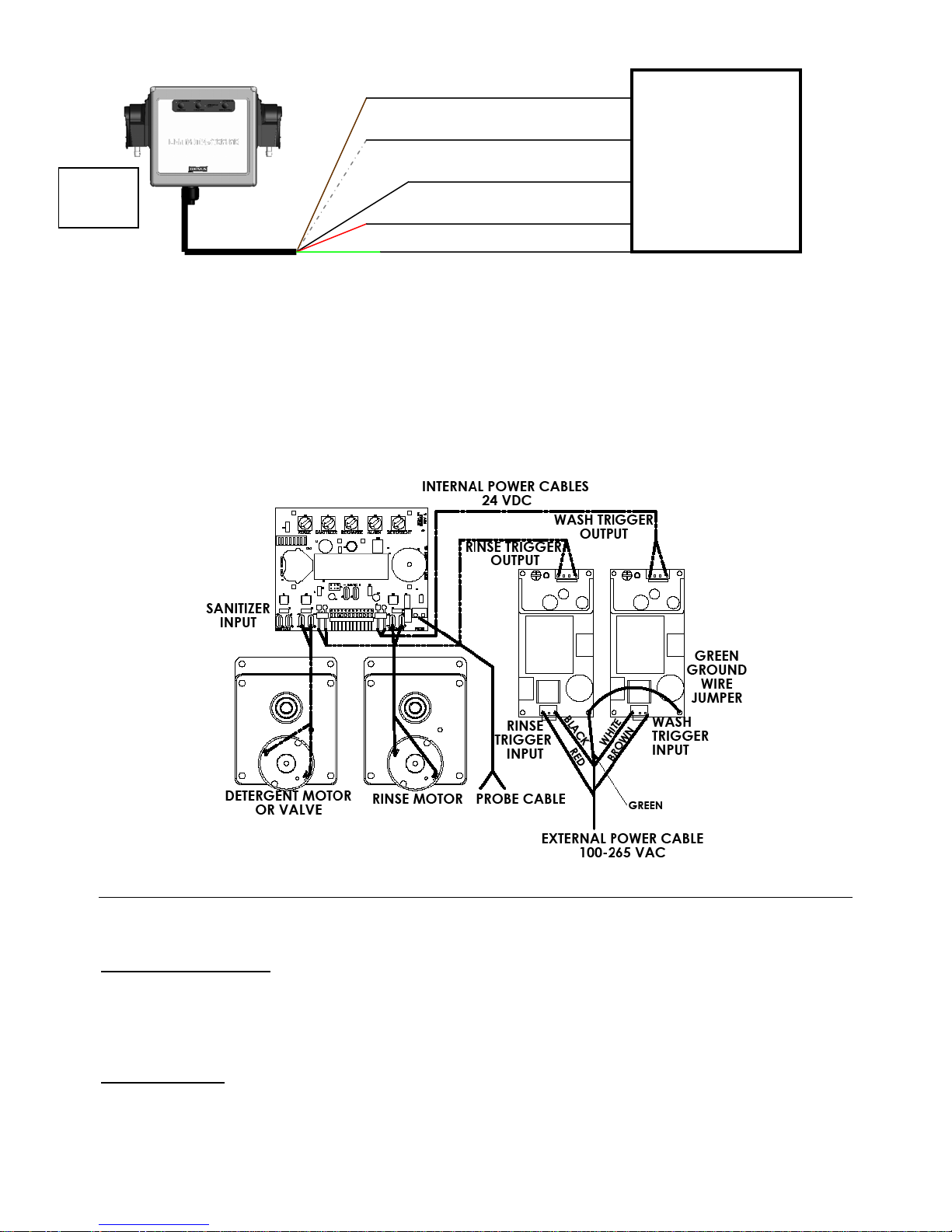
No power is being supplied
to the unit 1. Trigger cables connected to the wrong
place on the machine.
2. Switch on bottom of unit is turned off.
(Some units may not have a switch)
3. Power is not cycling on the machine
properly.
4. Trigger/Power cable is damaged from
installation.
1. Check wiring diagram for proper connection and
contact dish machine manufacturer for correct
trigger placement.
2. Make sure switch is turned on.
3. Check with the dish machine manufacturer if all
power should have been restored to the unit to see
if there is an issue with the machine.
4. Turn power to the dish machine off and inspect the
cable for any possible damage done.
Pumps are not priming like
they should be or not
holding a prime
1. Hole in the tubing from the chemical
container to the pump head.
2. Hole in the squeeze tube in the pump
head.
3. Pump fitting is not tight on the tubing
1. Check the tubing from the chemical container to
the pump head for leaks by feeling the tubing for
chemical that has leaked out. Replace the tube if
necessary.
2. Replace the squeeze tube after inspecting it for a
possible hole or leak.
3. Check both the inlet and outlet pump fitting and
tighten if necessary to create a good seal.
Pump over feeding 1. If in concentration or probe mode,
Pulse feed may be turned off.
2. If in concentration or probe mode,
probe cable may not be connected
properly.
3. If a probe is being used, scale could be
built up on the probe.
4. Dip switch is on High Range and knob
is set for low range.
1. Check the dip switches and turn the pulse feed on.
2. Check the probe cable connection points and make
sure it is connected properly.
3. Clean Probe.
4. Switch dip switch to low range or set knob to
needed setting.
Pump under feeding 1. If in concentration or probe mode, the
probe cable may be shorted.
2. If a probe is being used, scale would
be build up on the probe.
3. Dip switch is on low range and knob is
set for high range.
1. Check the probe cable for any possible shorts and
correct the issue where necessary.
2. Clean Probe.
3. Check the dip switches and switch to high range if
necessary or set knob to needed setting.
Rinse/Sanitizer pump not
running 1. Speed turned off. 1. Check the knob to see the speed setting and make
sure it is turned to the proper setting.
Warranty
Merchandise Returns
No Merchandise will be Returned for Credit Without DEMA’S Written Permission. Returned Merchandise
Authorization Number is Required in Advance of Return.
Product Warranty
DEMA products are warranted against defective material and workmanship under normal use and service for
one year from the date of manufacture. This limited warranty does not apply to any products that have a
normal life shorter than one year or failure and damage caused by chemicals, corrosion, physical abuse, or
misapplication. Rubber and synthetic rubber parts such as “O”-rings, diaphragms, PVC tubing, and gaskets are
considered expendable and are not covered under warranty. This warranty is extended only to the original
buyer of DEMA products. If products are altered or repaired without prior approval of DEMA, this warranty is
void.
Defective units or parts should be returned to the factory with transportation prepaid. If inspection shows them
to be defective, they will be repaired or replaced without charge, F.O.B. factory. DEMA assumes no liability
for damages. Return merchandise authorization number must be granted in advance of returned units for repair
or replacement (See “Merchandise Returns” above).