
- 1 -
………………………………………………………………… ENGLISH ……………………………………………………………………
Thank you for choosing Delta DVP-SA2. DVP-SA2 is a 12-point (8DI + 4DO) PLC MPU,
offering various instructions and with 16k steps program memory, able to connect to all
DVP-S series extension modules and high-speed extension modules, including digital
I/O (max. 480 I/O points) and analog modules (for A/D, D/A conversion and temperature
measurement). 2 points of 100 kHz and 2 points of 10 kHz high-speed pulse output
satisfy all kinds of applications. DVP-SA2 is small in size and easy to install. Users do
not have to install any batteries in DVP-SA2 series PLCs. The PLC programs and the
latched data are stored in the high-speed flash memories.
This instruction sheet only provides introductory information on electrical
specifications, general specifications, installation and wiring. For detailed information
on programming and instructions, please refer to “DVP-SA2 Operation Manual:
Programming”. For information about optional peripherals, please see individual
product instruction sheet enclosed with DVP-SA2.
This is an OPEN TYPE device and therefore should be installed in an enclosure free
of airborne dust, humidity, electric shock and vibration. The enclosure should prevent
non-maintenance staff from operating the device (e.g. key or specific tools are
required to open the enclosure) in case danger and damage on the device may
occur.
DO NOT connect input AC power supply to any of the I/O terminals; otherwise
serious damage may occur. Check all the wiring again before switching on the power.
Make sure the ground terminal is correctly grounded in order to prevent
electromagnetic interference. DO NOT touch any terminals when the power is
switched on.
Product Profiles
COM1
COM3+
COM3-
SG
●
Y3
C0
Y1
Y2
Y0
X7
X6
ss
X2
X4
X5
X3
X1
X0
STOP
RUN
DVP-12SA2
POWER
RUN
ERROR
COM1
37.4 60
3
3
90
13
15
[ Figure 1 ]
2
1
3
4
5
7
8
9
10
12
14
6
11
16 8
12
Unit: mm
1. POWER, RUN, ERROR, COM1 indicator 9. Nameplate
2. RUN/STOP switch 10. Right-side extension port
3. VR0/VR1 11. DIN rail mounting slot (35mm)
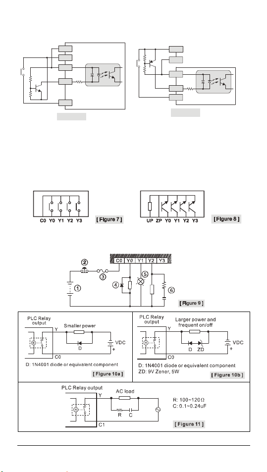
4. I/O terminals and COM3 comm. port (RS-485) 12. Extension unit clip
5. I/O point and COM2, COM3 indicator 13. COM2 communication port (RS-485)
6. COM1 communication port (RS-232) 14. Mounting rail for extension module
7. DIN rail clip 15. DC power input
8. Mounting hole for extension module 16. Left-side module connection port
Electrical Specifications
Model
Item DVP12SA211R DVP12SA211T
Power supply voltage
24 VDC (-15 to 20%)
(with counter-connection protection on the polarity of DC input power)
DVPPS01/PS02: input 100 to 240 VAC, output 24 VDC/1A (PS02: 2A)