- 4 -
2 Electrical Characteristics
2.1 Optical Characteristics
Parameter Specifications Unit
Screen Size 7” (16:9) / 8” (16:9) inch
Display Format 154.08 (H) x 86.58 (V) / 180.72 (H) x 94.27(V) dot
Dot Pitch 0.321 (H) x 0.37 (V) / 0.378 (H) x 0.429 (V) mm
Outline Dimension 164.9 (W) x 100.0 (H) x 5.7 (D)(typ.) /
193.0 (W) x 108.3 (H) x 6.7 (D)(typ.) mm
Surface Treatment Anti-Glare / Anti-Glare
Weight 160(Max)/ 198 +- 3 g
2.2 Electrical Characteristics
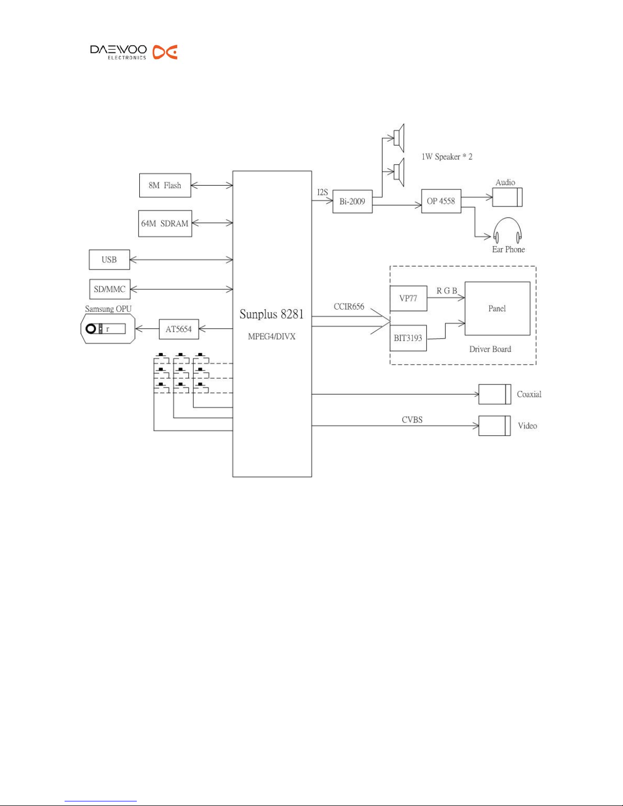
zDVD/ SVCD/ VCD/ CD/ SD Card/ MMC Card system decoding, packeted element streams
and audio, video element streams.
zFully digital servo processing (focusing, tracking, sledge and spindle servo control)
zFully digital calibration (focusing/ tracking offset and balance)
zDigital phase lock loop with phase equalizer
zSupport Audio/ Video/ Photograph decoding and programming
zTV signal encoding, interlace and progressive scan operation
zEmbedded micro-controller, up to 50MHz operating frequency
zBuilt in PLL to allow a single 27 MHz clock source input
z1.8V and 3.3V dual power supply, 256 pin PQFP