
Copyright © 2011 CyberPower Systems, Inc.
IMPORTANT SAFETY INSTRUCTIONS
This manual contains important instructions. Please read and follow all instructions carefully during installation and operation of the unit. Read this manual
thoroughly before attempting to unpack, install, or operate the UPS.
CAUTION! The UPS must be connected to a grounded AC power
outlet with fuse or circuit breaker protection. DO NOT plug the UPS into
an outlet that is not grounded. If you need to power-drain this equipment,
turn off and unplug the unit.
CAUTION! The battery can power hazardous components inside the
unit, even when the AC input power is disconnected.
CAUTION! The UPS should be placed near the connected equipment
and easily accessible.
CAUTION! To prevent the risk of fire or electric shock, install in a
temperature and humidity controlled indoor area, free of conductive
contaminants. (Please see specifications for acceptable temperature and
humidity range).
CAUTION! (No User Serviceable Parts): Risk of electric shock, do
not remove cover. No user serviceable parts inside. Refer servicing to
qualified service personnel.
CAUTION! (Non-Isolated Battery Supply): Risk of electric shock,
battery circuit is not isolated from AC power source; hazardous voltage
may exist between battery terminals and ground. Test before touching.
CAUTION! To reduce the risk of fire, connect the UPS to a branch
circuit with 40 amperes (OL6000) / 50 amperes (OL8000) / 60 amperes
(OL10000) maximum over-current protection in accordance with the
National Electric Code, ANSI/NFPA 70.
CAUTION! The AC outlet where the UPS is connected should be close
to the unit and easily accessible.
CAUTION! Please use only UL-marked mains cable, (e.g. the mains
cable of your equipment), to connect the UPS to the AC outlet.
CAUTION! Please use only UL-marked power cables to connect any
equipment to the UPS.
CAUTION! When installing the equipment, ensure that the sum of the
leakage current of the UPS and the connected equipment does not
exceed 3.5mA.
CAUTION! The OL8000/OL10000 models are permanently-connected
equipment and only qualified maintenance personnel may carry out
installations.
CAUTION! Do not unplug the unit from AC Power during operation, as
this will invalidate the protective ground insulation.
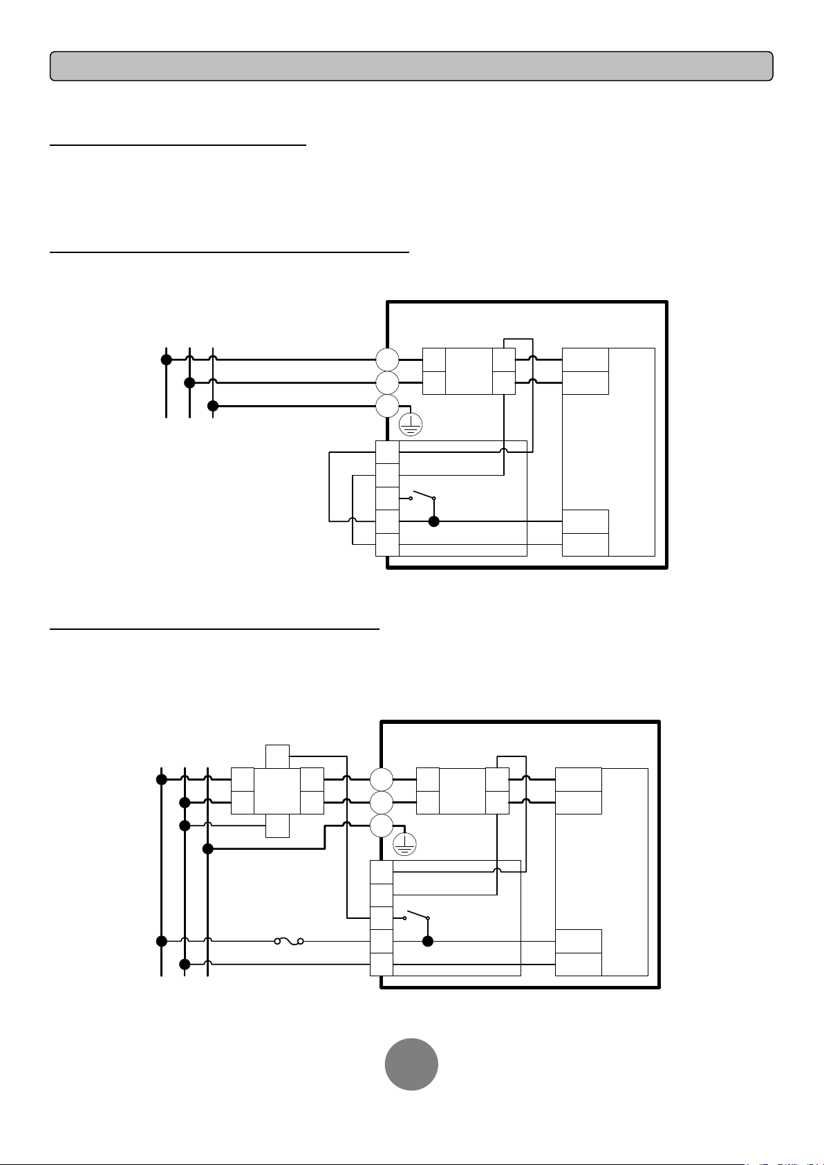
CAUTION! To avoid electric shock, turn off and unplug the unit before
installing the input/output power cord with a ground wire. Connect the
ground wire prior to connecting the line wires!
CAUTION! Do not use an improper size power cord as it may cause
damage to your equipment and cause fire hazards.
CAUTION! Wiring must be done by qualified personnel.
CAUTION! DO NOT USE FOR MEDICAL OR LIFE SUPPORT
EQUIPMENT! Under no circumstances this unit should be used for
medical applications involving life support equipment and/or patient care.
CAUTION! DO NOT USE WITH OR NEAR AQUARIUMS! To reduce
the risk of fire, do not use with or near aquariums. Condensation from
the aquarium can come in contact with metal electrical contacts and
cause the machine to short out.
CAUTION! Do not dispose of batteries in fire as the battery may
explode.
CAUTION! Do not open or mutilate the battery, released electrolyte is
harmful to the skin and eyes.
CAUTION! A battery can present a risk of electric shock and high short
circuit current. The following precaution should be observed when
working on batteries
1. Remove watches, rings or other metal objects.
2. Use tools with insulated handles.
CAUTION! The unit has a dangerous amount of voltage. When the
UPS indicators is on, the units may continue to supply power thus the
unit’s outlets may have a dangerous amount of voltage even when it’s not
plugged in to the wall outlet.
CAUTION! Make sure everything is turned off and disconnected
completely before conducting any maintenance, repairs or shipment.
CAUTION! Connect the Protection Earth (PE) safety conductor before
any other cables are connected.
WARNING! (Fuses): To reduce the risk of fire, replace only with the
same type and rating of fuse.
DO NOT INSTALL THE UPS WHERE IT WOULD BE EXPOSED TO
DIRECT SUNLIGHT OR NEAR A STRONG HEAT SOURCE!
DO NOT BLOCK OFF VENTILATION OPENINGS AROUND THE
HOUSING!
DO NOT CONNECT DOMESTIC APPLIANCES SUCH AS HAIR
DRYERS TO UPS OUTPUT SOCKETS!
SERVICING OF BATTERIES SHOULD BE PERFORMED OR
SUPERVISED BY PERSONNEL KNOWLEDGE OF BATTERIES AND
THE REQUIRED PRECAUTIONS. KEEP UNAUTHORIZED
PERSONNEL AWAY FROM BATTERIES!