
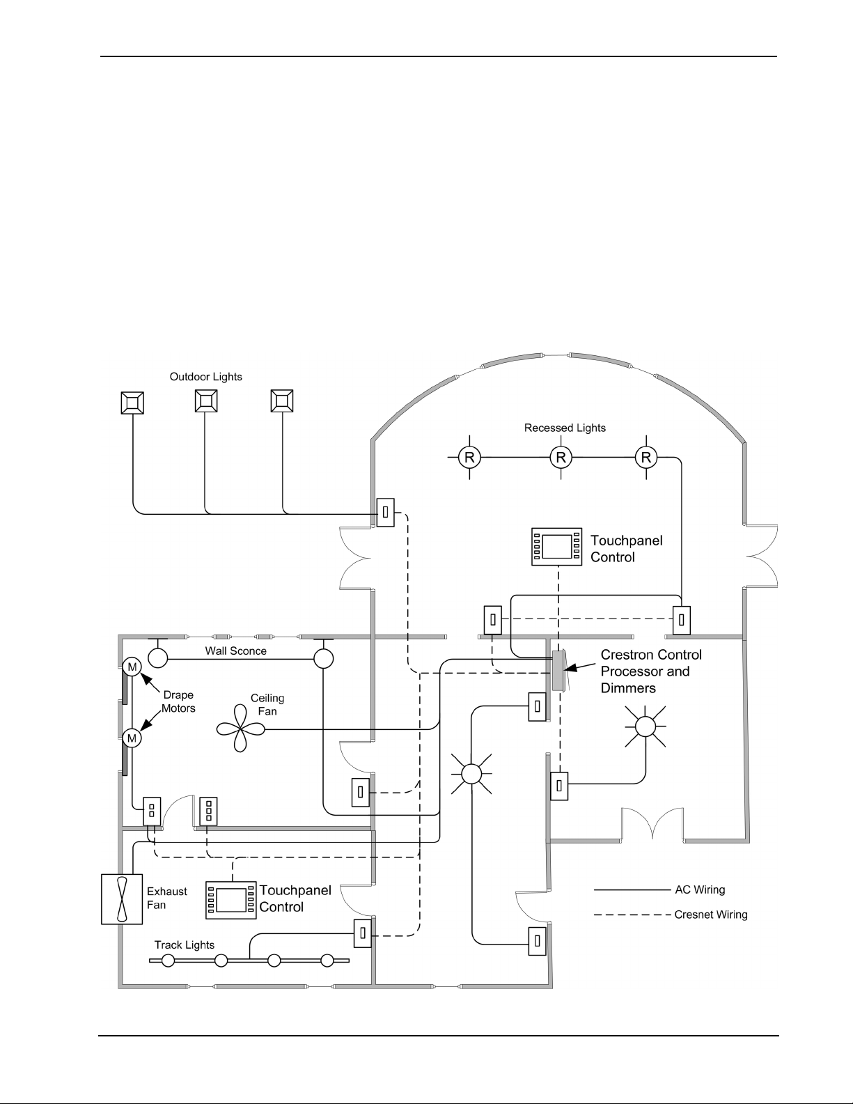
Control System Crestron Lighting
Example of a Load Schedule (Based on the room example in the previous illustration)
1 2 3 4 5 6 7 8 9
Control
Zone
Area Room Controlled Circuit
name
Controlled
Circuit
Number
Fixture Type Load Type DIM Emergency
Lighting?
Fixture
Wattage and
Voltage
Fixture
Qty
Total
Watts
Ceiling 1 Ceiling Light Incan-
descent
N Yes 100/120 1 100
Track 2 Track Light Incan-
descent
Y No 50/120 4 200
Ceiling Fan 3 Ceiling Fan Ceiling
Fan
N No 60/120 1 60
Drape Motor 1 4 Drape Motor 1 3-wire
Motor
N No 240/120 1 240
1 Floor 2 MBR
Drape Motor 2 5 Drape motor 2 3-wire
Motor
N No 240/120 1 240
Total Wattage For Floor 2 MBR 840
Load Schedule Items
1. Control Zone: Controlled circuits that are not physically wired together, but
always operating in tandem. For example, perimeter lights, sconce lights
and overhead lights all operating together.
2. Location of controlled lighting zone, relevant to building site/drawings,
floor designation, and room name.
3. Fixture and/or lamp type of controlled lighting zone, including any
information describing custom fixtures, undetermined fixtures, dimmable
transformers or fluorescent ballasts, and circuit breaker numbers. This
information can also contain the number assigned to the controlled circuit.
4. Load Type of the controlled lighting zone. Load types include incandescent,
magnetic low voltage, electronic low voltage, neon/cold cathode, HID,
dimmable/non-dimmable fluorescent ballast, ceiling fans, and switched 3-
wire motor circuits. This information is especially important for selecting
the correct Crestron module power rating and type.
5. Dimming requirement for the controlled lighting zone (i.e. whether the
lighting level of the loads/fixtures needs to be ramped up/down or simply
switched on/off). Indicate: “Yes” for Dimming, and “No” for Non-Dim.
6. Emergency designation for the controlled lighting zone (Yes/No; i.e. when
a load also needs to be assigned to a separate emergency power feed). These
items are assigned to their own separate dimmer, so it can be fed with
emergency power.
7. Fixture Wattage (Watts or Power-Rating per Fixture) with regard to the
controlled lighting zone. This is used to determine the number of fixtures
that can be powered per each Crestron Dimmer Module channel, in order
not to overload the dimmer beyond it’s own power rating. Volts rating for
the controlled lighting zone tells the designer the voltage of the electrical
feeds required for that zone, and hence the required rating for the associated
Crestron module. It is recommended, due to electrical codes, to avoid
mixing different voltages in a single enclosure.
NOTE: At the present time, all Crestron load voltage is 120 VAC.
6 •Lighting Control System Design Design Guide – DOC. 5999A