
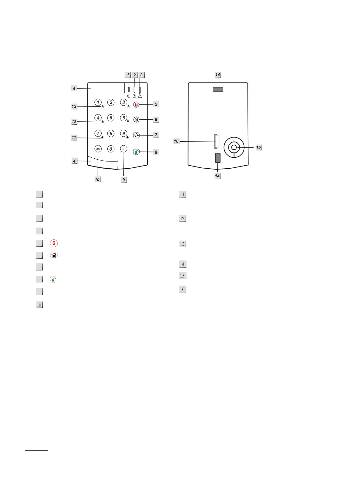
3
z
z
I
In
ns
st
ta
al
ll
la
at
ti
io
on
n
P
Pr
ro
oc
ce
ed
du
ur
re
es
s:
:
Step 1. Put Keypad in Test mode by entering “0000” (default PIN code), then press *. Keypad will sound 1
long beep and the GreenActive LED will steadily flash.
Step 2. Adding Keypad into the Control Panel:
I. Put the Control panel into Device +/- menu and select the Add Devices sub menu.
II. Press *and then 1when requested. Keypad and Control Panel will beep once.
III. Refer to the operation manual of your control Panel under the section of Device +/- to complete
the learn-in process.
Step 3. After the Keypad is learnt-in, put the Control Panel into Walk Test mode, hold the Keypad in the
desired location, press the *then 1button to confirm this location is within signal range of the
Control Panel.
Step 4. When you are satisfied that the Keypad works in the chosen location, you can proceed with mounting
the Keypad following the steps described below (see Mounting Keypad).
Step 5. Setting the Pin Code:
I. Press *then 6, a long beep will be sound.
II. Enter 0000 (default PIN code)
III. PressΧ, Keypad sounds a long beep.
IV. Enter your new 4-digit code.
V. Press #, Keypad sounds a long beep.
Step 6. Press twice to exit Test mode and the installation is completed.
z
z
M
Mo
ou
un
nt
ti
in
ng
g
t
th
he
e
K
Ke
ey
yp
pa
ad
d:
:
To mount the Keypad:
I. Remove the 2 slide-out sections of front cover.
II. Using the 2 mounting holes as a template, mark off the positions in the most appropriate place.
III. Insert the wall plugs if fixing into plaster or brick surface.
IV. Screw the Keypad onto the wall plugs.
V. Replace the 2 slide-out sections.
z
z
H
Ho
ow
w
t
to
o
S
Se
et
t
S
Sy
ys
st
te
em
m
M
Mo
od
de
e:
:
Arm/Home with Pin Code
¾Arm Mode: Enter anyone of Control Panel user codes and press key. Red TX LED will flash 5
times and the Keypad sounds a long beep.
¾Home Mode: Enter anyone of Control Panel user codes and press key. Red TX LED will flash 5
times and the Keypad sounds 3 beeps.
¾Disarm Mode: Enter anyone of Control Panel user codes and press key. Red TX LED will flash 5
times and the Keypad sounds 2 beeps.
¾Enter Test Mode — Enter Keypad PIN code and press * key. The Keypad will sound 1 long beep and
Green Active LED flashes steadily.
¾Panic Alarm — Press 1+ 3simultaneously at the same time. Red TX LED will flash 5 times and the
Keypad sounds a long beep.
¾Fire Alarm — Press 4+ 6simultaneously at the same time. Red TX LED will flash 5 times and the
Keypad sounds a long beep.
¾Medical Alarm — Press 7+ 9simultaneously at the same time. Red TX LED will flash 5 times and the
Keypad sounds a long beep.
¾For wrong entering or operating the Keypad will sound 4 short beeps.
Arm/ Home without PIN Code
¾Arm Mode: Press key. Red TX LED will flash 5 times and the Keypad sounds a long beep.
¾Home Mode: Press key. Red TX LED will flash 5 times and the Keypad sounds 3 beeps.
¾Disarm Mode: Enter anyone of Control Panel user codes and Key. Red TX LED will flash 5 times
and the Keypad sounds 2 beeps.