
Document type: Title: Revision date: Revision:
User's Manual (MUT) Mod. V977 16 Channel I/O Register (Status A) 27/08/2004 1
NPO: Filename: Number of pages: Page:
00118/01:V977X.MUTX/01 V977_REV1.DOC 21 3
TABLE OF CONTENTS
1. OVERVIEW............................................................................................................................................................................5
1.1. MODULE DESCRIPTION.................................................................................................................................................5
2. SPECIFICATIONS ...............................................................................................................................................................6
2.1. PACKAGING ...................................................................................................................................................................6
2.2. EXTERNAL COMPONENTS............................................................................................................................................6
2.3. INTERNAL COMPONENTS..............................................................................................................................................7
2.4. POWER REQUIREMENTS...............................................................................................................................................7
2.5. TECHNICAL SPECIFICATION TABLES..........................................................................................................................7
2.6. FRONT PANEL................................................................................................................................................................8
3. OPERATING MODES.........................................................................................................................................................9
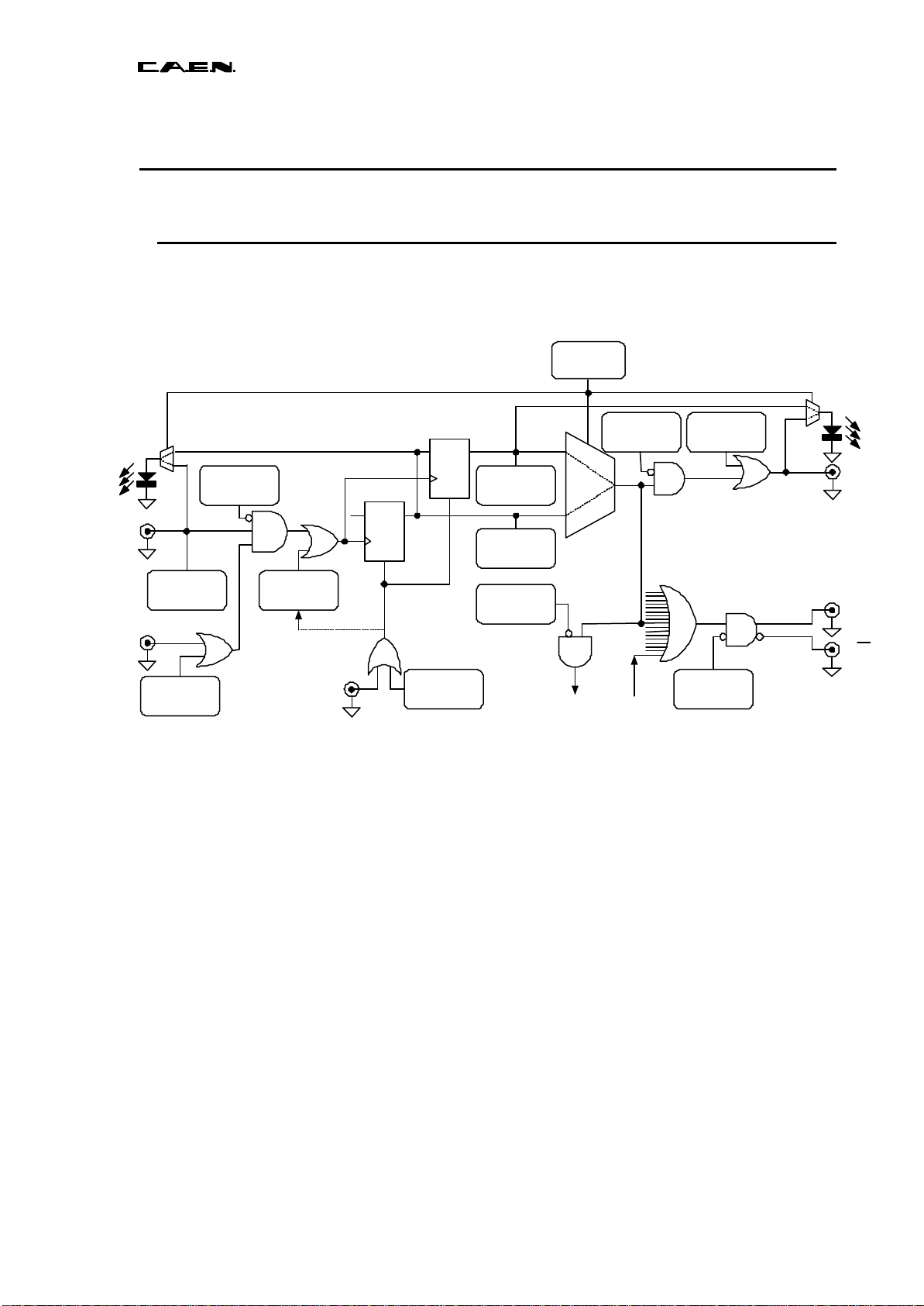
3.1. FUNCTIONAL DESCRIPTION.........................................................................................................................................9
3.1.1. I/O register mode...........................................................................................................................................10
3.1.2.Multihit pattern unit mode............................................................................................................................10
3.1.3. Test channel....................................................................................................................................................11
3.2. OR LOGIC.....................................................................................................................................................................12
3.3. INTERRUPTER CAPABILITY........................................................................................................................................12
4. VME INTERFACE............................................................................................................................................................14
4.1. ADDRESSING CAPABILITY.........................................................................................................................................14
4.2. DATA TRANSFER CAPABILITY...................................................................................................................................14
4.3. INPUT SET REGISTER...................................................................................................................................................15
4.4. INPUT MASK REGISTER...............................................................................................................................................16
4.5. INPUT READ REGISTER...............................................................................................................................................16
4.6. SINGLE-HIT READ REGISTER......................................................................................................................................16
4.7. MULTI-HIT READ REGISTER.......................................................................................................................................16
4.8. OUTPUT SET REGISTER...............................................................................................................................................17
4.9. OUTPUT MASK REGISTER...........................................................................................................................................17
4.10. INTERRUPT MASK.......................................................................................................................................................17
4.11. OUTPUT CLEAR REGISTER..........................................................................................................................................17