
D812120 00100_03
6 - Q.BO PAD
MANUALE PER L’INSTALLAZIONE
Nel ringraziarVi per la preferenza accordata a questo
prodotto,laDittaècertachedaessootterretelepresta-
zioni necessarie al Vostro uso. Leggete attentamente
l’opuscolo“Avvertenze”edil“Librettoistruzioni”che
accompagnanoquestoprodottoinquantoforniscono
importantiindicazioniriguardantilasicurezza,l’instal-
lazione, l’uso e la manutenzione. Questo prodotto
risponde alle norme riconosciute della tecnica e della
disposizionirelativeallasicurezza.Confermiamoche è
conforme alle seguenti direttive europee: 2004/108/
CE, 2006/95/CE (e loro modiche successive).
SICUREZZA GENERALE
ATTENZIONE! Una installazione errata o un uso
impropriodelprodotto,puòcrearedanniapersone,
animali o cose.
• L’installazionedeveessereeseguitadapersonale
qualicato (installatore professionale, secondo
EN12635), nell’osservanza della Buona Tecnica e
delle norme vigenti.
• Primadiinstallare il prodotto apportaretuttele
modiche strutturali relative alle realizzazione dei
franchidisicurezzaaallaprotezioneosegregazione
di tutte le zone di schiacciamento, cesoiamento,
convogliamento e di pericolo in genere, secondo
quanto previsto dalle norme EN 12604 ed 12453 o
eventuali norme locali di installazione. Vericare
che la struttura esistente abbia i necessari requisiti
di robustezza e stabilità.
• Smaltireimaterialidiimballo(plastica,cartone,po-
listirolo,ecc.)secondoquantoprevistodallenorme
vigenti. Non lasciare buste di nylon e polistirolo a
portata dei bambini.
• Conservareleistruzioniperallegarlealfascicolo
tecnico e per consultazioni future.
• Questo prodotto è stato progettato e costruito
esclusivamente per l’utilizzo indicato in questa
documentazione. Usi non indicati in questa do-
cumentazione potrebbero essere fonte di danni
al prodotto e fonte di pericolo.
• LaDittadeclinaqualsiasiresponsabilitàderivante
dall’uso improprio o diverso da quello per cui è
destinato ed indicato nella presente documenta-
zione.
• Noninstallareilprodottoinatmosferaesplosiva.
• Toglierel’alimentazione elettrica, primadi qual-
siasi intervento sull’impianto. Scollegare anche
eventuali batterie tampone se presenti.
• Usareesclusivamentepartioriginaliperqualsiasi
manutenzione o riparazione.
• Istruirel’utilizzatoredell’impiantoperquantori-
guardaisistemidicomandoapplicatiel’esecuzione
dell’apertura manuale in caso di emergenza.
• L’utilizzatoredeveevitarequalsiasitentativodiin-
terventooriparazionedell’automazioneerivolgersi
solo a personale qualicato.
• Tuttoquellochenonèespressamenteprevistoin
queste istruzioni, non è permesso.
• L’alimentazionedev’essereabassissimatensione
di sicurezza e il generatore dev’essere protetto
contro il corto circuito.
• Tuttiicavidevonoesseresguainatiesclusivamentein
prossimità dei morsetti.
1) GENERALITÀ
Pulsantiera digitale programmabile, per il controllo
di accessi pedonali o veicolari con due modalità di
funzionamento:
1 - Connessione Seriale:
Controlla quadri comando dotati di connessione
seriale.
Sono memorizzabili no a 16 codici diversi. Ogni
codice valido invia un comando di start attraverso
la linea seriale.
2 - Interfacciato ad un sistema WIEGAND:
Controlla quadri comando dotati di connessione
seriale.
La connessione WIEGAND puo’ avvenire tramite
schedadiespansioneotramiteconnettorededicato.
Dotata di contenitore antierazione in metallo, la
pulsantiera Q.BO PAD non comanda direttamente
l’aperturadelvarco.Puòpertantoessereinstallata
con sicurezza anche in aree non protette.
2) DATI TECNICI
Alimentazione 12/24V~/±10%50/60Hz
Assorbimento 60mA
Temperatura
di funzionamento -10 / +55°C
N°codici
(connessioneseriale) 16
Dimensioni vedere Fig.A
Grado
di protezione: IP 45
3) INSTALLAZIONE
Utilizzando la scatola come dima di foratura esegui-
re 4 fori. Fissare con viti autolettanti o tasselli ad
espansione a seconda della supercie di ssaggio.
Utilizzare la spugna nera (H, Fig.A1) tra l’apparecchio
e la parete (Fig.A1).
1) Procedereal cablaggioed al ssaggiodella scheda
elettronica, mediante le 2 viti fornite in dotazione
come indicato in Fig.B1. Avvitare completamente
le viti compensando eventuali errori di centraggio
utilizzandoleasoledellascheda.Ilcorrettoposizio-
namentodella scheda si ottiene con lamorsettiera
di collegamento posizionata come indicato in Fig.
B1.
2) Posizionarelaguarnizioneelaghieracomeindicato
in Fig.B2 e procedere al ssaggio utilizzando le 4
viti fornite.
3) Agganciare il blocco pulsanti metallico ruotato di
circa 30° in senso antiorario, come indicato in Fig.
B3.
4) Mediante l’apposita chiave a brugola antiscasso
fornita in dotazione, svitare il grano no al bloc-
caggio sul fondo della pulsantiera (Fig.B4).
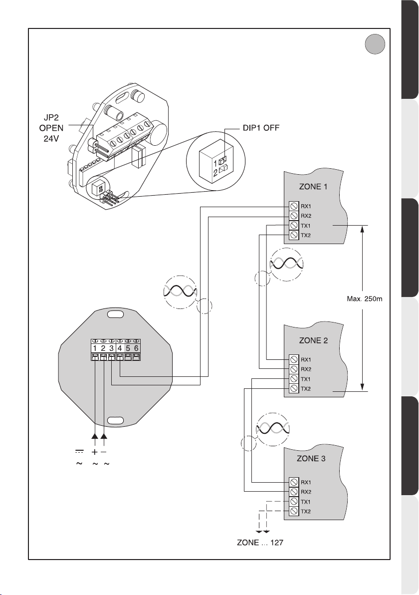
4) SCHEMA DI COLLEGAMENTO
ATTENZIONE: se l’alimentazione viene fornita da un
generatore esterno,essodeveessereabassissimaten-
sione di sicurezza e il generatore deve essere protetto
contro il corto circuito ed il sovraccarico.
JP1
1-2 Ingresso alimentazione 12/24 V~/ ±10%
50Hz.
1 - + 12/24 V~/
2 - 0 V
3-4 Uscita seriale verso quadri di comando:
3-TX1 4-TX2