
GB Sound speed controller SFR-1
2 BEIER-Electronic 06.02.2019
Table of Contents
Table of Contents....................................................................................................... 2
Introduction................................................................................................................. 4
Safety notes ............................................................................................................... 5
Additional information and help.................................................................................. 5
Technische Daten ...................................................................................................... 6
Pin assignment........................................................................................................... 8
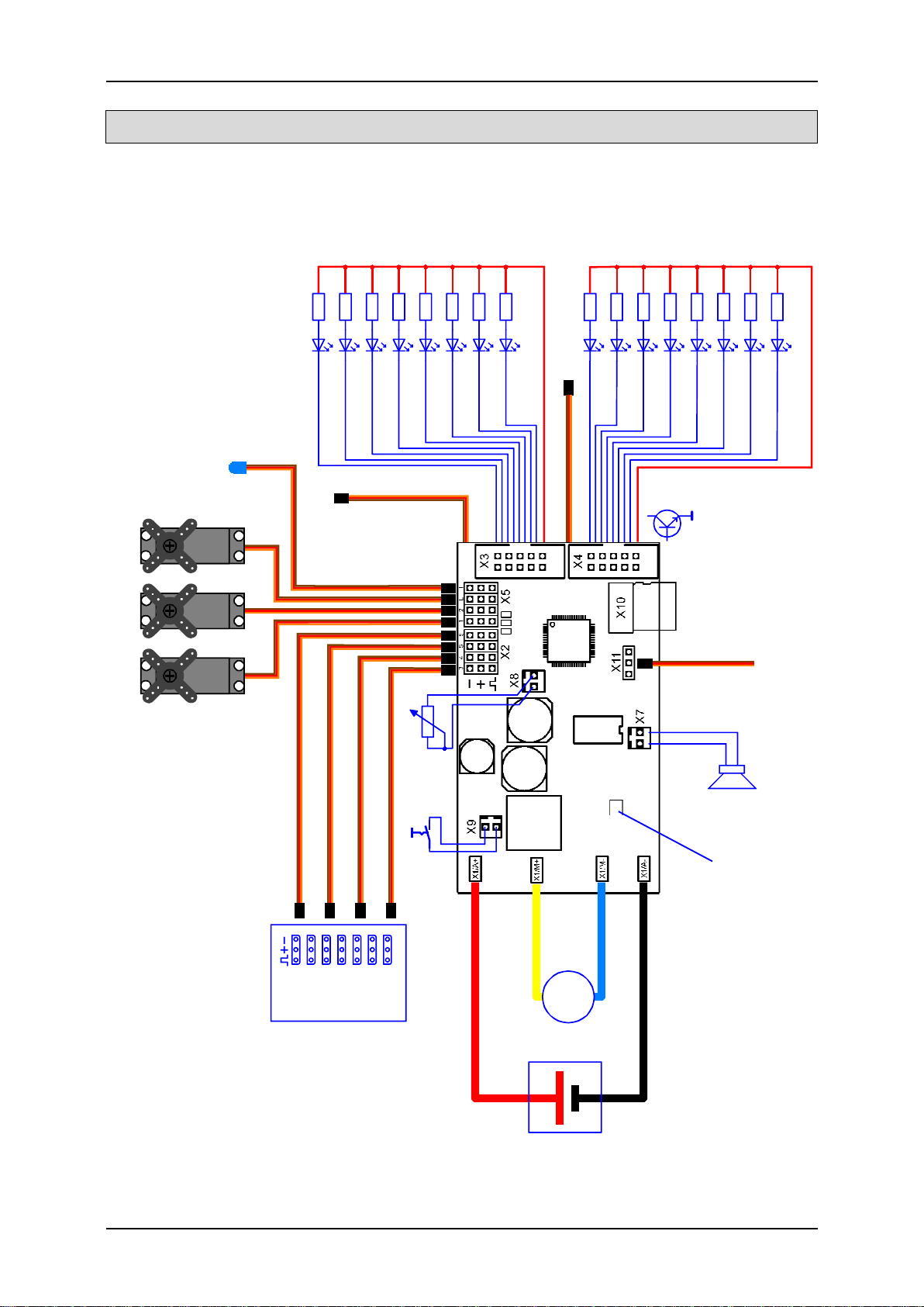
Wiring diagram........................................................................................................... 9
Installation................................................................................................................ 10
Connection............................................................................................................... 10
Setup (teaching function).......................................................................................... 16
Loudspeaker............................................................................................................. 17
Volume control ......................................................................................................... 18
Sounds..................................................................................................................... 19
Engine sound ........................................................................................................... 20
Turning on/off engine sound..................................................................................... 22
Engine sound 2 ........................................................................................................ 23
Functions of SFR-1................................................................................................... 24
Additional sounds 1 - 30........................................................................................... 26
Random sounds....................................................................................................... 28
WAV-Player.............................................................................................................. 28
Functional assignment at proportional channels #1 - #6.......................................... 30
Stick simulation via keys or switches........................................................................ 32
Nautic mode / multiswitch mode............................................................................... 33
One-channel multi-function selection (EKMFA)........................................................ 34
Sum signals S-BUS and SUMD ............................................................................... 34
Digital switches at sum signal SUMD3 ..................................................................... 35
Switching outputs ..................................................................................................... 35
Output sequences .................................................................................................... 42
Servo outputs ........................................................................................................... 43
Function sequences ................................................................................................. 44
Voltage monitoring.................................................................................................... 44
Current monitoring.................................................................................................... 45
LEDs on SFR-1 ........................................................................................................ 46
Kraftwerk EasyBus lighting boards........................................................................... 47