
Supplement
Basler A600f Board Level 1
DRAFT
1 Purpose of This Document
Basler A600f Board Level cameras are variants of standard Basler A600f cameras. The purpose
of this document is to describe the features unique to A600f Board Level cameras.
The unique features of A600f Board Level cameras are listed below.
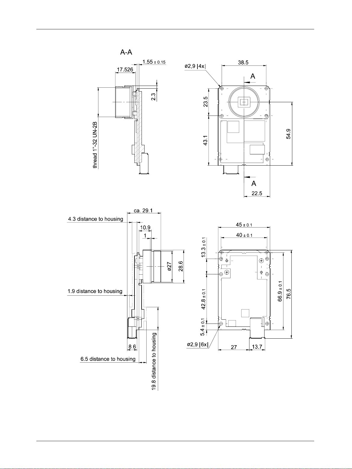
• As the name implies, A600f Board Level cameras consist of electronic parts and a sensor
mounted on a circuit board. The cameras are not enclosed in a housing. The drawings in
Section 3show the dimensions of the board and the location of the sensor.
Standard A600f cameras are always enclosed in a housing.
• Because Board Level cameras do not include a housing, they are not tested for EMI. Section
2has more information about EMI testing.
Standard A600f cameras are tested and certified for EMI.
• Board Level cameras are available with a C-mount lens adapter attached to the circuit board.
They are also available without a lens adapter. The drawings in Section 3show a Board
Level camera equipped with a lens mount adapter and one without a lens mount adapter.
Standard cameras are always equipped with a lens adapter.
• Board Level cameras have two input ports and four output ports.
Standard cameras have four input port and four output ports.
• The type of connector and the pin assignments for the I/O port connector on Board Level
cameras are different from standard cameras. Section 4provides detailed information for the
I/O connector and the pin assignments on Board Level cameras.
• The input ports and the output ports on Board Level cameras are not optoisolated. This
means that the electrical characteristics of the input ports and the output ports on Board
Level cameras are different from standard cameras. Sections 6and 7describe the electrical
characteristics of the ports.
On standard cameras, optoisolators are used on the input and the output ports.
• An output reference voltage is supplied in the I/O connector on Board Level cameras. Sec-
tion 8describes this reference voltage.
This reference voltage is not available on standard cameras.
• The timing for the Integrate Enabled signal on Board Level cameras is different from stan-
dard cameras. Section 9shows the timing for Board Level cameras.
Caution!
The pin assignments and the electrical characteristics of the I/O ports on A600f
Board Level cameras are different from standard A600f cameras. When using a
BoardLevelcamera,youmust followthe guidelinesin Sections4, 6,and 7. Failure
to follow the guidelines will result in severe damage to the Board Level camera.