
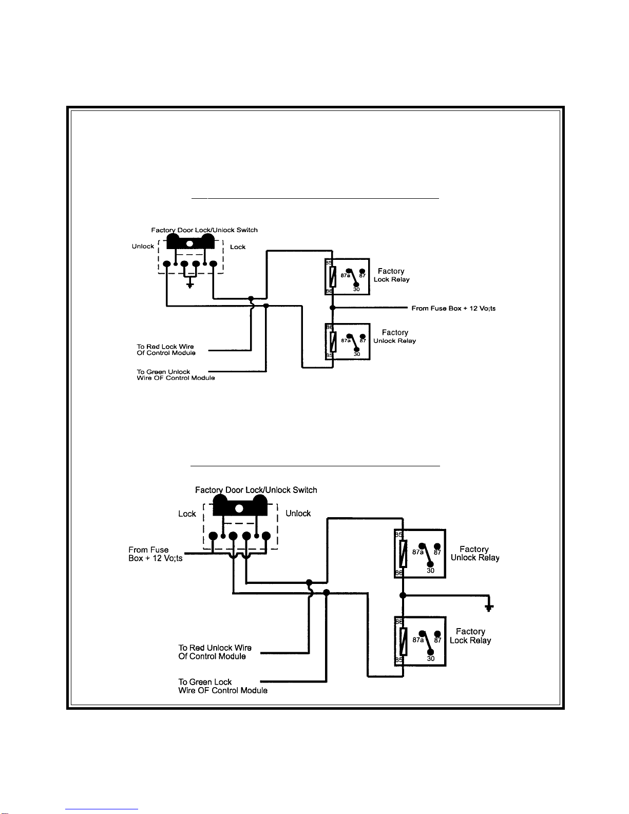
TheAA-RS10CSRemoteStart/KeylessEntrySystemisdesignedtobeusedwithAutomaticTransmissionVehiclesOnly!
Theunitprovidesaselectableignitioncontrolthatallowsa10secondoutputforglowplugpre-heatwhichmayberequired
for certain diesel vehicles, (see selectable feature #9). If the diesel engine has a instant fire, (no glow plug pre-heat
system), feature #9 should remain in the default Gasoline mode setting. For diesel applications, consult your dealer for
the type of ignition system used in your particular vehicle. Regardless of the vehicle, Gasoline or Diesel, for every
installation, the vehicle MUST HAVE a Tach Signal Input, and an Automatic Transmission.
INSTALLATION OF THE MAJOR COMPONENTS:
CONTROL MODULE:
Select a mounting location inside the passenger compartment (up behind the dashboard). The mounting location
selected must be within 24" of the ignition switch wiring harness to allow connection of the 6 pin main wiring harness.
Be certain that the chosen location will not interfere with proper operation of the vehicle. Avoid mounting the module to
or routing the wiring around the steering shaft/column, as the module or wiring may wrap around or block the steering
wheel preventing proper control of the vehicle. Secure the module in the chosen location using cable ties or screws as
necessary.
Do Not Mount The Module In The Engine Compartment, as it is not waterproof.
HOOD PIN SWITCH:
The pin switch included in this package is required for the safety shut down of the remote start unit. If the vehicle is
being worked on, this hood switch prevents the remote start activation even if the RF command to start is issued. This
switch MUST be installed in all applications Failure to do so may result in personal injury or property damage. Mount
the switch in an area under the hood that is away from water drain paths. If necessary, the included brackets may be
usedtomovetheswitchawayfromrainguttersorallowmountingtothefirewallbehindthehoodseal. Ineithercasethe
switch must be set up to allow the hood door to depress the switch at least 1/4 inch when the hood is closed and fully
extended when the hood is opened. For direct mounting, a 1/4 inch hole must be drilled. Carefully check behind the
chosen location to insure the drill will not penetrate any existing factory wiring or fluid lines. Drill a 1/4" hole in the
desired location and thread the pin switch into it using a 7/16" nut driver or deep well socket. If using the mounting
bracket, first secure the bracket to the desired location and secure the pin switch in the pre-threaded mounting bracket
hole.
PROGRAM SWITCH :
Select a mounting location that is within reach of the ignition switch, as this switch, in combination with the ignition
switch, will be used to program the selectable features of the system. It is suggested that the switch be mounted to the
lower dash panel in the driver's area. Inspect behind the chosen location to insure that adequate clearance is allowed
for the body of the switch, and also that the drill will not penetrate any existing factory wiring or fluid lines. Drill a 1/4"
hole in the desired location and mount the switch by passing it through the panel from the underside. Secure the switch
using the nut, star washer, and on/off face plate. It is best to oriented the switch to allow the on position to be up toward
the driver and the off position to be down or away from the driver. Route the switch wires toward the control module.
CONTROL SWITCH:
Selectamounting location known and accessible to the operatorofthevehicle. A lower dash panel, kick panel, or glove
box is desirable. Inspect behind the chosen location to insure that adequate clearance is allowed for the body of the
switch, and also that the drill will not penetrate any existing factory wiring or fluid lines.
Drill a 1/4" hole in the desired location and mount the switch by passing it through the panel from the underside. Secure
the switch using the nut, star washer, and on/off face plate. It is suggested that the switch be oriented to allow the on
position to be up toward the driver and the off position to be down or away from the driver. Route the switch wires
toward the control module. Place the RED rubber boot, included in the kit, over the switch handle to differentiate this
switch from the program switch.
The AA-RS10CS is to be used in vehicles with AUTOMATIC TRANSMISSIONS only! Although this combination Key-
less Entry/Remote Start unit is a sophisticated system with many advanced features, IT MUST NOT be installed into a
vehicle with a manually operated transmission. Doing so may result in serious personal injury and property damage.
IMPORTANT!
DO NOT PLUG THE SIX PIN MAIN POWER HARNESS OR THE MULTI PIN INPUT / OUTPUT HARNESS INTO THE
CONTROL MODULE UNTIL ALL CONNECTIONS TO THE VEHICLE HAVE BEEN MADE. AFTER SELECTING
YOUR TARGET WIRES AS DEFINED BELOW, DISCONNECT THE NEGATIVE BATTERY CABLE FROM THE
VEHICLE BATTERY PRIOR TO MAKING ANY CONNECTIONS.
Page 2