
StrikeIt1 -3-
StrikeIt1 Installation Instructions:
Wiring methods shall be in accordance with the National Electrical Code/NFP
A70/NFPA 72/ANSI, and with all local
codes and authorities having jurisdiction. Product is intended for indoor use only.
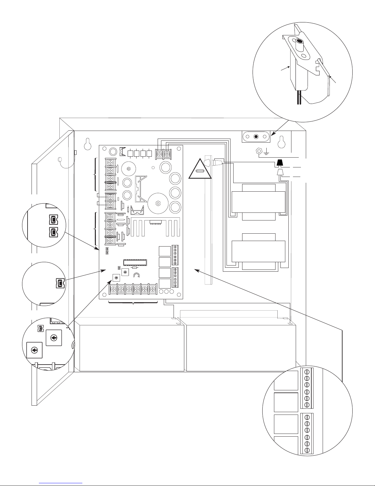
1. Mount unit in desired location within protected premises (Maximum Wiring Distance, pg. 6). Mark and predrill holes
in the wall to line up with the top two keyholes in the enclosure. Install two upper fasteners and screws in the wall
with the screw heads protruding. Place the enclosure’s upper keyholes over the two upper screws, level and secure.
Mark the position of the lower two holes. Remove the enclosure. Drill the lower holes and install the two fasteners.
Place the enclosure’s upper keyholes over the two upper screws. Install the two lower screws and make sure to tighten
all screws (Enclosure Dimensions, pg. 8).Secure cabinet to earth ground.
2. Connect AC power (115VAC 50/60Hz) black (line) and white (neutral) flying leads (Fig. 3, pg. 7).
3. Measure output voltage before connecting devices. This helps avoid potential damage.
4. Connect panic hardware device # 1 to terminals marked [+ OUT1 -- ], connect panic hardware device # 2 to
terminals marked [+ OUT2 -- ] (Fig. 1, pg. 5).Be sure to observe polarity.
5. Set lock output release time byadjusting [OUT1] and [OUT2] potentiometers. Turn potentiometer clockwise to
increase time or counter clockwise to decrease time. Timing range is 300ms to 30 seconds,
(unit is factoryset @ 300ms) (Fig. 3D,pg. 7).
Note: When external control of door unlock time is desired, i.e., card reader, set time to minimum
(completelycounter-clockwise).
Agency Approval:
• UL Listed for Access Control System Units (UL 294).
• CSFM - California State Fire Marshal Approved.
• MEA - NYC Department of Buildings Approved.
Input:
• Input 115VAC 50/60Hz, 3.5 amp.
• Two (2) N.O. trigger inputs.
Outputs:
• Two (2) 24VDC individually controlled lock outputs
rated @ 16 amp for 300ms, .75 amp continuous supply
current.*
•One (1) 24VDC filtered regulated auxiliary output
rated @ 1 amp continuous supplycurrent*
(Not affected by FACP trigger).
*Note: Total combined current for the 24VDC outputs
may not exceed 1.75 amps.
• One (1) 12VDC filtered regulated auxiliary output
rated @ 1 amp continuous supplycurrent
(Not affected by FACP trigger).
• Two (2) follower form “C” relay outputs rated @
1amp/28VDC. Relays energize while input is closed.
• Two (2) delayed follower form “C” relay outputs
rated @ 1 amp/28VDC. Delay time is selectable
.5 seconds or 1 second. Energized duration is 1 second.
Battery Backup:
•Built-in charger for sealed lead acid or gel type batteries.
• Automatic switch over to stand-by battery when AC fails.
Battery Backup (cont’d.):
• Maximum charge current .3 amp.
• When 7AH batteries are used, battery capacity
for emergency stand-by is at least 1 hour.
Visual Indicators:
• Green AC input LED indicates 115VAC present.
• Green input LEDs indicate panic device status/trouble.
(activated, short or open circuit)
• Red FAI LED indicates FACP disconnect is activated.
Fire Alarm Disconnect:
• Normally Closed FACP trigger input.
• Programmable Fire Alarm Disconnect options:
-Removes power to outputs and disables delayed
follower relays.
-Connects power to lock outputs and enables
delayed follower relays.
Additional Features:
• Adjustable panic release from 1 sec. to 30 secs.
Note: The outputs will turn off upon hold time
expiration as set per delay trim pots or input release
if the later is longer than hold time.
• Cam lock included.
Enclosure Dimensions:
13.5”H x 13”W x 3.25”D
Overview:
StrikeIt1 will operate up to two (2) 24VDC panic hardware devices simultaneously. It is designed to handle the high
current surge panic hardware locking devices demand. Each lock output has an adjustable relock delay timer. It will con-
trol a pair of doors simultaneously or independently control two individual doors. It has a follower relay for each output to
trigger external relays, ADA push plate switches, etc. Delayed follower relays control automatic door operators for doors
that are always locked or for doors that are unlocked during the business day. In addition, two un-switched auxiliary volt-
age outputs are provided for powering card readers, keypads, REX PIRs, electronic timers, relays, etc. A programmable
FACP interface will either provide power or remove power to the lock outputs when activated. LED status indicators are
provided to monitor AC power, FACP status and for lock output wiring supervision. Intelligent logic provides protection
against accidental shorting of lock outputs.
Specifications: