
Overcurrent shutdown As above, except the EVMS will also automatically shut down
the traction circuit if this threshold is exceeded. Note that for
safety reasons this system cannot replace a real fuse, though it
can usually avoid blowing the real fuse.
BMS - low cell A BMS module has reported a cell voltage below the minimum
threshold.
Shutdown by BMS A low cell condition has been present for more than 10 seconds,
so the EVMS has shut down the traction circuit to protect the
batteries.
BMS - high cell A BMS module has reported a cell voltage above the minimum
threshold.
Charge ended by BMS A high cell condition has been present for more than 1
second, so the EVMS has shut down the charger to protect the
batteries.
BMS - overtemp A BMS module has reported a temperature above the
programmed threshold.
BMS - undertemp A BMS module has reported a temperature below the
programmed threshold.
BMS - comms error If the EVMS Lite hasn’t received data from a BMS module for a
while (about 1 second), this error will appear and the traction
circuit will be shut down for safety.
Low 12V battery The voltage of the 12V auxiliary battery (power supply for the
EVMS) has dropped below the programmed threshold for more
than 5 seconds. May indicate a weak battery or faulty DC/DC
converter.
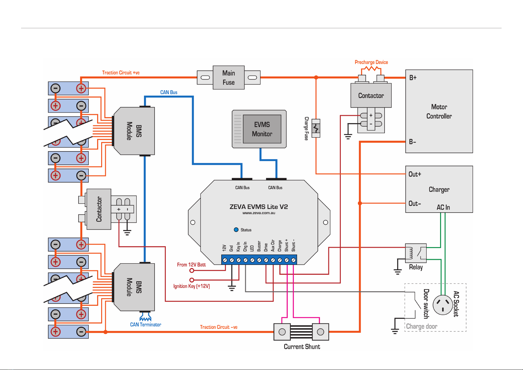
Stationary Applications
The EVMS conguration includes a setting for Stationary Mode, intended for use in battery
backup and off-grid power applications, where charging and discharging may occur
simultaneously. In this mode, the Key input enables both Main Contactor and Charge Enable
outputs concurrently. An undervoltage cell will disable the Main Contactor output (to remove
any loads on the battery) and an overvoltage cell will disable the Charge Enable output (to
disable any charging sources). In both cases the outputs are re-enabled once the voltage has
recovered by 0.4V (i.e there is ±0.2V hysteresis around the congured thresholds).
In Stationary Mode, the Charge Sense input is no longer used. The Aux Ctr output may be
used to trigger low State-of-Charge warnings or charging systems (such as diesel generators),
as it will output 12V whenever SoC is below the programmed threshold. Note that the output
will go off as soon as the SoC recovers above the threshold, so an external timer or latching
device may be required to avoid rapid cycling.
For LiFePO4, we recommend an under-voltage threshold of 2.8V (which results in 2.6V
cutout and 3.0V re-enabling for any loads on the battery), and an over-voltage threshold
of 3.6V (for 3.8V charger cutout and 3.4V re-enabling). These thresholds give about 1%
hysteresis on the battery state of charge to avoid rapid cycling of the charger or outputs.
Tech notes
• CAN bus power: CAN busses use a signicant amount of power when operating, in the
order of 20mA per node. In order to minimise quiescent power consumption (and avoid
attening your vehicle’s 12V battery), the EVMS Lite powers down the CAN bus after 1
minute if the vehicle is neither driving or charging. As such, the BMS will no longer be
monitoring your cells so it is of paramount importance that there are no loads on the traction
battery when the vehicle is idle, or batteries could be damaged from over-discharge!
Once the CAN bus has powered down, you will be unable to enter Setup mode with a
Monitor device. To remedy this, simply turn the key on and off, or turn the EVMS Lite off and
on again, then enter Setup as normal within 1 minute.
• Precharging your motor controller: Motor controllers have a large input capacitor bank
which must be precharged / soft started, to avoid a large inrush current when your contactor
closes which can damage components. The EVMS Lite includes no controller precharge
system, so you will need to arrange a precharge device for your motor controller if it does not
have one built in. (Check out our Smart Precharger on the ZEVA website for more info.)
Tech support and warranty information
All ZEVA products are covered by a 12 month warranty against manufacturing faults or
failures under normal operating conditions. The warranty does not cover misuse of the
product, including but not limited to: excessive voltage or reversed polarity on terminals,
short circuits on outputs, opening of housings and/or modication of internal electronics,
severe impact damage (e.g due to vehicle crashes), submersion in water.
We have taken great care to design a safe and reliable product, but faults can happen. If
you believe your product has a fault, please contact us via our website to discuss. If it is
determined that a hardware fault is the likely cause, we will provide an RMA number and
return address to proceed with repairs.
If you have any questions not covered by this manual, please contact us via our website:
http://www.zeva.com.au