
1
ZAWARTOŚĆ ZESTAWU
1 x Monitor
1 x Instrukcja obsługi
1 x Podstawka
2 x kołki montażowe
2 x wkręt M4x30
2x wtyczka 5 pin
1 x wtyczka 4 pin
1 x wtyczka 4 pin
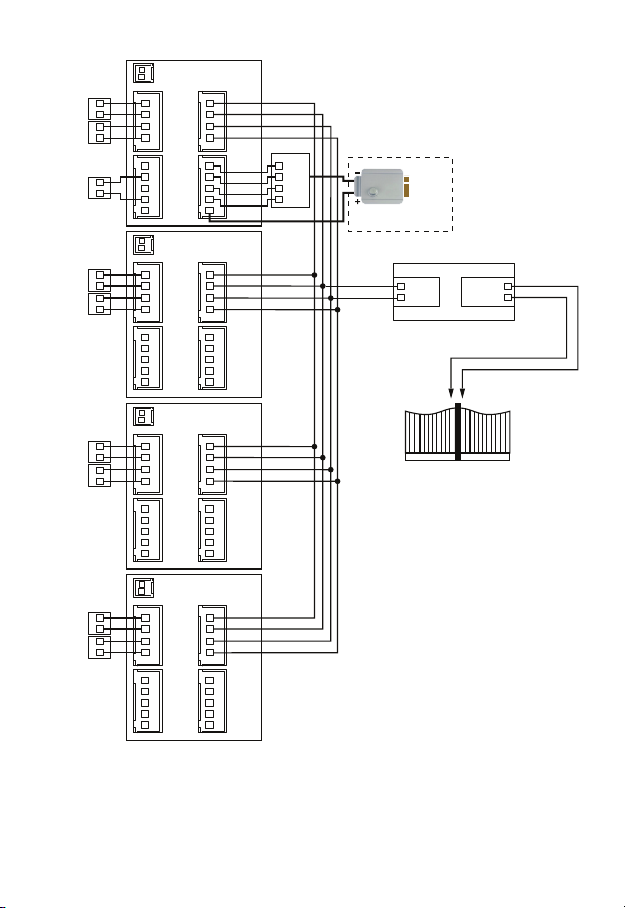
sterownik bramowy NC-06
zasilacz VP-PWRW
DANE TECHNICZNE
Temperatura pracy 0℃ - +40℃
Zasilanie DC 15V / 0,8A
Zużycie energii 7 W (Max), 0,7 W
(tryb czuwania)
Wilgotność pracy 0% - 95%
Wymiary monitora 186X127X19mm
Waga 380g
STRUKTURA OKABLOWANIA
2
do 50m (4x0,5mm )
2
do 75m (4x0,75mm )
2
do 100m (4x1,0mm )
BEZPIECZEŃSTWO
Należy bezwzględnie przestrzegać poniższej instrukcji dla własnego bezpieczeństwa
oraz uniknięcia uszkodzenia produktu.
Nie umieszczać kilku źródeł poboru prądu w jednym gnieździe równocześnie. Może to
doprowadzić do przegrzania instalacji lub pożaru.
Nie łączyć urządzenia z innymi niekompatybilnymi produktami. Może to doprowadzić do
zwarcia a w następstwie do uszkodzenia urządzenia.
Zapobiegać odkształcaniu płyty głównej monitora oraz ekranu. Nie obciążać produktu
ciężkimi przedmiotami. Może to doprowadzić do pożaru.
Nie używać wody ani detergentów do wycierania ekranu ani obudowy wyświetlacza.
Może to doprowadzić do uszkodzenia obudowy i ekranu, zwarcia a nawet pożaru.
Upewnić się, że materiał używany do wycierania jest miękki, wykonany z bawełny lub
mikrofibry. Zapobiegnie to zarysowaniom ekranu monitora. Bezwzględnie nie używać
papieru toaletowego ani chusteczek higienicznych.
Nie instalować produktu w pomieszczeniach zawilgoconych. Istnieje ryzyko zwarcia
lub pożaru.
Nie usuwać wtyczki z gniazdka pociągając energicznie za przewód. Uszkadzając
przewód można doprowadzić do zwarcia lub pożaru.
Nie umieszczać wtyczki w gniazdku mokrymi dłońmi. Może to doprowadzić do porażenia.
Nie rozbierać, naprawiać lub modyfikować produktu. Może to doprowadzić do porażenia,
uszkodzenia urządzenia lub pożaru.
Nie stosować wyłącznika prądowego. Może to doprowadzić do porażenia prądem.
OPIS
7” kolorowy panel LCD
Instalacja 4 żyłowa
Intuicyjny interfejs
Komunikacja wewnętrzna
Funkcja rozgłoszeniowa
Sterowanie otwarciem bramy oraz furtki
Możliwość podłączenia dwóch kamer CCTV
do jednego monitora
Możliwość podłączenia dwóch paneli zewnętrznych
Możliwość wywołania obrazu z bramofonu lub z
dowolnej kamery CCTV
na żądanie użytkownika
Komunikacja dwustronna audio
Wysoka rozdzielczość obrazu 800x480
Urządzenie bez słuchawkowe z czystym głosem
Możliwość wyboru języka
Intuicyjne przyciski
10 stopni regulacji głośności rozmowy
10 stopni regulacji jasności, kontrastu oraz
nasycenia barw
10 stopni regulacji głośności melodii
13 polifonicznych melodii