Pre-Installation
Installation
Pump Inspection And Handling
When receiving your pump, check to see if the shipment has been damaged in any way or if any parts seem to
be missing. If so, note the damage or shortage on the bill of lading and the freight bill. Make any claims to the
transportation company immediately. Keep all packaging materials until the claim is resolved.
The Webtrol PC Centrifugal pump should remain in the shipping carton until it is ready to be installed.
Do not drop or mishandle the pump prior to installation.
Warning: Never run the pump dry. The internal running surfaces of the pump and mechanical seal require
water lubrication for consistent operation. Allowing the pump to run dry will severely damage pump
and seal.
Do not pump chemicals or corrosive liquids with the pump unless they are compatible with the pump component
materials. (Consult Webtrol for verification at (314) 631-9200) Use with non-flammable liquids.
To avoid internal damage to the pump, do not operate with water temperatures above 180 degrees F.
Pump must be full of liquid before operating. Do not pump dirty water or abrasive liquids. To do so, will cause
the carbon seal face and elastomers in the seal to wear and leak. Mechanical seal materials, compatible with
liquids containing abrasives, are available upon request.
Do not allow the pump or any system component to freeze. To do so may damage the pump and void the
warranty.
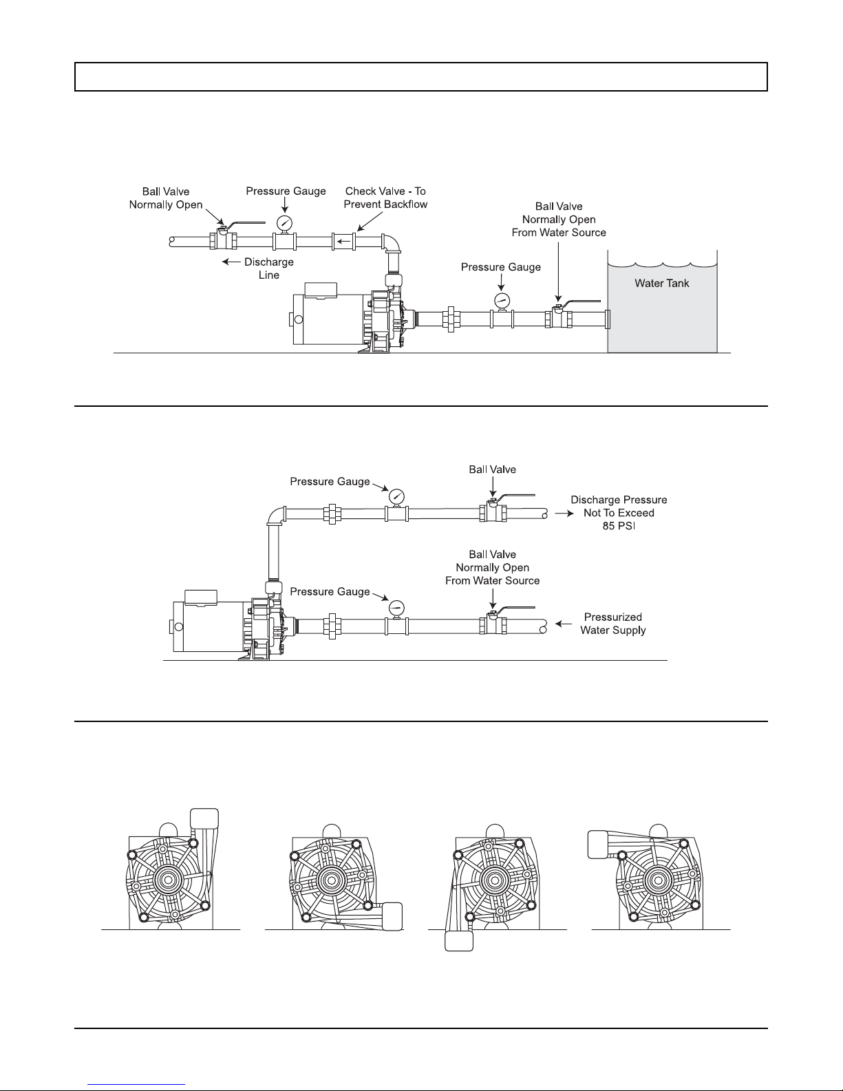
Avoid air pockets in suction piping or air will accumulate at the high points making operation difficult.
Locate - The pump as close to the liquid source as possible, so that a short, direct suction pipe may be used.
Place the unit so that it is readily accessible for service, maintenance and allows air to circulate freely around
the motor.
Mount - Unit in a dry location, on a secure base or foundation. This will prevent noise and vibration.
Piping - Should be galvanized, rigid plastic or other suitable pipe that will not collapse when exposed to
suction and discharge pressure. The piping should be as free from turns and bends as possible, as elbows and
fittings greatly increase friction loss. Do not use pipe dope. Use teflon tape if needed.
Pipes must line up and not be forced into position by unions. The inlet (suction) pipe should be at least 1 1/2
inches and preferably one size larger. To reduce friction losses, the number of elbows and fittings should be kept
to a minimum.
Piping should be independently supported near the pump so that no strain will be placed on the pump casing.
Where any noise is objectionable, the pump should be insulated from the piping with rubber connections.
Pump is non-submersible. Keep motor dry at all times. Do not wash or immerse the motor.
- 5 -