
www.watchgas.eu
Detection
User Manual NEO Photoionization Detector
D e t e c t i on
9
Message Condition Alarm Signal
HIGH Gas exceeds‘High Alarm’limit 3 beeps/ashes per second
OVR Gas exceeds measurement range 3 beeps/ashes per second
MAX Gas exceeds electronics’ maximum range 3 beeps/ashes per second
LOW Gas exceeds‘Low Alarm’limit 2 beeps/ashes per second
TWA Gas exceeds‘TWA’ limit 1 beep/ash per second
STEL Gas exceeds‘STEL’ limit 1 beep/ash per second
Pump icon ashes Pump stall 3 beeps/ashes per second
Lamp PID lamp o 3 beeps/ashes per second plus ‘Lamp’
message
Battery icon ashes Low battery 1 ash, 1 beep per minute plus battery icon
ashes
CAL Calibration failed, or is overdue 1 beep/ash per second
NEG Calibration error results in a negative
reading
1 beep/ash per second
5.6.1 ALARM SIGNAL SUMMARY
Cal Gas Cal Span Unit Low High TWA STEL
Isobutylene 10 ppm 50 100 10 25
5.6.2 PRESET ALARM LIMITS & CALIBRATION CONCENTRATIONS
The instrument is factory calibrated with standard calibration gas, and is programmed with default
alarm limits. For example, on the NEO PPM, the default values are:
A 3-point calibration is done:
1. At 0 ppm in 99.99% vol N2
2. At concentration 10 ppm isobutylene
3. At concentration 100 ppm isobutylene
5.6.3 TESTING THE ALARMS
The alarm can be tested whenever the readout screen is shown. Press
Ent
, and the audible and visible
alarms are tested.
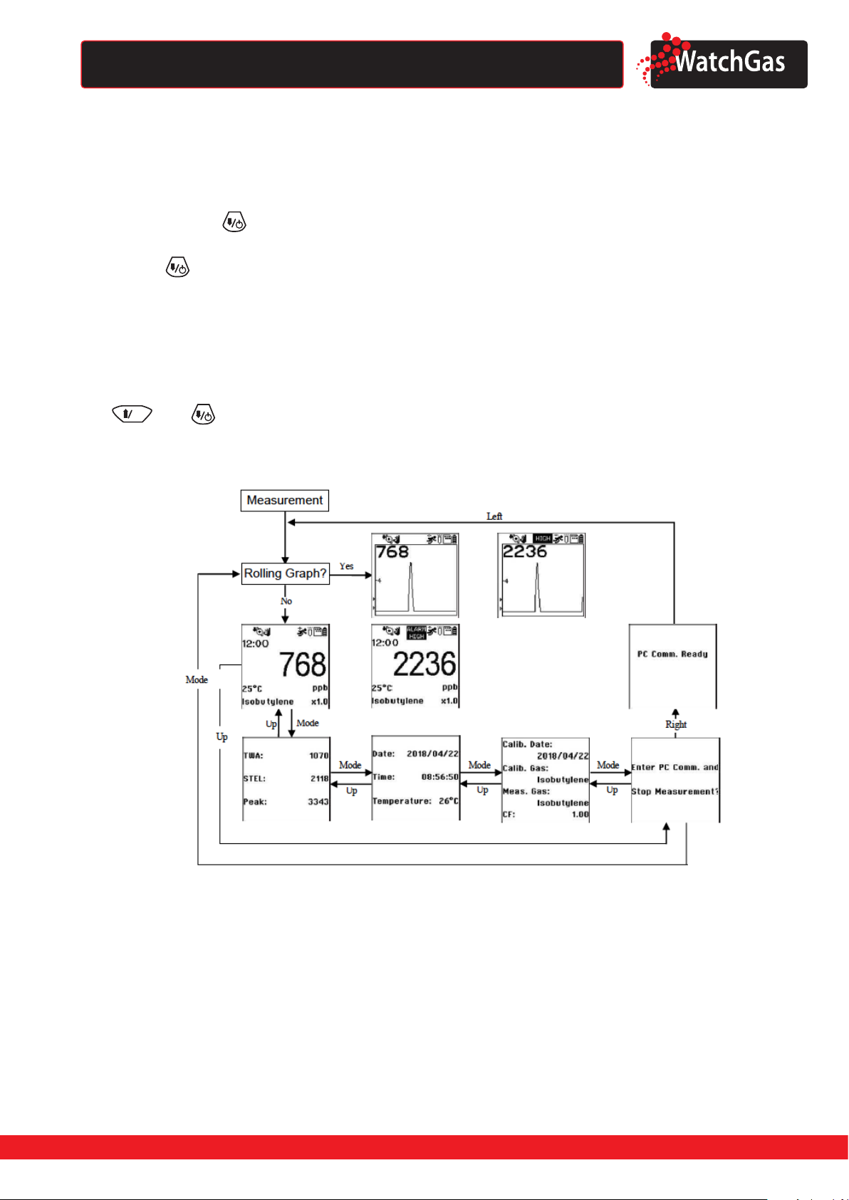
5.7 DISPLAY BACKLIGHT
The LCD display is tted with LED illumination to improve readability in poor lighting conditions.
Illumination turns on automatically in poor light. The settings for display illumination can be changed
in Cong Mode or through WatchGas Suite.
5.8 DATA LOGGING
By default, the instrument stores the detected concentration every 60 seconds.
The datalog icon is displayed when datalogging is on.
A 60 second interval allows for up to a year of data storage. The data is stored in non-volatile memory
for download to a PC. The data is retained, even when the instrument is turned o or the battery is
removed.
Data is organised in events, with a new event created each time the instrument is turned on, a
conguration parameter is changed or datalogging is interrupted. Every event includes User ID, Site ID,
serial number, last calibration date and the alarm limits.