
It is important to read and follow all the instructions and safety information contained in the
Operation Manual prior to use.
We hope the Trolley will make your job easier and more fun. The UltiMate can boost the
productivity in your organisation and reduce injuries caused by repetitive pushing or pulling a
manual platform cart with heavy load. Therefore, you will create a happy and safe working
environment and minimise the skyrocketing worker’s compensation insurance cost.
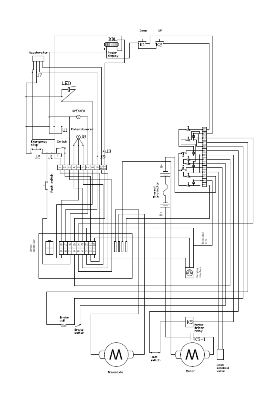
The Trolley is a battery powered mobile platform truck used for moving materials, parts, or
machinery from one location to another without having to manually carry the load or push a
wheeled Trolley. These heavy push or pull Trolley applications can occur anywhere, a dock at a
marine, to distributing the company coffee machine around the plant, garage, workshop.
If these Trolley need constant pushing or pulling from one location to another and cause fatigue
to the employee moving load, then it is perfect application for our battery powered, electric
Trolley.
1. Packing List
1.1 Folded Trolley 1.2 M8 x 20Screw
2. Specifications
Motor 24Volt Battery 2 x 12 v/40 Ah sealed lead acid battery, Battery Charger 100-220v ~
50/60Hz<1.5AAC/24VDC/4A DC Charge Time 24 V
3. Operation
3.1 Turn ON Power
Insert the power key into the switch lock and turn clockwise to the “ON” position. All the
battery display lights should be on indicating the batteries are full and ready to work.
3.2 Check the Status
The status light should be on steadily if the electric and driving systems are OK. If it flashes,
check the clutch engagement first.
3.3 Forward Motion Start your Trolley, Stand behind the tiller and hold the “bull-horn” with
two hands.
Look straight ahead. Press the upward throttle lever by your two-hands four fingers slowly to
start moving forward. The speed should increase as you press more.
3.4. Stop: Trolley
Slowly releasing your four fingers from the throttle lever will reduce the speed and stop the
Trolley
3.5. Emergency Stop: Just simply release your finger quickly. The Trolley should stop within
4.5 feet at full forward speed.
3.6. Reverse Motion:
Press the downward throttle lever by your two-hands four fingers slowly to start moving revers.
3.7 Forward Steering:
Look straight ahead. When you need to turn right, you turn the “Caster” to the left. Vise a versa
for the left turn.
Reverse Steering: The operation is the opposite as forward
Move Manually (free wheeling):
Manual: You push or pull the Trolley by disengaging the clutch in the transaxle. Power: You
can push or pull the Trolley by pressing the yellow free-wheel button by your right hand finger
and operating by your left hand.