
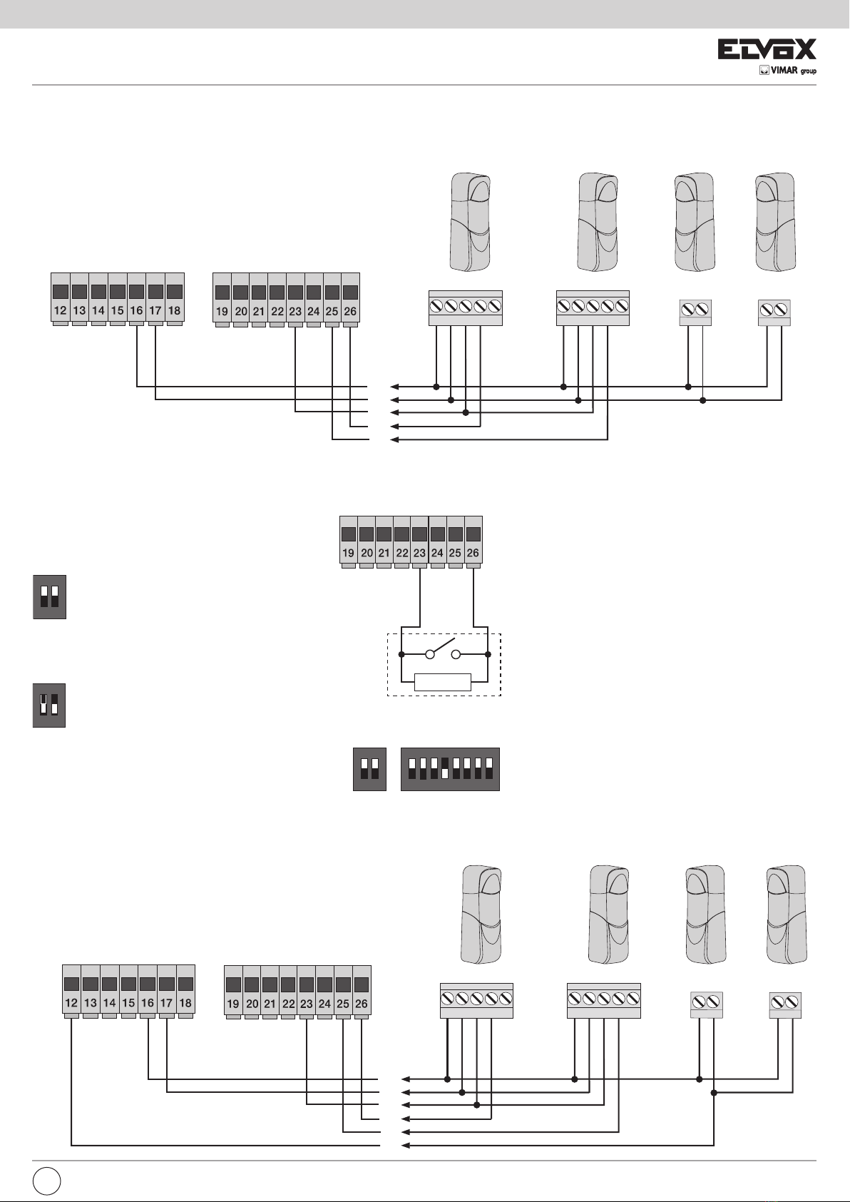
7
7- PROGRAMMAZIONE
Procedure rapida per l’ apprendimento della corsa per automazioni a doppia anta battente,con rallentamento.
Le procedure ridotte permettono di apprendere solo gli spazi di rallentamento, mentre i ritardi d’anta vengono fissati a 2 sec in apertura e 4 sec in chiusura.
CON RALLENTAMENTO
- Chiudere completamente il cancello.
- Premere il pulsante di apprendimento P1 per almeno 3 secondi
- Il LED DL8 comincia a lampeggiare lentamente
- Rilasciare il pulsante P1
- Attivare APCH: La prima anta si muove in apertura con velocità normale
- Quando si decide di cominciare la fase di corsa rallentata attivare APCH
- Inizia la fase di corsa rallentata del motore M1.
- Quando l’anta arriva alla totale apertura attivare APCH: la seconda anta si muove in apertura con velocità normale
- Quando si decide di cominciare la fase di corsa rallentata attivare APCH
- Inizia la fase di corsa rallentata del motore M2.
- Quando l’anta arriva alla totale apertura attivare APCH: la seconda anta si muove in chiusura con velocità normale
- Quando si decide di cominciare la fase di corsa rallentata attivare APCH
- Inizia la fase di corsa rallentata del motore M2.
- Quando l’anta arriva alla totale chiusura attivare APCH: la prima anta si muove in chiusura con velocità normale
- Quando si decide di cominciare la fase di corsa rallentata attivare APCH
- Inizia la fase di corsa rallentata del motore M1.
- Quando l’anta arriva alla totale chiusura attivare APCH
- Attendere che il LED DL8 si spenga.
- Apprendimento terminato con successo.
Procedure rapida per l’apprendimento della corsa per automazioni a doppia anta battente, senza rallentamento.
- Regolare al massimo il trimmer TR4-V.RALL (in senso orario)
- Chiudere completamente il cancello.
- Premere il pulsante di apprendimento P1 per almeno 3 secondi
- Il LED DL8 comincia a lampeggiare lentamente
- Rilasciare il pulsante P1
- Attivare APCH: La prima anta si muove in apertura con velocità normale
- Quando l’anta arriva alla totale apertura attivare APCH: la seconda anta si muove in apertura con velocità normale
- Quando l’anta arriva alla totale apertura attivare APCH: la seconda anta si muove in chiusura con velocità normale
- Quando l’anta arriva alla totale chiusura attivare APCH: la prima anta si muove in chiusura con velocità normale
- Quando l’anta arriva alla totale chiusura attivare APCH
- Attendere che il LED DL8 si spenga.
- Apprendimento terminato con successo.
Procedure completa per l’apprendimento della corsa per automazioni a doppia anta battente, con rallentamento.
Le procedure complete permettono di apprendere anche i ritardi d’anta
CON RALLENTAMENTO
- Chiudere completamente il cancello.
- Premere il pulsante di apprendimento P1 per almeno 3 secondi
- Il LED DL8 comincia a lampeggiare
- Non rilasciare il pulsante P1 e mantenerlo premuto per altri 3 secondi
- Il LED DL8 comincia a lampeggiare a frequenza più elevata
- Rilasciare il pulsante P1
- Attivare APCH: La prima anta si muove in apertura con velocità normale
- Quando si decide di cominciare la fase di corsa rallentata attivare APCH
- Inizia la fase di corsa rallentata del motore M1.
- Quando l’anta arriva alla totale apertura attivare APCH: la seconda anta si muove in apertura con velocità normale
- Quando si decide di cominciare la fase di corsa rallentata attivare APCH
- Inizia la fase di corsa rallentata del motore M2.
- Quando l’anta arriva alla totale apertura attivare APCH: la seconda anta si muove in chiusura con velocità normale
- Quando si decide di cominciare la fase di corsa rallentata attivare APCH
- Inizia la fase di corsa rallentata del motore M2.
- Quando l’anta arriva alla totale chiusura attivare APCH: la prima anta si muove in chiusura con velocità normale
- Quando si decide di cominciare la fase di corsa rallentata attivare APCH
- Inizia la fase di corsa rallentata del motore M1.
- Quando l’anta arriva alla totale chiusura attivare APCH
- Attivare APCH: si muove la prima anta in apertura e appena si decide che il tempo di sfasamento dell’anta è sufficiente attivare nuovamente APCH: si
muove la seconda anta in apertura.
- A cancello fermo completamente aperto.
- Attivare APCH: si muove la seconda anta in chiusura e appena si decide che il tempo di sfasamento dell’anta è sufficiente attivare nuovamente APCH:
si muove la prima anta in chiusura.
- Attendere che il LED DL8 si spenga
- Apprendimento terminato con successo.
I