9
I
Per eseguire una facile e corretta programmazione è indispensabile
seguire passo per passo le seguenti istruzioni:
1. Operazioni preliminari
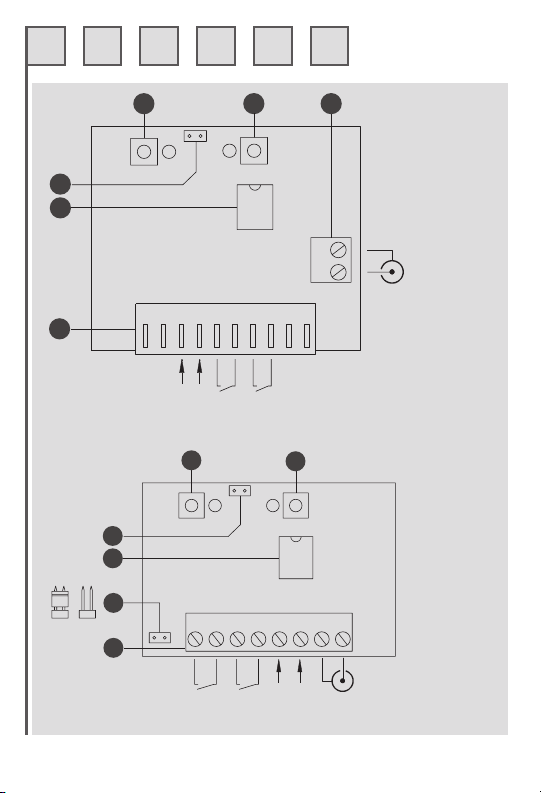
- Collegare sul ricevitore un’antenna accordata a 433MHz al morset-
to relativo all’antenna, in alternativa, diminuendo le caratteristiche
del ricevitore, può essere collegato uno spezzone di filo lungo 20
cm.
- Una volta inserito il ricevitore nella centralina oppure effettuato i
collegamenti necessari nella morsettiera, dare alimentazione.
- Appena viene data l’alimentazione il ricevitore compie un test
interno accendendo per 3 secondi il led L2.
2. Autoapprendimento
- Premere per un’attimo il tasto P1, il led relativo
emetterà una serie di 5 lampeggi.
- Entro questo periodo trasmettere con il teleco-
mando che si vuole utilizzare.
- L’accensione fissa del led per circa 3 secondi indica che il codice è
stato appreso con successo.
- Il led riprende a lampeggiare aspettando un nuovo telecomando
da memorizzare, se dopo altri 5 lampeggi non ne riceve nessuno, il
ricevitore esce automaticamente dalla fase di programmazione.
Il nostro trasmettitore e ricevitore sono già funzionanti!
- Seguire la stessa procedura anche per gli altri tasti P.
3. Significato dei lampeggi dei led
- L2 acceso per 3 secondi: è appena stata data alimentazione al rice-
vitore.
- Breve lampeggio di un led: è stato trasmesso con un telecomando
correttamente memorizzato, e si attiva il rispettivo relè.
- Lampeggio contemporaneo di tutti i led: In fase di programmazio-
PROGRAMMAZIONE STANDARD