
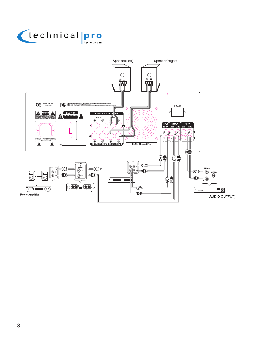
Congratulations and thank you for your purchase of this Technical Pro professional karaoke
amplifier, the MM3000. To get the most from your
MM3000
,
it is recommended that you review all of the information provided in this instruction manual before operating this equipment.
If you've spent any time at all in professional audio, you know the name Technical Pro and what it stands for — incredible performance &
sound, and the ultimate in reliability under harsh conditions. And now, Technical Pro offers the same technology in a series of karaoke amplifier
bringing more of what sets Technical Pro apart from all others.
1- Read these instructions thoroughly before using this item.
2- Keep these instructions for future reference.
3- Heed all warnings.
4- Follow all instructions.
5- WARNING: To prevent fire or electric shock, do not expose this equipment to rain or moisture. Do not store or operate this
product near any liquids.
6- Clean only with a dry cloth.
7- Do not store or operate this product near any heat sources such as radiators, heat registers, stoves, or other apparatuses
(including amplifiers) that produce heat.
8- Do not defeat the safety purpose of the polarized or grounding-type plug. A polarized plug has two blades with one wider than
the other. A grounding plug has two blades and a round grounding prong. The wide blade or third prong is provided for your safety.
If the provided plug does not fit your outlet, consult an electrician for the replacement of the obsolete outlet.
9- Protect the all wires connected to this unit from being walked on or pinched, particularly plugs and the point where they exit from
the unit. When removing the cord from the power outlet, remove it by holding the plug not by pulling the cord.
10- Unplug the unit during lightning storms or when unused for long periods of time.
11- When wiring this unit and all other equipment used in connection to this unit make sure that all of your equipment is turned OFF.
12- Once installation and wiring is complete power on all your equipment with the volume and level controls turned DOWN. Once
all the equipment is ON slowly raise the volume or level controls to their proper positions.
13- When grounding this unit, be sure to do so correctly, so as not to defeat the built-in grounding in this unit.
14- Before placing, installing, rigging, or suspending any product, inspect all hardware, suspension, cabinets, transducers,brackets
and associated equipment for damage. Any missing, corroded, deformed, or non-load rated component could significantly reduce
the strength of the installation, placement or array. Any such condition severely reduces the safety of the installation and should be
immediately corrected. Use only hardware which is rated for the loading conditions of the installation and any possible short-term,
unexpected overloading. Never exceed the rating of the hardware or equipment.
15- Consult a licensed, Professional Engineer regarding physical equipment installation. Ensure that all local, state and national
regulations regarding the safety and operation of equipment are understood and adhered to.
16- Refer all servicing to qualified service personnel. Servicing is required when the apparatus has been damaged in any way,
such as power supply cord or plug is damaged, liquid has been spilled or objects have fallen into the apparatus, the apparatus
has been exposed to rain or moisture, does not operate normally, or has been dropped.
WARNING!
CAUTION: TO REDUCE THE RISK OF ELECTRIC SHOCK, DO NOT REMOVE THE COVER OF THIS UNIT. THERE
ARE NOUSER-SERVICEABLE PARTS INSIDE. REFER ALL SERVICING TO A QUALIFIED TECHNICIAN.
The lightning flash with arrowhead symbol within an equilateral triangle is intended to alert the user to the presence
of "dangerous" voltage within the product's enclosure that may be of sufficient magnitude to constitute a risk of
electric shock to humans. Users should exhibit extra safety when this symbol appears in this instruction manual and
follow all precautions as they are stated.
The exclamation point within an equilateral triangle is intended to alert the user to the presence of important
operating and maintenance (servicing) instructions in this manual.
Introduction
MM3000