
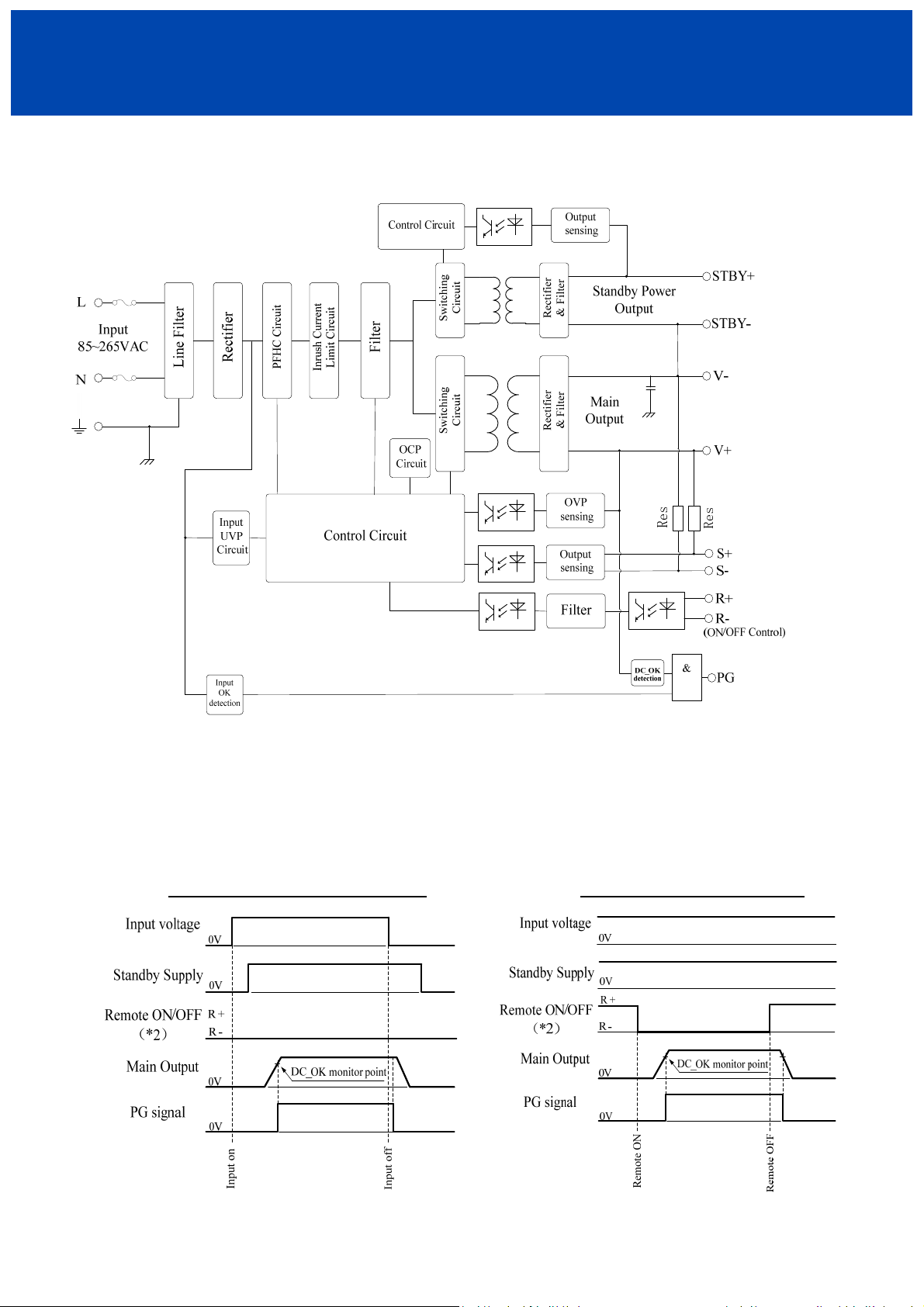
2/22
TDK-Lambda
CUS600M
INSTRUCTION MANUAL
CAUTION on USE
Product individual notes are shown in the instruction manual. If there is any difference with common notes individual notes shall
have priority.
Before using this product, be sure to read the catalog and instruction manual. There is risk of electric shock or damage to the product
or fire due to improper use.
Input voltage, Output current, Output power, ambient temperature and ambient humidity should be kept within specifications,
otherwise the product will be damaged, or cause electric shock or fire.
If the built-in fuse is blown, do not use the product even after replacing the fuse, as there is risk of abnormality inside. Be sure to
request repair to our company.
For products without built-in protection circuit (element, fuse, etc.), insert fuse at the input to prevent smoke, fire during abnormal
operation. As for products with built-in protection circuit, depending on usage conditions, built-in protection circuit might not work.
It is recommended to provide separate proper protection circuit.
For externally mounted fuse do not use other fuses aside from our specified and recommended fuse.
This product was made for general purpose electronic equipment use and is not designed for applications requiring high safety (such
as extremely high reliability and safety requirements. Even though high reliability and safety are not required, this product should not
be used directly for applications that have serious risk for life and physical safety. Take sufficient consideration in fail-safe design
(such as providing protective circuit or protective device inside the system, providing redundant circuit to ensure no instability when
single device failure occurs).
When used in environments with strong electromagnetic field, there is possibility of product damage due to malfunction.
When used in environment with corrosive gas (hydrogen sulfide, sulfur dioxide, etc.) , there is possibility that they might penetrate
the product and lead to failure.
When used in environments where there is conductive foreign matter or dust, there is possibility of product failure or malfunction.
Provide countermeasure for prevention of lightning surge voltage as there is risk of damage due to abnormal voltage.
Connect together the frame ground terminal of the product and the ground terminal of the equipment for safety and noise reduction.
If these ground is not connected together, there is risk of electric shock.
Parts with lifetime specifications (built-in fan electrolytic capacitor) are required to be replaced periodically. Set the overhaul period
depending on the environment of usage and perform maintenance. Also, note that there are cases when EOL products cannot be
overhauled.
Take care not to apply external abnormal voltage to the output. Especially, applying reverse voltage or overvoltage more than the
rated voltage to the output might cause failure, electric shock or fire.
Take care not to apply mechanical stress on surface mounted components otherwise causing failure for power supply.
This product has possibility that hazardous voltage might occur in output terminal depending on failure mode. The output of these
products must be protected in the end use equipment to maintain SELV.
For product with built-in fan, do not block the air intake and exhaust as this might lead to fire
General installation instructions
These products are optional for installation in Class I or Class II end equipment, and for Class I must be reliably earthed and
professionally installed, for Class II no earth connection to the power supply is required. (For more detailed information , Please
contact with us)
These products are IPX0, and therefore chemicals/solvents, cleaning agents and other liquids must not be used.
The first protective earth connection in the final installation must be marked with the protective earth symbol.