
1. Beschreibung
3 3/4-stelliges digitales Volt- und Ampèremeter
Einbauinstrument mit LCD Anzeige, LED Beleuchtung,
zusätzlicher 40 Segment Bargraphanzeige, Low Bat
Anzeige und RS232 Schnittstelle. Instrument
konfigurierbar für AC oder DC Messung.
Dieses Instrument hat eine automatische
Bereichsumschaltung bei einem Messbereich von
400mV bis 300V, sowie einen wählbaren
Eingangsstrommessbereich von 1µA bis 10A. Min. &
max. Werte werden abgespeichert und können
abgerufen werden. Die Versorgungsspannung beträgt
5V bis 16V DC.
2. Sicherheitshinweise
Die maximale Spannung, die an den
Messeingängen angelegt werden darf ist
300V. INLO (0 V) ist intern an VSS (0 V)
angeschlossen.
Hinweis:
Die Signalleitungen, die an dieses Gerät angeschlossen
werden, dürfen eine Gesamtlänge von 30m nicht
überschreiten. Werden Signalleitungen ausserhalb von
Gebäuden verlegt, müssen zusätzliche
Schutzmassnahmen gegen Surge Störimpulse
vorgesehen werden.
3. Technische Daten
Anzeige
Ziffernhöhe 11 mm; 40-Segment Balkenanzeige;
Vornullenunterdrückung; Low Bat; x10, x100, DC, AC,
µ, m, A, V, MIN, MAX
Eingangsbereich
± 0,1 mV bis 300 V; ± 0,1 µA bis 10 A
Genauigkeit
DC: V, µA, mA: ±1%
DC: A: ±3%
AC: 40–650 Hz: V, µA, mA: ±1%; A: ±3%
AC: 650–2700 Hz: ±5%
Linearität
± 0,1% Vollskala
Musterrate
1 Sek.
Eingangsimpedanz
V: 10 MΩ
0 bis 399,9 µA: 500 Ω
400 bis 3999 µA: 50 Ω
0 bis 39,9 mA: 5 Ω
40 bis 399,9 mA: 0,5 Ω
0 bis 10 A: 0,005 Ω
Anschlüsse
Messeingang: Schraubanschlüsse für Kabel bis
zu 1,5 mm²
Versorgung und Steuerung
2 x 5-polig 0,1" Abstand
Steuerungseingänge
Nur Sink oder Kontakt
RS232-Ausgang
2400 Baud, 7 Bit, ungerade Parität, 1 Stoppbit
Versorgung
5 bis 16 VDC ± 10%, max. 15 mA
Hintergrundbeleuchtung
5 bis 8 VDC oder 12 VDC ±0.5V; max. 110mA
Installationskategorie (IEC 664)
Überspannungskategorie II
Verunreinigungsgrad 2 (IEC 64)
Betriebstemperatur
0°C bis +60°C
Lagertemperatur
-20°C bis +70°C
Umgebungsschutz
IP50
Höhe
bis zu 3000 m
Relative Luftfeuchtigkeit
max. 85% nicht kondensierend
4. Leiterplatte
5. Konfiguration AC oder DC Messung an
Lötbrücke SB
SB offen = DC
SB geschlossen = AC
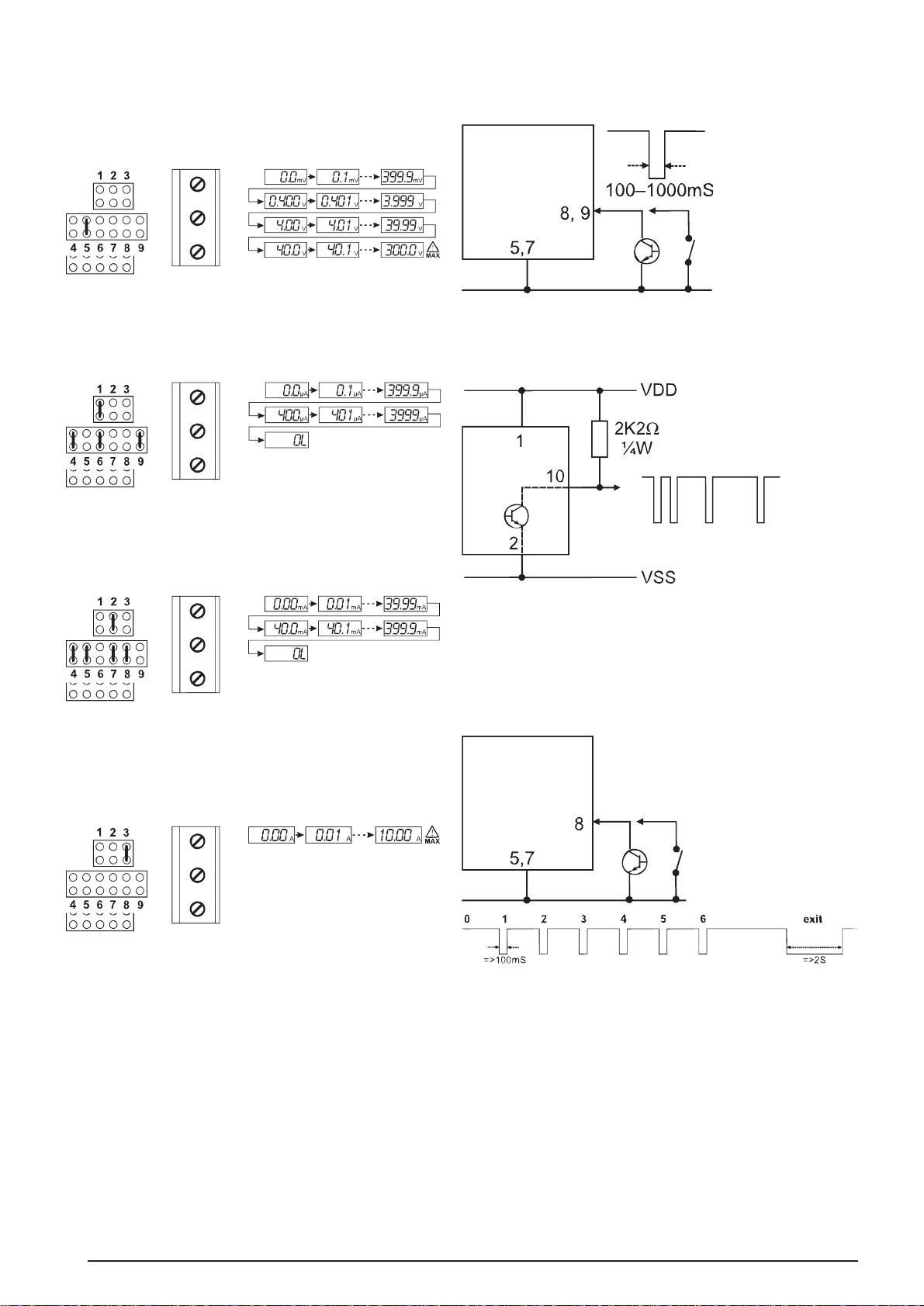
6. Anschluss Versorgung und Steuerung
an Stiftleiste CN1
1VDD 5 VDC bis 16 VDC
2VSS 0 V
3Hintergrundbeleuchtung BL+
4Hintergrundbeleuchtung BL-
5Gemeinsame Basis
6nicht angeschlossen
7Gemeinsame Basis
8MAX/MIN
9RS232-Trigger
10 RS232-Ausgang
7. Anschluss Versorgung Hintergrund-
beleuchtung an CN1
3 5 bis 8 VDC (Steckbrücke an BL setzen) oder 12
VDC.
4 0 V
8. Anschluss Messeingang an Schraub-
klemmen ST
1: INHI
±0,1 mV bis 300,0 V
±0,1 µA bis 3999 µA
±0,01 mA bis 399,9 mA
2: INHI
±0,01 A bis 10,0 A
3: INLO
0 V
!
3
2
1
10 8 6 4 2
9 7 5 3 1
SB
ST
BL CN1
CN2
CN3
02