
4. Go to programming step #16 and make the setpoint
much higher than the current AI reading. If the digital
output(s) are set for heat mode, the digital output(s)
should come on. If the digital output(s) are set for cool
mode, the digital output(s) should go off. If the analog
output is set to direct acting, it should go to 0% (0 or
4mA). If the analog output is set to reverse acting, it
should go to 100% (20mA).
5. Go to programming step #21 and make the setpoint
much lower than the current AI reading. If the digital
output(s) are set for heat mode, the digital output(s)
should go off. If the digital output(s) are set for cool
mode, the digital output(s) should come on. If the ana-
log output is set to direct acting, it should go to 100%
(20mA). If the analog output is set to reverse acting, it
should go to 0% (0 or 4mA).
6. Go back and reprogram programming step #16 and/or
#21 for operation.
TROUBLESHOOTING
No Display
Check for 24 VAC on terminals 24VAC “R” and GND “C”.
Relay Outputs Do Not Come On
Check the setpoint, deadbands, offsets and differentials.
Check to be sure that the digital outputs are programmed
properly for "heating" or "cooling" (make on fall, make
on rise), and that they are not disabled. Short "L1/2" to
"M1" to bypass digital output one, and "L1/2" to "M2" to
bypass digital output two. This is a check for a mechani-
cal relay failure.
Wrong Temperature Display
If either of the two analog input readings is slightly high
or low, the respective Low and High scaling limits can be
adjusted slightly. Let’s say that the AI1 value is 5° Low
and that AI1 has a span from -40 to 160°F. Change the
scaling for the Low and High scaling limits to be -35°F to
165°F, instead of -40°F to 160°F. You can also measure
DC voltage from "AI1" to GND "C" and "AI2" to GND
"C". The 4 to 20mA inputs are represented as 1 to 5VDC
signals here. Using this knowledge, you can determine
whether the problem is with the controller or your input
device.
Outputs Will Not Shut Off
First check the AI1 value and the setpoint and deadbands,
then determine whether the output should be on. There are
delays and minimum on and off times for the relay stages.
Also, check the monitoring menus to verify that the digital
outputs are on. Pulling the terminal with the 24VAC “R”
and GND “C” wires off, will instantly turn all outputs off and
reset the controller.
Analog Output Not Working Properly
Check wiring. A separate transformer should be used for
the SZ1143b and a separate transformer should be used
for the modulating device. Check to make sure that the
analog output is programmed correctly.
the analog output device open or closed during unoccu-
pied times. "Modulating" will modulate the analog output
device to maintain the “unoccupied” setpoint.). Enter a
proportional band (throttling range) in percent.
For proportional only control, set the integral and deriva-
tive values to zero.
If using integral and/or derivative control, also enter the
integral and derivative values. If either the integral or the
derivative values is non-zero, the proportional band is no
longer a proportional value, but a gain value.
For PID control, lowering each of the three constants
slows down the response, and raising each of the three
constants speeds up the response.
DI2 AQUASTAT
When DI2 is selected to have an aquastat function,
operation is as follows.
With DI2 "Open", the analog output operates in its pro-
grammed mode. When DI2 is "Closed", the analog out-
put uses the opposite of the selected direct or reverse
action, and if the analog output has been selected to
modulate from endpoint, the analog output uses the
opposite of the selected heat or cool mode.
BUILT-IN DELAYS
The SZ1143b has delays built into the programming
sequences to protect equipment. Each stage has a
minimum on and off time of two minutes. There is a
minimum of two minutes between when one stage turns
on until the next stage is allowed to turn on, as well as
when one stage turns off until the next stage is allowed
to turn off.
Checkout & Troubleshooting
CHECKOUT
Note: The stages have a minimum on and off time of 2 min-
utes.
You may verify the status of the stages and analog
output in monitoring screens 3, 4, and 5, which are
accessed by pressing the “Scroll” key.
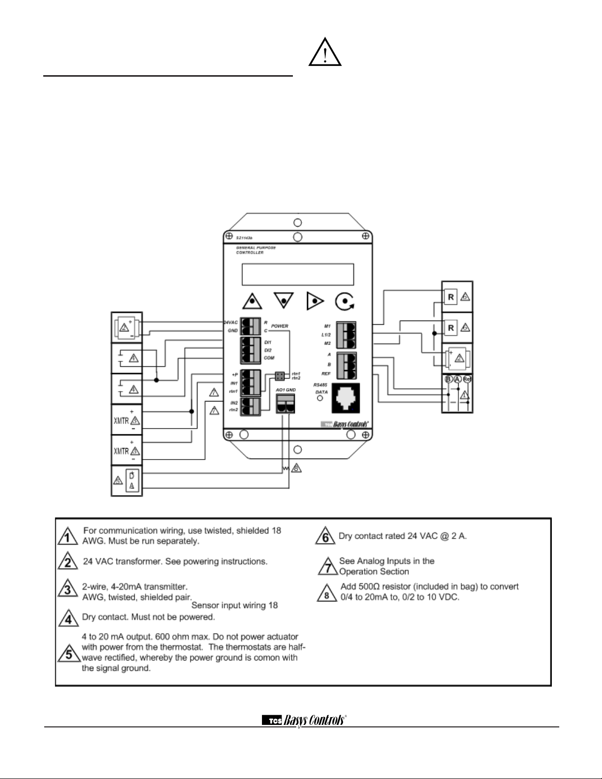
1. Verify all wiring prior to powering the controller.
2. Turn power on. The controller will display a momen-
tary screen with the model number, another momen-
tary screen with the version number and then the
main monitoring screen with the current AI1 value.
3. Take note of the current AI1 reading. Go into program-
ming mode. Go to programming step #16 and set AI2
mode to monitor.
2800 LAURA LANE • MIDDLETON, WI 53562 • (800) 288-9383 • FAX (608) 836-9044 • www.tcsbasys.com
8
* SZ1143b *
TCS V2.2 (c)
AI1 0
AI2 0