
I '
\_,!
TABLE
OF
CONTENTS
SECTION
I.
GENERAL
1.1
1.
2
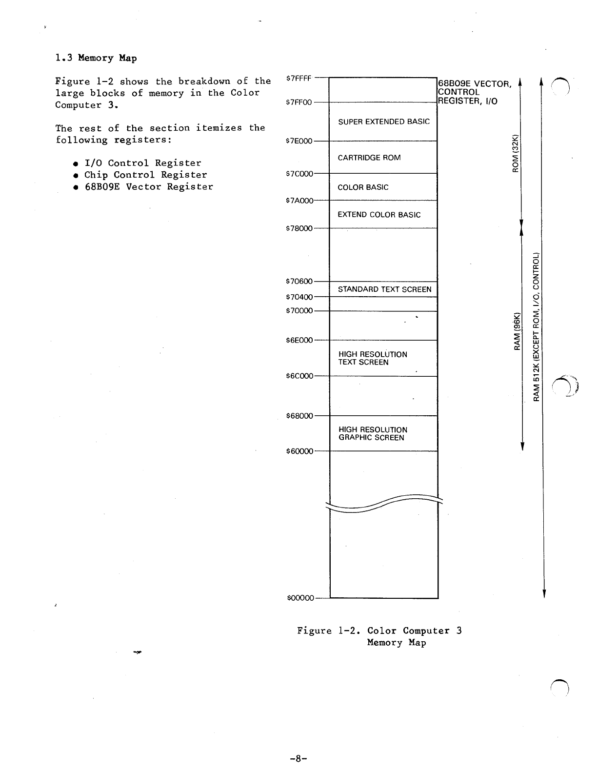
1.3
1.4
1.5
1.6
Introduction.......
5
System
Description
5...,.
Memory Map • • • • • • • • • • • • • • • • • • • • • • • • • • • • • • 8
I/O
Control
Registers
•••••••.••.•••••••••••••
9
Chip
Control
Registers
•••••••.••••••.•••••.
11
68B09E
Vector
Registers
•••••••••••••••••..•
22
SECTION
II.
SPECIFICATIONS
2.1
2.2
Technical
Physical
•••.•...•...••..••.•.
'
...•.•••......
23
.....
25
SECTION
III.
DISASSEMBLY/ASSEMBLY
3.1
3.2
3.3
Disassembly
..................................
26
Assembly
.....................................
26
512K
RAM
Upgrade
Instructions
••••••••••••••••
27
SECTION
IV.
BLOCK
DIAGRAM
4.1
4.2
NTSC
Version
..••.•.••.•...•..........•...•...
28
PAL
Version
..•.......•.••.......•••...••....•
29
SECTION
V.
THEORY
OF
OPERATION
5.1
5.2
5.3
5.4
5.5
5.6
5.7
5.8
5.9
5.10
5
.11
5.12
5
.13
5.14
5.15
MC68B09E/MBL68B09E/HD68B09E
(ICl)
•••••••••••••
30
Memory
(RAM)
•••••••••••
·
•••••••••••••••••••••
•34
TCC1014
(VC2645QC)
•••••••••••••••••••••••••••
36
PAL
Encoder
(PAL
Version
Only)
•••••••••••••••
38
PIAs (IC4 and IC5)
•••••••••••••••••••••••••••
39
K~yboard
Interface
(ICS)
••••••••••••••••••••••
40
ROM
(
IC
2)
••••••••••••••••••••••••••••••••••••
41
DAC
Circuitry
(IC7)
••••••••••••••••••••••••••
42
SALT
Circuitry
..•................•..........
. 44
Cassette
Tape Format
Information
••••••••••••
47
RS-232C
Connector
(JK3)
••••••••••••••••••••••.
47
Cartridge
Connector
(CNl)
••••••••••••••••••••
49
Power
Transformer
•.••....•.•.•..•..•....•..•••
52
Joysticks·
..........................•.........
52
TV
Switch
Box
(NTSC
Version
Only)
••••••••••••
53
SECTION
VI.
TROUBLESHOOTING
6
.1
6.2
Introduction
•••••••••••••••.••••••••••••••••••
54
Video
Problems
................................
55
No
Display/No
Sync/Noisy
Video
..••.••••••••••
55
Wrong
Color
.................................
55
No
Color
....................................
55
Random
Character/Clear
Screen/No
Sign-on
••••
55
RGB
Problem
...•......................
•
..
•
....
55
Composite Video
Signal
Adjustment
(PAL
Version
Only)
•••..••••••..•.•...•••••••
56
-2-