
2
ES4117C POWER SUPPLY MODULE INSTALLATION INSTRUCTIONS
( ) Unplug theAC power cord from the mains outlet and allow time for the high voltage to discharge to
0 VDC.
( ) Disconnect the remote power supply cable from the Swan radio.
( ) Do not plug in the power cord and re-apply power until you have completed the installation,
inspected it and removed any short circuits and stray wire clippings.
( ) Remove the cover of the power supply by removing the six (6) screws (three on each side) and lift
the cover off. Turn the supply over and remove the four (4) screws securing the bottom cover of
the power supply.
Before beginning the installation take whatever time is necessary to familiarize yourself with the 117C
power supply as built. The connections and wire colors on the new module have been chosen to agree
with the original Swan nomenclature in an attempt to eliminate any confusion during installation of the
module. Look at the schematic and take the time to trace out the wiring. Make certain that the unit you
are going to work on is in agreement with the documentation provided prior to starting the installation.
Make the information presented there “your own”. Do not assume or get in a hurry. There is no prize for
being fast, only for being right. If something doesn’t look right, contact Electronic Specialties before
proceeding. It is mucheasier to provideassistance before it becomes a pile of loose parts. Manufacturers
have been known to deviate from what is generally accepted as “gospel” in the midst of a production run
and that can cause problems during installation.
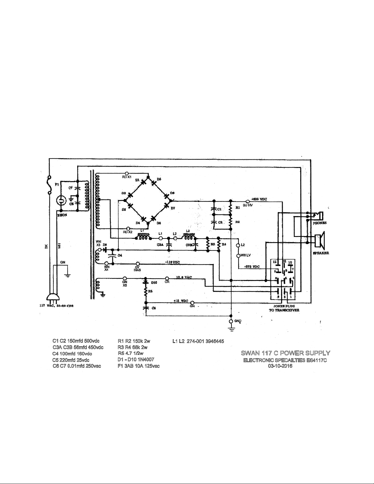
With the 117C power supply resting on its top, the front panel to your right and the power cables to your
left, we can identify components according to that orientation. The two large electrolytic capacitors C1
and C2 are to the right of center with the one furthest from you being C1 and the closest is C2. These
may be single- or dual-section electrolytic capacitors depending on age of the power supply. If they are
dual-section both sections were wired together in parallel. Notice also the two filter chokes. The one
closest to you is identified as L1 while the one furthest from you as L2. Swan did not label them on the
original schematic, but they are identified on the corrected schematic.
( ) Disconnect the wiring from electrolytic capacitors C1 and C2. You may elect to leave the capacitors
in place to preserve the vintage look or just remove them completely. If you do leave C1 and C2 in
the supply, make sure that all wiring is removed from them.
( ) Carefully unsolder and mark all wire connections to the original power supply printed circuit board
(PCB). The PCB is mounted to the four transformer bolts. DO NOT just cut the wires as often the
wire leads are too short to cut them and strip a new end.
1. From the edge of the PCB closest to you is a WHITE transformer lead identified as X3. The
WHITE transformer lead X3 is one end of the bias supply winding.
2. Immediately to the left of X3 is a GREEN transformer lead X5 and a large ORANGE power
cable wire supplying 12.6 VAC to the remote radio cable.
3. Along the left edge proceeding clockwise is a RED transformer lead X1.
4. Next is a small GREEN small wire supplying 12 VDC to the remote radio cable and the positive
(+) lead of a 100 µF electrolytic capacitor and another RED transformer wire identified as X2.
The two RED wires are the high voltage supply winding from the transformer.
5. Proceeding clockwise along the edge furthest from you is a large WHITE wire supplying +275
VDC to the remote radio cable.