
9
INSTRUCCIONES EN ESPAÑOL
INSTALACION
Retire los accesorios de empaque (plásticos protectores, cartón y tiras engomadas). Limpie el exterior
con un trapo suave y seco, y el interior con un trapo húmedo y tibio.
UBICACION
1. Seleccione un lugar con un piso firme y nivelado.
2. Su refrigerador requiere ventilación. Deje un espacio mínimo de 6” hacia arriba y espacio
suficiente en el respaldo para permitir la circulación de aire.
3. Evite luz directa del sol o calor. La luz directa del sol puede afectar la capa de pintura. Las
fuentes de calor en su proximidad causarán un consumo mayor de electricidad.
4. Para un mejor desempeño, nivele el refrigerador utilizando las patas ajustables o tornillos
niveladores. Para verificar el nivel, abra la puerta hasta la mitad, debe regresar sola.
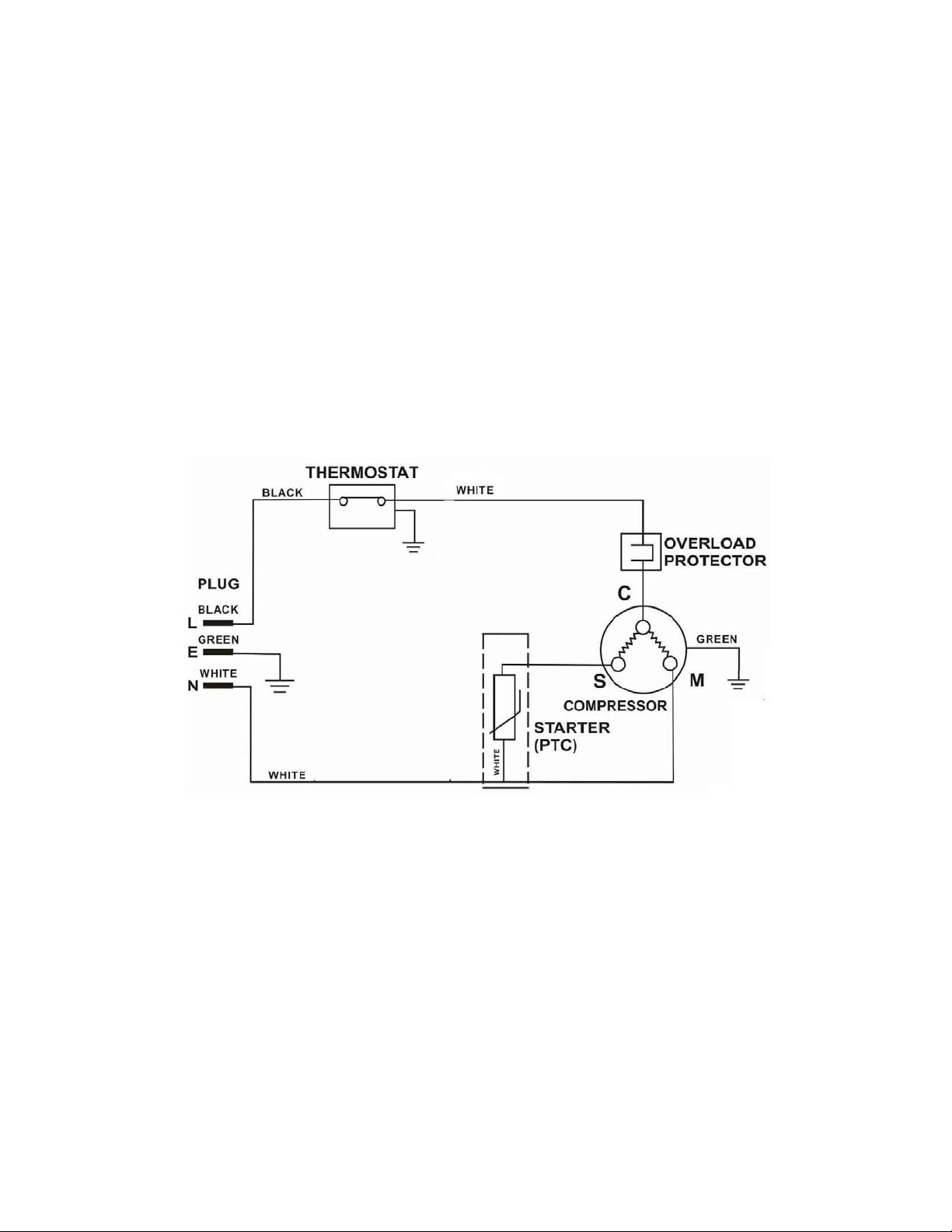
INSTRUCCIONES PARA LA CONEXION A TIERRA
Este aparato electrodoméstico debe estar conectado a tierra. En caso de un cortocircuito eléctrico, la
conexión a tierra reduce el riesgo de choque eléctrico proporcionando un cable de escape para la
corriente eléctrica. Este aparato viene equipado con un cordón que posee un cable a tierra con un
enchufe de conexión a tierra. Este enchufe debe estar conectado en un tomacorriente instalado
correctamente y conectado a tierra.
ADVERTENCIA
El uso inadecuado del enchufe de conexión a tierra puede resultar en un riesgo de choque eléctrico.
Consulte con un electricista si no comprende bien las instrucciones de conexión a tierra o si existe
alguna duda sobre si el aparato está conectado a tierra correctamente.
NO USE UN CORDON DE EXTENSION ELECTRICA
Use un tomacorriente de pared exclusivo. No conecte su refrigerador a cordones de prolongación
eléctrica o junto a cualquier otro electrodoméstico en el mismo tomacorriente de pared.
ADVERTENCIA IMPORTANTE:
Un refrigerador vacío es una atracción muy peligrosa para los niños. Quite los sellos magnéticos,
puertas o cerraduras de todo electrodoméstico que no esté en uso.
OPERACION
Enchufe el cable a la toma de corriente, que debe ser 115-120v, 10 AMP o más. Para evitar vibraciones,
la caja debe estar bien nivelada. Para encender el refrigerador, gire el control de temperatura a la
posición que corresponda al enfriamiento deseado. Bajo condiciones normales mueva el control a la
posición “1” o “2”. De otra manera ajuste la temperatura siguiendo las indicaciones señaladas en los
gráficos. Quite la bandeja de goteo.
COMO AJUSTAR EL CONTROL DE TEMPERATURA
Su unidad tiene un solo control para regular la temperatura, este control se encuentra localizado en la
parte superior derecha del compartimiento.
Al conectar y encender su unidad, asegúrese de rotar el control de temperatura hacia la posición de “5”.
Este control de temperatura puede variar desde “0” hasta la posición “5”, después de haberse