
HCD-V3900/V5900
E Model
SERVICE MANUAL
COMPACT HI-FI STEREO SYSTEM
MICROFILM
ManufacturedunderlicensefromDolbyLaboratories
Licensing Corporation.
“DOLBY”andthedouble-Dsymbolaaretrademarks
of Dolby Laboratories Licensing Corporation.
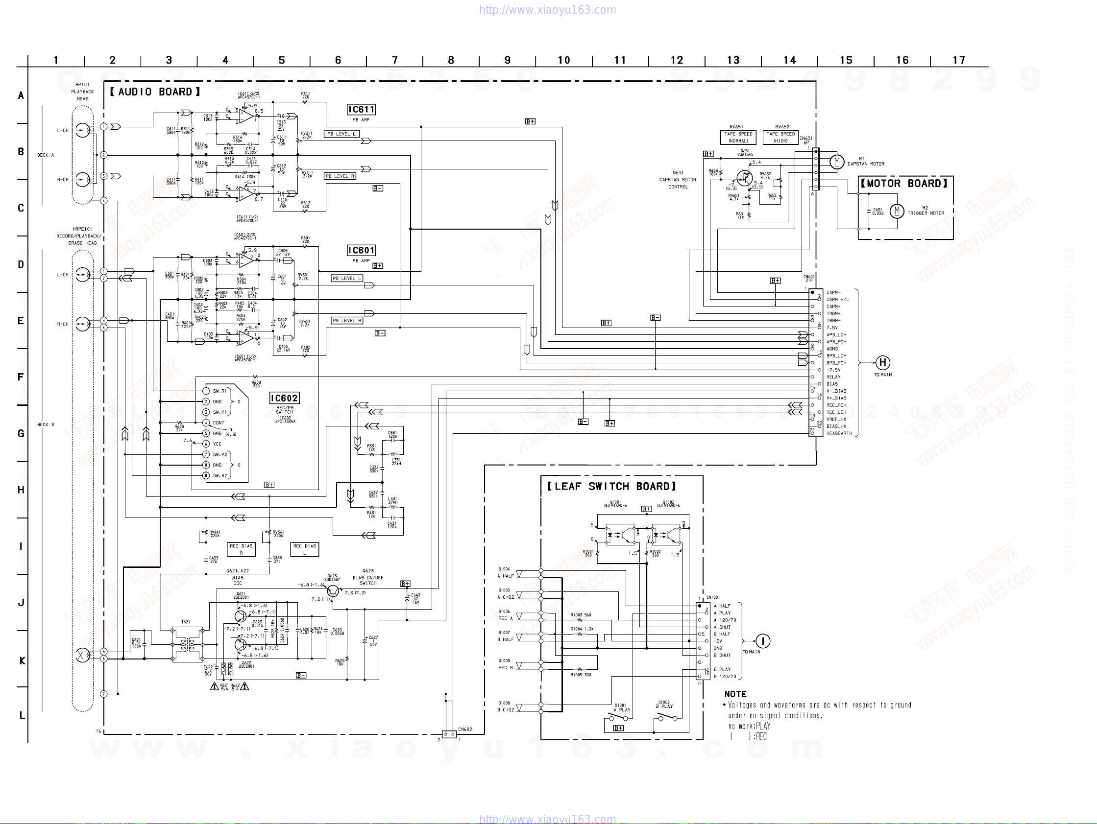
Model Name Using Similar Mechanism HCD-V4800
CD CD Mechanism Type CDM37L-5BD21AL
Section Base Unit Name BU-5BD21AL
Optical Pick-up Name KSS-213D/Q-NP
Tape deck Model Name Using Similar Mechanism HCD-V4800
Section Tape Transport Mechanism Type TCM-220WR2
• This set is the tuner, deck,Video CD and
amplifier section in LBT-V3900/V5900.
— Continued on next page —
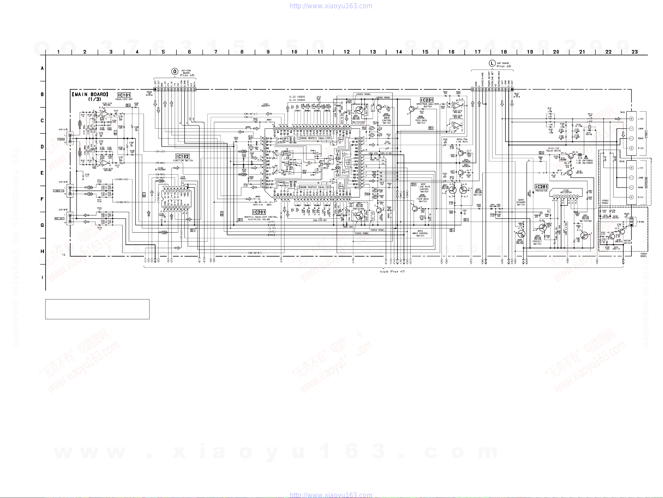
SPECIFICATIONS
Amplifier section
(HCD-V3900)
The following measured at AC 120/240 V, 50 Hz
DIN power output (Rated)
100 + 100 watts
(6 ohms at 1 kHz, DIN)
Continuous RMS power output (Reference)
120 + 120 watts
(6 ohms at 1 kHz, 10 % THD)
The following measured at AC 220 V, 50 Hz
DIN power output (Rated)
90 + 90 watts
(6 ohms at 1 kHz, DIN)
Continuous RMS power output (Reference)
105 + 105 watts
(6 ohms at 1 kHz, 10 % THD)
Peak music power output (Reference)
1,500 watts
(HCD-V5900)
The following measured at AC 120/240 V, 50 Hz
DIN power output (Rated)
120 + 120 watts
(6 ohms at 1 kHz, DIN)
Continuous RMS power output (Reference)
140 + 140 watts
(6 ohms at 1 kHz, 10 % THD)
The following measured at AC 220 V, 50 Hz
DIN power output (Rated)
110 + 110 watts
(6 ohms at 1 kHz, DIN)
Continuous RMS power output (Reference)
130 + 130 watts
(6 ohms at 1 kHz, 10 % THD)
Peak music power output (Reference)
2,000 watts
Inputs
PHONO IN (phono jacks):
sensitivity 3 mV,
impedance 47 kilohms
VIDEO (AUDIO) IN (phono jacks):
sensitivity 250 mV,
impedance 47 kilohms
MIX MIC (phono jack):
sensitivity 1 mV,
impedance 10 kilohms
Outputs
VIDEO (AUDIO) OUT (phono jacks):
voltage 250 mV, impedance 1 kilohm
VIDEO (phono jack):
max. output level 1 Vp-p, unbalanced,
Sync negative, load impedance 75 ohms
S-VIDEO (4-pin/mini-DIN jack):
Y: 1 Vp-p, unbalanced, Sync negative
C: 0.286 Vp-p, load impedance 75 ohms
PHONES (stereo phone jack):
accepts headphones of 8 ohms or more
SPEAKER:
accepts impedance of 6 to 16 ohms
Video CD/CD player section
System Compact disc digital audio and video
system
Laser Semiconductor laser (= 780 nm)
Emission
duration: continuous
Laser output
Max. 44.6 µW*
* This output is the value measured at a
distance of 200 mm from the objective
lens surface on the Optical Pick-up Block
with 7 mm aperture.
Wavelength
780 – 790 nm
Frequency response
2 Hz – 20 kHz (±0.5 dB)
Signal-to-noise ratio
More than 90 dB
Dynamic range
More than 90 dB
Video Color system format:
NTSC, PAL
Photo : HCD-V5900
w
w
w
.
x
i
a
o
y
u
1
6
3
.
c
o
m
Q
Q
3
7
6
3
1
5
1
5
0
9
9
2
8
9
4
2
9
8
T
E
L
1
3
9
4
2
2
9
6
5
1
3
9
9
2
8
9
4
2
9
8
0
5
1
5
1
3
6
7
3
Q
Q
TEL 13942296513 QQ 376315150 892498299
TEL 13942296513 QQ 376315150 892498299
http://www.xiaoyu163.com
http://www.xiaoyu163.com