— 3 —
SAFETY-RELATED COMPONENT WARNING!!
COMPONENTS IDENTIFIED BY MARK !OR DOTTED LINEWITH
MARK !ON THE SCHEMATIC DIAGRAMS AND IN THE PARTS
LIST ARE CRITICAL TO SAFE OPERATION. REPLACE THESE
COMPONENTS WITH SONY PARTS WHOSE PART NUMBERS
APPEAR AS SHOWN IN THIS MANUAL OR IN SUPPLEMENTS
PUBLISHED BY SONY.
After correcting the original service problem, perform the
following safety checks before releasing the set to the customer:
Checkthe antenna terminals, metaltrim, “metallized” knobs, screws,
and all other exposed metal parts forAC leakage. Check leakage as
described below.
LEAKAGE
The AC leakage from any exposed metal part to earth ground
and from all exposed metal parts to any exposed metal part having
a return to chassis, must not exceed 0.5 mA (500 microamperes).
Leakage current can be measured by any one of three methods.
1. A commercial leakage tester, such as the Simpson 229 or RCA
WT-540A. Follow the manufacturers’instructions to use these
instruments.
2. A battery-operated AC milliammeter. The Data Precision 245
digital multimeter is suitable for this job.
3. Measuring the voltage drop across a resistor by means of a
VOM or battery-operatedAC voltmeter.The “limit” indication
is 0.75V, so analog meters must have an accurate low-voltage
scale. The Simpson 250 and Sanwa SH-63Trd are examples of
a passive VOM that is suitable. Nearly all battery operated
digital multimeters that have a 2V AC range are suitable. (See
Fig. A)
SAFETY CHECK-OUT
To Exposed Metal
Parts on Set
0.15
µ
F1.5 k
Ω
AC
Voltmeter
(0.75 V)
Earth Ground
Fig.A. Using an AC voltmeter to checkAC leakage.
ATTENTION AU COMPOSANT AYANT RAPPORT
À LA SÉCURITÉ!
LES COMPOSANTS IDENTIFÉS PAR UNE MARQUE !SUR LES
DIAGRAMMES SCHÉMATIQUES ET LA LISTE DES PIÈCES SONT
CRITIQUES POUR LA SÉCURITÉ DE FONCTIONNEMENT. NE
REMPLACER CES COMPOSANTS QUE PAR DES PIÈSES SONY
DONT LES NUMÉROS SONT DONNÉS DANS CE MANUEL OU
DANS LES SUPPÉMENTS PUBLIÉS PAR SONY.
TABLE OF CONTENTS
1. GENETAL··········································································· 4
2. TEST MODE······································································ 6
3. DIAGRAMS
3-1. Circuit Boards Location ····················································· 7
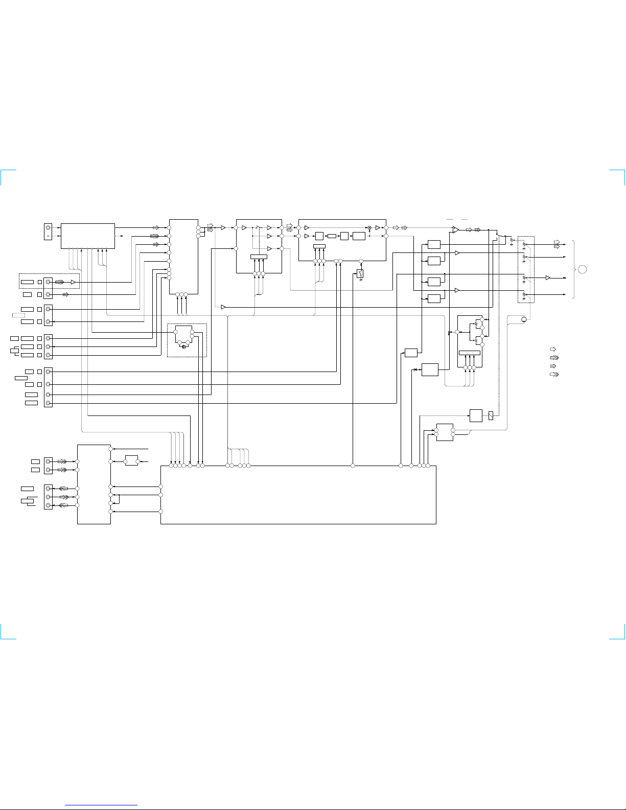
3-2. Block Diagrams ·································································· 9
• Main Section ···································································· 9
• Power Section ································································ 11
3-3. Printed Wiring Board — Input Section — ·······················13
3-4. Schematic Diagram — Input Section — ·························· 15
3-5. Printed Wiring Board — Surround Section —················· 17
3-6. Schematic Diagram — Surround Section — ··················· 19
3-7. Printed Wiring Board — Display Section — ···················21
3-8. Schematic Diagram — Display Section — ······················ 23
3-9. Printed Wiring Board — Key Section — ························· 25
3-10. Schematic Diagram — Key Section — ··························· 27
3-11. Printed Wiring Board — Rear Amp Section — ··············· 29
3-12. Schematic Diagram — Rear Amp Section — ··················31
3-13. Printed Wiring Board — Power Amp Section —············· 33
3-14. Schematic Diagram —Power Amp Section — ················ 35
3-15. IC Pin Function Description············································· 37
3-16. IC Block Diagrams ··························································· 39
4. EXPLODEOVIEWS
4-1. Front Panel Section ·························································· 40
4-2. Chassis Section································································· 42
5. ELECTRICAL PARTS LIST ······································· 44