
—3 — — 4 —
SECTION 2
DIAGRAMS
THIS NOTE IS COMMON FOR WIRING BOARDS
AND SCHEMATIC DIAGRAMS
•Abbreviation
GC : MDS-E10 : AEP, E
UC : MDS-E10 : US, Canadian
1GC : MDS-E10/1 : AEP, E
1UC : MDS-E10/1 : US, Canadian
•A page display of a destination is the number of pages of MDS-
E10 service manual.
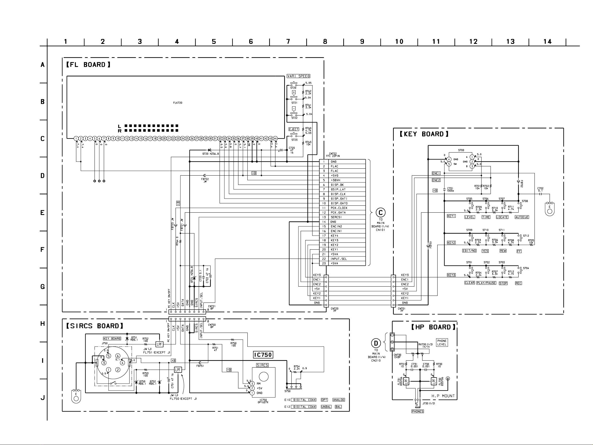
For schematic diagrams
•All capacitors are in µF unless otherwise noted. pF : µµF. 50V or
less are not indicated except for electrolytics and tantalums.
•All resistors except chips are in Ωand 1/4W or less unless otherwise
specified.
•¢: internal component.
•: panel designation
•[+B] : B+ Line
•[--B] : B–Line
•: adjustment for repair.
•Voltage and waveforms are dc with respect to ground under no-
signal (detuned) conditions.
•no mark : STOP
•( ) : Play the test disc (TDYS-1).
• ∗ : can not be measured.
•Voltages are taken with a VOM (Input impedance 10 MΩ).
Voltage variations may be noted due to normal production
tolerances.
•Waveforms are taken with a oscilloscope.
Voltage variations may be noted due to normal production
tolerances.
•Circled numbers refer to waveforms.
•Signal path.
E: PB
q: REC
a: PB (Digital out)
r: REC (Digital in)
For printed wiring boards
•: parts extracted from the component side.
•: Pattern on the side which is seen.
(Other patterns are not shown.)
プリント図,回路図用共通ノート
•行き先のページ表示は、MDS-E10 のサービスマニュアルの
ページ数です。
回路図ノート
•ケミコン,タンタルを除くコンデンサで,耐圧 50V 以下の
ものは,その耐圧を省略。単位はすべてμF(p はpF)。
•抵抗で指示のないものは,1/ 4W以下を示す。
単位はすべてΩ。
•△ :内蔵部品
•:パネル表示名称。
•[+B] :B+ライン。
•[--B] :B−ライン。
!印の部品,または!印付の点線で囲まれた部品は,
安全性を維持するために,重要な部品です。
従って交換時は,必ず指定の部品を使用して下さい。
•:調整名称。
•電圧および波形は,対アース間を無信号状態で測定。
無 印 :停止
( ) :テストディスク(TDYS-1)を再生
* :測定不可能点
•電圧値は,テスタ(入力インピーダンス10M Ω/V)で
測定した参考値。
•波形図は,オシロスコープで測定した参考図。
•○番号は波形図の照合番号。
•信号の流れについて
E:再生
q:録音
a:再生(デジタル出力)
r:録音(デジタル入力)
プリント図ノート
•:部品面側取付のリード線。
•は見ている側のパターン
(他のパターンについては表示されません)
Note:
The components iden-
tified by mark 0or dot-
ted line with mark 0
are critical for safety.
Replace only with part
number specified.
Note:
Les composants identifiés
par une marque 0sont cri-
tiques pour la sécurité.
Ne les remplacer que par
une piéce portant le numéro
spécifié.
2. When you are going to repair the former equipment using the
new board that is supplied as repair part, the board-in-wires
are already mounted to CN100, CN102 and CN210 of the
service board. It means that the board-in-wires that have been
used in the former board become unnecessary.
* The board-in-wires of the service board are compatible with
the wires used in the former board.
3. When replacing IC104 (motor driver IC)
The motor driver LB164 (8-759-822-09) made by Sanyo was
used in the former board.
If IC104 becomes defective and you are going to replace
IC104 as a single part, watch the suffix number of the part
code number of the MAIN board and select IC104 that is
specified by the part list of Service Manual.
Suffix Maker name Model No. Part No.
–11, –12 Made by Sanyo (LB1641) : 8-759-822-09
–13 Made by Rohm (BA6209) : 8-759-913-06
2. サービス基板を使用して旧セットをサービスする際に
サービス基板にはCN100,102,210部にはすでにボードイ
ンワイヤーがマウントされていますので, 旧セットで使
用していたワイヤーは不要になります。
※ このサービス基板のワイヤーは旧セットセットに接
続されているワイヤーと配線はコンパチです。
3. IC104(モータドライバIC)交換について。(注意)
旧基板ではIC104には三洋製モータドライバLB1641(8-
759-822-09)が使用されています。
このIC104が故障した時,IC単体を交換される場合にはメ
イン基板の部品番号をよく注意して確認し, サービスガ
イド上の部品表の指示どうりの部品を使用して下さい。
末尾 メーカ名 型番 部品番号
–11,–12 三洋製 (LB1641) :8-759-822-09
–13 ロ−ム製 (BA6209) :8-759-913-06