
TABLE
OF
CONTENTS
Laser
component
in
this
product
is
capable
of
emitting
radiation
Section
Title
Page
exceeding
the
limit
for
Class
1.
Tx:
“SERVICING:
NOV
E
exychiseseoicass
viccitesnensitnetuntaesitaccest
3
This
appliance
is
classified
as
a
2.
GENERAL
CLASS
1
LASER
product.
The
sae
CLASS
1
LASER
PRODUCT
eee
Identifying
the
Parts
....cccsssessssssssssssssssssssssssssssssssssssesssessnseresssseet
Tea
CLASS
1
LASER
PRODUCT
Identifying
the
Parts
..
4
KLASS
1LASERAPPARAT
[|
MARKING
is
located
on
the
rear
ae.
3.
DISASSEMBLY
Or
FIOM
PANG
ss
sccsssidiacsecens
weduseesedevee
eo
enaseviacavdpauawein
5
3-2.
MDS
BUSSBDTOB):ceisaacsciceecascteesnesled
oeistanitavartanaidansoene
5
The
following
caution
label
is
located
inside
the
unit.
as
4
ELECTRICAL
BLOCK
CHECKING...............00000.
6
CAUTION
—
:
INVISIBLE
LASER
RADIATION
WHEN
OPEN,
AVOID
EXPOSURE
TO
BEAM.
ADVARSEL
:
siexenncosarsAVDERE
ER
UDE
AF
FUNKTION
5.
DIAGRAMS
UNDGAUDS
AETTELSE
FOR
STRANING.
5-1
Circuit
Boards
Location
8
Saaai
ETERS
eae
Hit
Boards
Location
.......ssussseseessssseeetteanssteeeiiee
DLET
ALTTIINA
LASERSATEILYLLE.
5-2.
Semiconductor
Lead
Layouts
..........ccsscscseecsssssseeeeseees
9
MORNING.
<
Goieec
ei
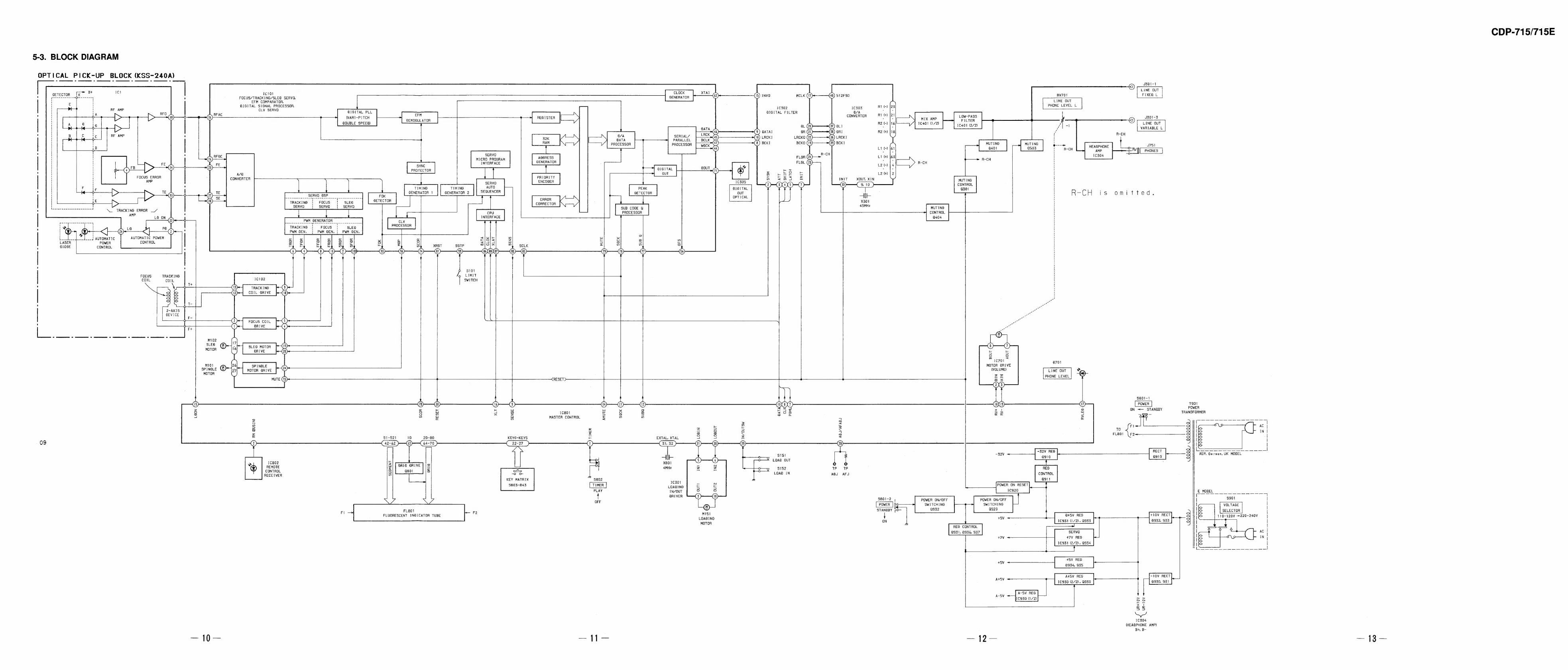
5-3.
BIOCK
Diagram
w..ccsccscccsssssssssssssssssssessssssessvssercccecseesecensecesers
10
BEN
ARSED
2
UorNlg
ESERS
TRANG
HAR
DERSELAPNES
9-42
Printed
WitinQ
Boards
se.dsssvcsciscesstecsistieaddeetiscsamaneeaurnes
14
5-5o.
“
SCHemMate:
Dig
Grates
oi
vaca
sesh
fechaay
tacipuatacondieidadenaaseecssatees
19
5-6.
!C
Pin
Functions
¢1C101
Digital
Servo
&
DSP
(CXD2515Q)...
ee
23
*
1C801
Master
Control
(CXP82316-037Q)........cceeee
26
6.
EXPLODED
VIEWS
6-12.
-CabiMet,
SECON:
sasecaesipnacocensetdeligidastucesitencweediokisvascaiveasnde
27
6-2.
Front
Panel
Section
..........ccccccssssssescsscesssssssssseenseeeseasesnae
28
6-3.
CD
Mechanism
Section
(CDM25C-5BD1
0B)
.............0+
29
6-4.
Optical
Pick-up
Block
Section
(BU-5BD10B).............00.
30
6.
ELECTRICAL
PARTS
LIST
...0....
eee
31
Notes
on
chip
component
replacement
SAFETY-RELATED
COMPONENT
WARNING
!!
¢
Never
reuse
a
disconnected
chip
component.
COMPONENTS
IDENTIFIED
BY
MARK
A
OR
DOTTED
¢
Notice
that
the
minus
side
of
a
tantalum
capacitor
may
be
LINE
WITH
MARK
A\
ON
THE
SCHEMATIC
DIAGRAMS
damaged
by
heat.
AND
IN
THE
PARTS
LIST
ARE
CRITICAL
TO
SAFE
OPERATION.
REPLACE
THESE
COMPONENTS
WITH
SONY
PARTS
WHOSE
PART
NUMBERS
APPEAR
AS
SHOWN
IN
THIS
MANUAL
OR
IN
SUPPLEMENTS
PUBLISHED
BY
SONY.