
– 3 –
1. GENERAL ................................................................... 1-1
2. DISASSEMBLY
2-1. Removal of Cabinet (Lower) Assembly ........................ 2-1
2-2. Removal of VA-103 Board............................................. 2-1
2-3. Removal of Camera Head Assembly,
CS-53 Board.................................................................. 2-1
2-4. Removal of Case (B) Assembly .................................... 2-2
2-5. Removal of Lens (CD) PC Board Assembly ................. 2-2
2-6. Circuit Boards Location ................................................. 2-3
3. BLOCK DIAGRAMS
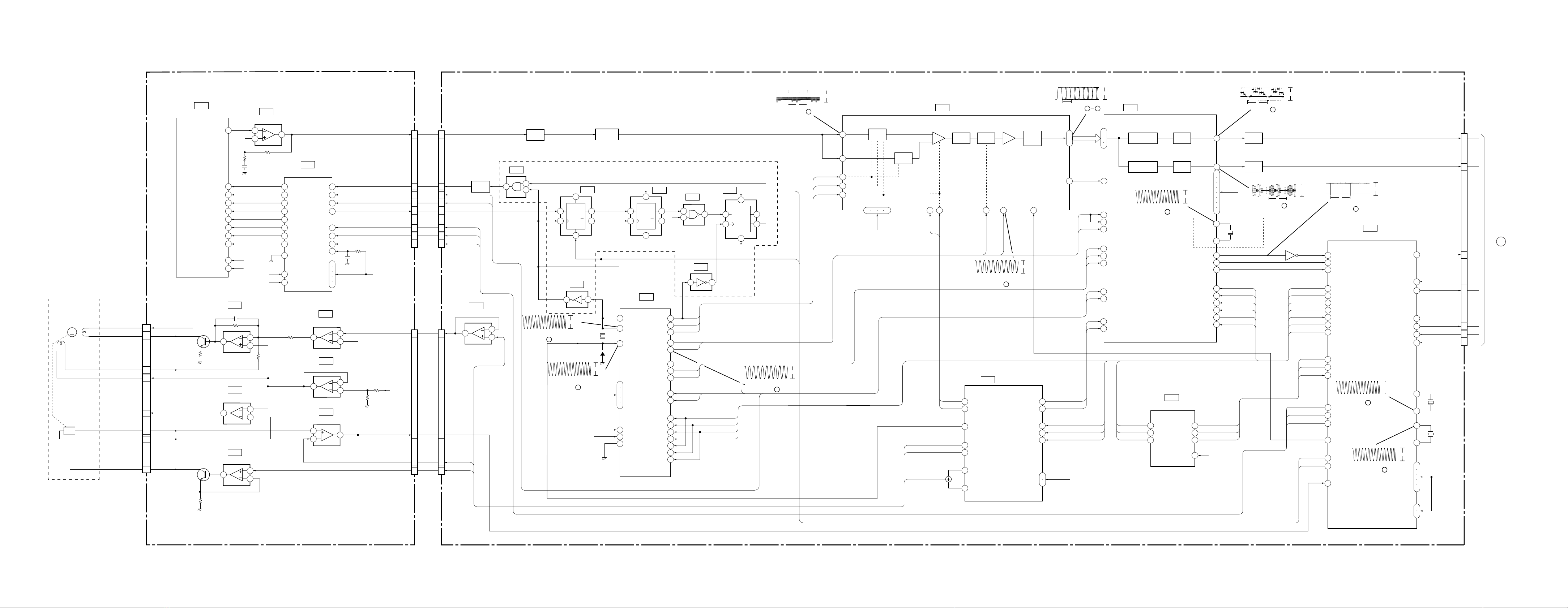
3-1. Overall Block Diagram................................................... 3-1
3-2. Camera (1) Block Diagram ........................................... 3-5
3-3. Camera (2) Block Diagram ........................................... 3-9
3-4. Audio Block Diagram..................................................... 3-11
3-5. Power Block Diagram.................................................... 3-13
4. PRINTED WIRING BOARDS AND
SCHEMATIC DIAGRAMS
4-1. Frame Schematic Diagram............................................ 4-1
4-2. Printed Wiring Boards and Schematic Diagrams ......... 4-5
CD-184 (CCD Imager) Schematic Diagram ................. 4-6
CD-184 (Timing Generator), (Iris Drive, Mic In)
Schematic Diagrams ..................................................... 4-7
CS-53 (Camera, Y/C Process, Mic Amp,
Mode Control) Printed Wiring Board............................. 4-11
CS-53 (Camera, Y/C Process)
Schematic Diagram ....................................................... 4-15
CS-53 (Mode Control) Schematic Diagram .................. 4-21
CS-53 (Mic Amp) Schematic Diagram .......................... 4-23
VA-103 (DC-DC Converter, Video/Audio I/O, LANC I/O),
IF-69 (Interface) Printed Wiring Boards........................ 4-28
VA-103 (DC-DC Converter) Schematic Diagram ......... 4-33
VA-103 (Video/Audio I/O) Schematic Diagram............. 4-36
VA-103 (LANC I/O), IF-69 (Interface)
Schematic Diagrams ..................................................... 4-39
5. ADJUSTMENTS
5-1. Camera Section Adjustment ......................................... 5-1
1-1. Preparations Before Adjustment ................................... 5-1
1-1-1. List of Service Tools ................................................. 5-1
1-1-2. Preparations ............................................................. 5-2
1-1-3. Precaution ................................................................ 5-3
1. Setting the Switch .................................................... 5-3
2. Order of Adjustment ................................................. 5-3
3. Subjects.................................................................... 5-3
1-1-4. Adjustment Remote Commander ............................ 5-4
1. Using the Adjustment Remote Commander ............ 5-4
2. Precaution Upon Using the Adjustment
Remote Commander................................................ 5-4
1-1-5. Data Process............................................................ 5-5
1-2. Initialization of F Page Data.......................................... 5-6
1. Initializing the F Page Data...................................... 5-6
2. Modification of F Page Data .................................... 5-6
3. F Page Table............................................................. 5-6
1-3. Camera System Adjustments .................................. 5-9
1. 28 MHz Origin Oscillation Adjustment ..................... 5-9
2. HALL Adjustment ..................................................... 5-10
3. Picture Frame Setting .............................................. 5-11
4. Color Reproduction Adjustment............................... 5-12
5. IRIS IN/OUT Adjustment.......................................... 5-13
6. Auto White Balance Reference Data Input .............. 5-14
7. Auto White Balance Adjustment .............................. 5-14
8. White Balance Check............................................... 5-15
9. Battery Down Adjustment ........................................ 5-16
6. REPAIR PARTS LIST
6-1. Exploded Views ............................................................. 6-1
6-1-1. Main Section............................................................. 6-1
6-1-2. Camera Head Section.............................................. 6-2
6-2. Electrical Parts List ....................................................... 6-3
TABLE OF CONTENTS
Section Title Page Section Title Page
*The color reproduction frame is shown after the page
of ELECTRICAL PARTS LIST.