
OBTAINING HOT WATER
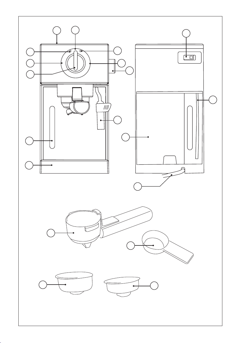
- Put the device on, operating the ON/OFF
switch (F), on the back of the machine.
- The pilot light (D) will light up indicating that the
machine is ON and water is heating up.
- Wait until the (E) indicator light illuminates. Sit-
uation that indicates that the water has reached
the right temperature.
- Place a container under the vaporizer.
- Open the steam regulator (R), turning it coun-
ter-clockwise to the left.
- Turn the selector knob (H) to the coffee / water
position (G1), which operates the pump.
- The hot water will start to come out through the
steamer pipe.
- Once the desired amount of hot water has
been obtained,return the Function selector (H)
to the central position (G0), which will stop the
pump.
- Close the knob (R) by turning it clockwise in a
clockwise direction.
OBTAINING STEAM:
- The steam is used to froth milk for cappuccino,
and can also heat other liquids.
- Start the appliance, by operating the on / off
switch (F) on back of the machine.
- Wait until the coffee E light comes on, indicat-
ing that the appliance has reached the correct
temperature for coffee.
- For steam, turn the function selector knob (H)
to the steam position (G2) and it will continue
heating until reaching steam temperature.
- While heating, the pilot will ash faster than
while heating for coffee.
- -The pilot (E) will turn off until the appropriate
temperature for steam is reached.
- When it reaches steam temperature, (E) will
illuminate again
- Place a container under the steam pipe.
- Open steam control (R) by turning counter-
clockwise.
- Only steam will start to come out.
- When you have enough, turn the function se-
lector knob (H) to the central position (G0) and
close the knob (R) and remove the container.
IMPORTANT
- When you nish doing steam, you must replace
the water used to make steam and at the same
time, recover the temperature (lower) to make
coffee.
- To do this, with the steam knob open, turn the
selector knob (H) to the coffee / water position
(G1), which will activate the pump.
- Put a container under the tube
- When water starts to ow through the steam
pipe, it means that it has recovered the coffee
temperature and the boiler has been lled. You
can close Steam knob and to return the func-
tion selector knob to central position (G0).
- Auto-off feature:
The SOLAC machines are designed to save
energy.
To that end, after some minutes, if during this
period the user has not performed any action
on it, the unit switches to energy saving mode.
To return to normal operation you should just
switch on the button (F) in the back of the
machine.
ONCE YOU HAVE FINISHED USING THE
APPLIANCE:
- Turn the appliance off, pushing the on/off
switch (F).
- Unplug the appliance to the mains.
- Remove the water from the water tank.
- Clean the appliance.
CLEANING
BASIC CLEANING
- Disconnect the appliance from the mains and
let it cool before undertaking any cleaning task.
- Clean the equipment with a damp cloth with a
few drops of washing-up liquid and then dry.
- Do not use solvents, or products with an acid or
base pH such as bleach, or abrasive products,
for cleaning the appliance.
- Do not let water or any other liquid get into the
air vents to avoid damage to the inner parts of
the appliance.
- Neither parts of this appliance are suitable for
cleaning in the dishwasher.
- After washing, dry all the parts before tting
them together and storing.