
QT-CD121
– 2 –
FOR A COMPLETE DESCRIPTION OF THE OPERATION OF THIS UNIT, PLEASE REFER
TO THE OPERATION MANUAL.
BEFORE RETURNING THE AUDIO PRODUCT
(Fire & Shock Hazard)
Before returning the audio product to the user, perform the
following safety checks.
1. Inspect all lead dress to make certain that leads are not
pinchedorthathardwareisnotlodgedbetweenthechassis
and other metal parts in the audio product.
2. Inspect all protective devices such as insulating materials,
cabinet, terminal board, adjustment and compartment
covers or shields, mechanical insulators etc.
3. To be sure that no shock hazard exists, check for leakage
current in the following manner.
* Plug the AC line cord directly into a 120 volt AC outlet.
* Using two clip leads, connect a 1.5k ohm, 10 watt resistor
paralleled by a 0.15µF capacitor in series with all exposed
metal cabinet parts and a known earth ground, such as
conduit or electrical ground connected to earth ground.
* Use a VTVM or VOM with 1000 ohm per volt, or higher,
sensitivity to measure the AC voltage drop across the
resistor (See diagram).
* Connect the resistor connection to all exposed metal parts
havingareturnpathtothechassis(antenna,metalcabinet,
screw heads, knobs and control shafts, escutcheon, etc.)
and measure the AC voltage drop across the resistor.
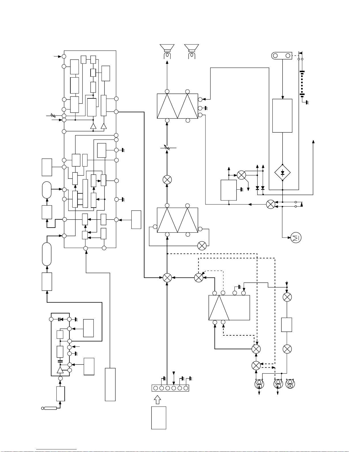
IMPORTANT SERVICE NOTES
AllcheckmustberepeatedwiththeAClinecordplugconnection
reversed.
Anyreadingof 0.3voltRMS (thiscorrespondsto 0.2milliamp.
AC.) or more is excessive and indicates a potential shock
hazard which must be corrected before returning the audio
product to the owner.
TO EXPOSED
METAL PARTS
CONNECT TO
KNOWN EARTH
GROUND
TEST PROBE
0.15 µ F
1.5k ohms
10W
VTVM
AC SCALE
SPECIFICATIONS
General
Power source: AC 120V, 60 Hz
DC 12 V [ "D" size (UM/SUM-1,
R20 or HP-2) battery x 8]
Power consumption: 20 W
Output power: FTC; 2.0 W min. RMS per channel
into8 ohms from150 Hz to20 kHz,
withnomore than 10 %total harm-
onic distortion.
RMS; 2.3 W/CH
(DC operation, 10 % T.H.D.)
Speakers: 4" (10 cm) wooferr x 2
Tweeter x 2
Output terminal: Headphones; 16-50 ohms
(recommended 32 ohms)
Dimensions: Width; 18-15/16" (480 mm)
Height; 6-1/16" (153 mm)
Depth; 10" (254 mm)
Weight: 7.1 Ibs. (3.2 kg) without batteries
Radio
Frequency range: FM; 87.6 - 108 MHz
AM; 530 - 1,702 kHz
Tape recorder
Frequency response: 50 - 14,000 Hz (Normal tape)
Signal/noise ratio: 50 dB
Wow and flitter: 0.25 % (WRMS)
Motor: DC 12 V electric governor
Bias system: AC bias
Erase system: Magnet erase
Compact disc player
Disc: Compact disc
Signal readout: Non-contact, 3-beam semi-
conductor laser pickup
Audio channels: 2
Quantization: 16-bit linear quantization
Filter: 4-tims oversampling digital filter
D/A converter: 1-bit D/A converter
Wow and flutter: Unmeasurable
(less than 0.001% W. peak)
Specifications for this model are subject to change without
prior notice.