
8
KB-6025MS
KB-6025MK
KB-6025MW
OPERATION
DESCRIPTION OF OPERATING SEQUENCE
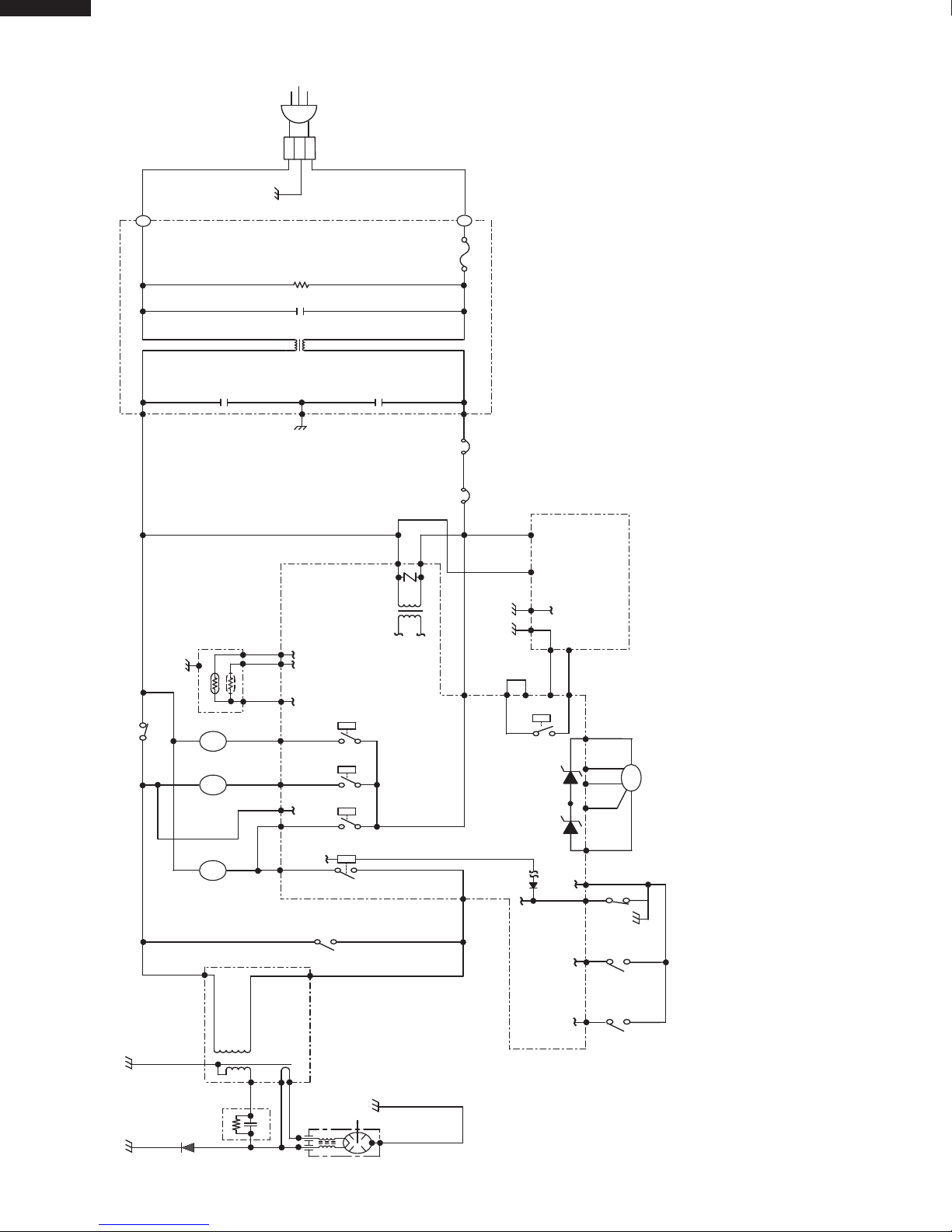
The following is a description of component functions dur-
ing oven operation.
OFF CONDITION
Closing the drawer activates the door sensing switch and
secondary interlock switch. (In this condition, the monitor
switch contacts are opened.)
When oven is plugged in, 120 volts A.C. is supplied to the
control unit. (Page 10).
1. The display will show flashing "EnjoyYour DrawerTouch
Clear and Touch Clock".
To set any program or set the clock, you must first touch
the STOP/CLEAR pad. The display will clear, and " : "
will appear.
COOKING CONDITION
Program desired cooking time by touching the NUMBER
pads. Program the power level by touching the POWER
LEVEL pad and then a Number pad.
When the START pad is touched, the following operations
occur:
1. The contacts of relays are closed and components
connected to the relays are turned on as follows.
(For details, refer to Page 10)
RELAY CONNECTED COMPONENTS
RY-1 oven lamp/stir fan motor/fan motor
RY-2 power transformer
2. 120 volts A.C. is supplied to the primary winding of the
power transformer and is converted to about 3.3 volts
A.C. output on the filament winding, and approximately
2370 volts A.C. on the high voltage winding.
3. The filament winding voltage heats the magnetron
filament and the H.V. winding voltage is sent to a voltage
doubler circuit.
4. The microwave energy produced by the magnetron is
channelled through the waveguide into the cavity feed-
box, and then into the cavity where the food is placed
to be cooked.
5. Upon completion of the cooking time, the power
transformer, oven lamp, etc. are turned off, and the
generation of microwave energy is stopped. The oven
will revert to the OFF condition.
6. When the drawer is opened during a cook cycle, the
monitor switch, door sensing switch, secondary interlock
switch, relay (RY1) and primary interlock relay are
activated with the following results.The circuits to the stir
fan motor, the cooling fan motor, and the high voltage
componentsarede-energized,theoven lampremainson,
and the digital read-out displays the time still remaining
in the cook cycle when the door was opened.
7. The monitor switch electrically monitors the operation of
the secondary interlock switch and secondary interlock
relay and is mechanically associated with the drawer so
that it will function in the following sequence.
8. When the drawer opens from the closed position, the
primary interlock relay (RY2) and secondary interlock
switch open their contacts. And contacts of the relay
(RY1) remains closed.Then the monitor switch contacts
close.
9. When the drawer is closed from the open position, the
monitor switch contacts open first. Then the contacts of
the secondary interlock switch and door sensing switch
close. And contacts of the relay (RY1) open.
If the secondary interlock switch and primary interlock
relay (RY2) fail with the contacts closed when the drawer
is opened, the closing of the monitor switch contacts will
form a short circuit through the fuse, secondary interlock
switch, relay (RY1) and secondary interlock relay (RY2),
causing the fuse to blow.
POWER LEVEL P-0 TO P-90 COOKING
When Variable Cooking Power is programmed, the 120
volts A.C. is supplied to the power transformer intermittently
through the contacts of relay (RY-2) which is operated by
the control unit within a 32 second time base. Microwave
power operation is as follows:
VARI-MODE ON TIME OFF TIME
Power 10(P-HI) 32 sec. 0 sec.
(100% power)
Power 9(P-90) 30 sec. 2 sec.
(approx. 90% power)
Power 8(P-80) 26 sec. 6 sec.
(approx. 80% power)
Power 7(P-70) 24 sec. 8 sec.
(approx. 70% power)
Power 6(P-60) 22 sec. 10 sec.
(approx. 60% power)
Power 5(P-50) 18 sec. 14 sec.
(approx. 50% power)
Power 4(P-40) 16 sec. 16 sec.
(approx. 40% power)
Power 3(P-30) 12 sec. 20 sec.
(approx. 30% power)
Power 2(P-20) 8 sec. 24 sec.
(approx. 20% power)
Power 1(P-10) 6 sec. 26 sec.
(approx. 10% power)
Power 0(P-0) 0 sec. 32 sec.
(0% power)
Note: The ON/OFF time ratio does not correspond with the
percentage of microwave power, because approx.2
seconds are needed for heating of the magnetron
filament.